STANDARD DE CALITATE PENTRU TUBULATURA
|
|
|||
|
| ||||||
|
| ||||||
Incretituri
CAPITOLUL 4
Montajul flanselor in atelier
Flansele se vor monta pe tub astfel incit sudura sa nu afecteze fata de etansare a flansei. Nu se va folosi polizorul pe fata de etansare a flansei.
Alte tipuri de flanse se vor monta conform specificatiei tehnice a navei.
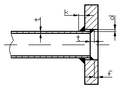
4.1 Pozitia radiala a flansei fata de teava
4.1.1 Flanse plate.
f = 1,5 max.
d<3 mm pentru tub corect centrat
k = 1,5t dar nu mai mare de 5 mm

Dezaxarea maxima a flansei fata de tubulatura va fi de 5 mm
Flanse cu gat
Flansa se va monta astfel incit diametrul interior al flansei sa corespunda cu diametrul interior al tevii.
Alte tipuri de flanse se vor monta conform documentatiei cu respectarea cerintelor societatii de clasificare.
Pozitia unghiulara a flansei fata de tubulatura. Flansele se vor monta perpendicular pe zona cilindrica a tevii cu o abatere de maxim q=1,5 grade
![]()
![]()
q o
![]()
![]()
![]()
Pozitia flansei fata de ramificatii si suduri.
Flansele se vor monta incit sa se poata realiza sudurile in interiorul tuburilor iar distanta dintre doua suduri sa nu fie mai mica de 60 mm.

du<1 grade abaterea unghiulara
250<D<350 rezulta 60<l<350
100<D<250 rezulta 60<l<250
D<100 rezulta 60<l<100
t<0,3 mm ciupiturile nu se remediaza
L<3800 mm pentru tevi zincate
L<6000 mm pentru tevi decapate
B<900 mm pentru tevi zincate
r=100 pentru 25<D<250
r=150 for D>250
dl<4 mm abaterea liniara
CAPITOLUL 5
Imbinarea tubulaturii.
Imbinarea tubulaturii se va face pentru fiecare sistem in conformitate cu specificatia tehnica a navei.
Imbinarea cu manson
Se va folosi in spatii ca tancuri, magazii, coferdamuri, spatii uscate, tunele, spatii din suprastructura, etc. unde este dificil demontatul tubulaturii sau accesul nu este asigurat. Pentru tubulaturi clasa I si II se va folosi numai cu avizul societatii de clasificare.

q
t=s+2, Celelalte cote vor fi conf. desenului de executie
Imbinari prin sudare cap la cap
Se va folosi in cazurile in care sudurile se pot executa la interior. Se recomanda pentru sisteme cu presiuni inalte cum sint: alimentare cu apa caldari, alimentare combustibil, abur viu, etc. De asemenea, se folosesc pentru obtinerea coturilor din felii sau pentru abaterea traseului de la rectilinearitate. Pentru tubulaturile finisate conform grad B si C, tolerantele imbinarilor cap la cap la diametrul exterior sunt:

D<200 mm rezulta
dar nu mai mult de 3 mm
D>250 mm rezulta
dar nu mai mult de 4 mm
Tolerantele inbinarilor cap la cap la interior in functie de A, B, C sunt:
|
Grad de finisare |
s [mm] |
|
A |
0 1 |
|
B |
0 2,5 |
|
C |
0 3,5 |
Nota: gradele de finisare A, B, C sunt specificate la paragraful 2.
Imbinari cu stut (ermeto).
Se folosesc pentru diametre mici (pina la DN32) la sisteme cu presiune inalta. Se vor finisa conform grad A.
5.4.Imbinari cu flanse
In general, flansele se vor folosi in compartimente unde sunt necesare demontari,intretinere tubulaturi echipamente.
5.4.1.Alinierea flanselor
a<2 mm b<2 mm c<1 mm

Imbinarile cu flansele agregatelor se vor realiza astfel incit sa nu apara tensiuni datorate montajului.
5.4.2 Montajul suruburilor pe flanse.
b = 0 ¸ 3 filete

In general sint conectate direct pe tubulatura prin sudura. Pentru presiuni si temperaturi mari, tevile cu diametre mai mici ce 40 mm pot avea ramificatii prin intermediul piselor de tip T.
Tipul si montajul ramificatiilor se vor stabili astfel incit sa existe posibilitatea prelucrarii in interior si in concordanta cu cerintele specificatiei tehnice a navei.
CAPITOLUL 7
Reductiile
Conectarea tubulaturilor cu diametre diferite se face prin intermediul reductiilor.
In general, reductiile se executa in intreprindere, din teva sudata pe generatoare.
CAPITOLUL 8
Trecerile
In principal se folosesc doua tipuri de treceri neetanse si treceri.
Trecerile neetanse.
D = d +20

d - diametrul flansei sau al mansonului
h - inaltime corelata cu bordura platformei
(in general 100 mm)
Trecerile etanse
Trecerile etanse utilizate vor fi in conformitate cu descrierea tehnica a navei. In principal, tipul trecerii se va stabili functie de imbinarile traseului
Amplasarea trecerilor.
In general, amplasarea trecerilor este precizata in documentatie in conformitate cu prescriptiile societatii de clasificare.
Amplasarea fata de sudura
D > 150 mm l > 50 mm d<2 mm

Distanta intre treceri
L2>d1 daca d1>d2
L1>150 mm
L3>60 mm
t = 2s+25<50

Distanta fata de perete
L1>d1
L2>60
t=2s+25>50
d2=d1+10

CAPITOLUL 9
Executia tevilor la bord.
Tuburile de legatura dintre trasee pot fi executate pe nava. In acest caz unghiul dintre teava si flansa poate avea toleranta de 3 grade pentru a prelua abaterile de pe traseu. In cazul in care toleranta este mai mare de 3 grade se vor utiliza tuburi de montaj prevazute cu coturi. Tuburile cu diametrul mai mic de 32 mm pot fi executate pe nava.
CAPITOLUL 10
Montarea armaturilor.
Armaturile se vor monta astfel incit sa fie posibila actionarea lor. Pentru actionarea armaturilor din santina se vor prevede decupari in tabla paiolului in corespondenta rotilor de manevra. Pentru armaturi amplasate in pozitii dificile se pot prevede transmisii mecanice. In general, armaturile nu trebuie sa suporte operatii tehnologice daca au certificat de clasificare si au fost corect depozitate.
CAPITOLUL 11
Zincarea tubulaturii.
In principiu, asupra tevilor zincate nu se intervine cu sudura. In cazurile mentionate mai jos, cind se sudeaza tevi deja zincate, cordoanele de sudura si zonele adiacente se vor proteja astfel:
a) trecerile cu manson prin vopsire;
b) flansele sudate la nava prin pensulare cu solutie bogata in zinc;
c) trecerile cu flansa prin vopsire;
d) piesele sudate pe bordajul navei (stuturile de bordaj, diuzele spalare lant ancora, e.t.c.) prin vopsire;
e) imbinarile cu manson sudate la nava prin pensulare cu solutie bogata in zinc.
Acolo unde nu se poate evita,sudura pe tevile zincate se va acoperi cu solutie bogata in zinc.
CAPITOLUL 12
Suporti.
In general, suportii se vor suda de elementele de rigidizare ale navei.
Montarea suportilor pe elementele de rigidizare ale navei.
O aripa a cornierului va fi in corespondenta inimii osaturii. Lungimea (l) care se suprapune peste elementul de structura va fi egala cu latimea cornierului.

Montarea suportilor pe tabla tancurilor.
Nu se vor suda suportii pe tabla tancului. In principiu, suportul se va amplasa in corespondenta unui element structural prin intermediul unei placute (3).

MountAREA BRATARILOR

-motajul suportilor alunecatori -montajul suportilor ficsi
a 3,0 pentru D > 50 a=0
a 3,0 pentru D b=0-3 filete
b=0-3 filete
CAPITOLUL 13
Montarea tubulaturii.
Tubulatura se va monta in doua modalitati, conform planurilor de coordonare si la nava
Planurile de coordonare prevad montajele tubulaturilor in ordine descrescatoare a diametrelor pina la un anumit diametru. Planurile de montaj ofera o imagine de ansamblu asupra zonelor ocupate de instalatii. Preferabil este ca in prima faza sa se monteze traseele prevazute in planurile de coordonare.
Montajul la nava se va executa pe cit posibil dupa montarea traseelor prevazute in planurile de coordonare. Montarea traseelor necuprinse in planurile de montaj impune cunoasterea cu precizie a zonei ramase neocupate.
Prescriptii privind montajul tubulaturii.
tronsoanele se vor prevede astfel incit sa fie posibila demontarea de la nava fara a demonta alte tronsoane;
montajul in zona agregatului sa nu blocheze spatiile de demontarea a agregatului;
in principiu, distanta intre suporti va fi:
|
Diametrul tubulaturii [mm] |
Distanta dintre suporti [mm] |
distanta tubulaturii fata de structura navei sa permita lucrari de intretinere (curatire, vopsire, etc.);
tubulatura de aer sa se monteze suficient de distantata fata de traseele si tablourile electrice. Unde nu este posibil se vor monta aparatori la flanse. In zona tablourilor electrice nu vor fi imbinari demontabile;
tubulatura de abur in C.M. si compartimentul caldari se va monta pe cit posibil in partile superioare ale compartimentului (nu sub paiol, pe tancuri de combustibil);
tubulatura de abur se va monta suficient de distantata astfel incit sa permita izolatia termica;
ramificatiile tevilor de abur si aer se vor lua de la partea superioara a diametrului;
tevile instalatiilor de produse petroliere nu se vor monta in zonele cu suprafete fierbinti (evacuare gaze, abur, etc.). Daca nu se poate evita, atunci nu trebuie sa existe imbinari demontabile in zonele fierbinti.
AMC-urile (manometre, termometre, etc.) se vor monta in locuri vizibile;
tuburile de cupru se vor monta pe uluc din tabla perforata;
tubulaturile de scurgere, abur, preaplin si aerisirile se vor monta
cu panta catre tanc;
cuplarile sa se amplaseze pe cit posibil in zone accesibile.
CAPITOLUL 14
Teste de etanseitate a instalatiilor.
Etanseitatea instalatiilor se va verifica conform prevederilor din documentatia de executie.
Testul in atelier.
Tubulaturile de clasa I si II impreuna cu fitingurile asociate se vor testa la presiunea de indicata in documentatia de executie.
14.1.2Testul la nava.
Se va aplica tuturor instalatiilor dupa montarea completa si inainte de izolare.
CAPITOLUL 15
Curatarea tubulaturii la bord.
Tubulatura se va curata la bordul navei conform practicii santierului, avind din vedere recomandarile furnizorilor agregatelor.
|
Politica de confidentialitate |
| Copyright ©
2026 - Toate drepturile rezervate. Toate documentele au caracter informativ cu scop educational. |
Personaje din literatura |
| Baltagul – caracterizarea personajelor |
| Caracterizare Alexandru Lapusneanul |
| Caracterizarea lui Gavilescu |
| Caracterizarea personajelor negative din basmul |
Tehnica si mecanica |
| Cuplaje - definitii. notatii. exemple. repere istorice. |
| Actionare macara |
| Reprezentarea si cotarea filetelor |
Geografie |
| Turismul pe terra |
| Vulcanii Și mediul |
| Padurile pe terra si industrializarea lemnului |
| Termeni si conditii |
| Contact |
| Creeaza si tu |