 
      Amplificatorul inversor cu AO alimentat cu sursa simpla.
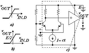
In cazul alimentarii cu sursa dubla caracteristica ideala de transfer este data in fig. 5a. In aceasta se observa ca punctual static a iesirii este (0V; 0mA). Plasarea in 0V a iesirii permite excursie de semnal maxim posibila in iesire pe ambele alternante egala, teoretic, cu VCC si respective (-VEE.). Si in cazul alimentarii cu sursa simpla iesirea va trebui sa aiba excursie de semnal maxim posibila ceea ce inseamna ca va fi necesar ca in punct static iesirea sa fie plasata in jumatatea sursei de alimentare E. Plasarea iesirii in (E/2) se poate face folosind o bucla de reactie negative in cc.

Fig. 5
Functionarea liniara a intrarii se poate realize numai daca etajul diferential din intrare este correct polarizat. Pentru polarizarea corecta a acestuia nici una din cele doua intrari nu mai poate fi conectata la masa ca in fig. 5c ci la un potential nenul. In plus cele doua intrari trebuie sa aiba potentiale egale in cc ceea ce se poate realize numai cu o bucla de reactie negative in cc.
In circuitul din 6a se realizeaza atat egalitatea tensiunii in cc din cele doua intrari cat si plasarea iesirii in E/2.

Fig. 6
In fgura 6b divizorul este inlocuit cu echivalentul Thevenin iar pentru a realize si amplificare in semnal fara a afecta polarizarea anterior analizata se introduce condensatorul de cuplaj notat cu C considerat scurtcircuit la frecventa de lucru.
In
circuitul din fig 6b AO este alimentat cu o singura sursa de alimentare, este
corect polarizat  , , iesirea este plasata in cc la valoarea
, , iesirea este plasata in cc la valoarea  , amplificarea in semnal este
, amplificarea in semnal este  iar excursia de semnal
in iesire este
 iar excursia de semnal
in iesire este  .
.
 putem folosi aproximarea:
putem folosi aproximarea:  (pentru ca
(pentru ca  )
 )

 
 
 
  
  
 
Totala cc semnal




Solutia
la b) este alegerea lui  si
 si  astfel incat sa fie
indeplinita conditia (*)
 astfel incat sa fie
indeplinita conditia (*)
Rezolvarea II

  avantajul
este ca putem regla foarte usor componenta de cc a lui ( de exemplu facand
 avantajul
este ca putem regla foarte usor componenta de cc a lui ( de exemplu facand  ).
 ). 
| Politica de confidentialitate | 
|  .com | Copyright © 
      2025 - Toate drepturile rezervate. Toate documentele au caracter informativ cu scop educational. | 
| Personaje din literatura | 
| Baltagul – caracterizarea personajelor | 
| Caracterizare Alexandru Lapusneanul | 
| Caracterizarea lui Gavilescu | 
| Caracterizarea personajelor negative din basmul | 
| Tehnica si mecanica | 
| Cuplaje - definitii. notatii. exemple. repere istorice. | 
| Actionare macara | 
| Reprezentarea si cotarea filetelor | 
| Geografie | 
| Turismul pe terra | 
| Vulcanii Și mediul | 
| Padurile pe terra si industrializarea lemnului | 
| Termeni si conditii | 
| Contact | 
| Creeaza si tu |