COMUTATIA CURENTULUI IN MASINILE DE CURENT CONTINUU
Comutatia se defineste ca fiind ansamblul fenomenelor ce au loc la trecerea unei sectii a infasurarii indusului dintr-o cale de curent in alta atunci cand masina functioneaza in sarcina, IA
Rotatia indusului face ca diferitele sectii ale infasurarii sa treaca succesiv dintr-o cale de curent in alta, cu schimbarea sensului curentului. Aceasta schimbare de sens a curentului prin sectia care comuta are loc intr-un anumit interval de timp, in care aceasta sectie este scurtcircuitata prin intermediul periilor.
1. Variatia curentului in sectia care comuta
Fie o sectie a unei
infasurari buclate simple, fig. 2.24, reprezentata la trei
momente diferite de timp, t = 0 , inceputul procesului de comutatie, un
moment intermediar t si sfarsitul
accestui proces - timpul de comutatie Tk = bk/v ,
unde bk este latimea periei, considerata a fi
egala cu latimea lamelei de colector, iar v este viteza
periferica a colectorului.
a) b) c)
Fig. 2.24
Pentru momentul intermediar, fie b1 = vt latimea zonei din peria 1 acoperita de perie si b2 = v (Tk - t) latimea zonei din peria 2 acoperita de perie. Daca Rp este rezistenta de contact dintre perie si o lamela, atunci rezistentele de contact ale periei cu fiecare din cele doua
lamele in momentul intermediar au expresiile:
![]()
Fie de asemenea Rs rezistenta electrica a sectiei in comutatie si Rr rezistenta conexiunii sectiei la colector.
Aplicand legea inductiei electromagnetice pe conturul inchis format de sectie, conexiuni, lamele si perie rezulta relatia:
![]()
unde
este suma tensiunilor electromotoare induse in sectie in
procesul de comutatie. Rezulta expresia curentului instantaneu prin
sectie:

In cazul ideal, definit prin
, denumit comutatie
de rezistenta rezulta:

iar cazul superideal, cand Rs + 2 Rr << Rp, denumit comutatie liniara,

![]()
Variatia curentului prin
sectia care comuta pentru cele doua cazuri ideale este
reprezentata in figura 2.25; se observa ca cu exceptia
momentelor de timp 0, Tk/2 si Tk,
.
Fig. 2.25 Fig. 2.26
Expresiile densitatii de curent in cele doua zone de contact ale periei cu lamele 1 respectiv 2, fig. 2.24 b) sunt:

unde lp este dimensiunea periei in directie axiala. In procesul de comutatie cele doua densitati de curent variaza in limitele:
si 
Cu notatia
- valoarea medie a
densitatii de curent, rezulta marimile:
![]()
unde unghiurile a a am sunt reprezentate in figura 2.25.
Variatia in timp a densitatii de curent in cele doua zone de contact ale periei, cu lamela 1, J1(t) , respectiv cu lamela 2, J2(t), in cazul comutatiei de rezistenta este prezentata in figura 2.26.
Comutatia liniara este apreciata ca o comutatie buna, deoarece densitatea de curent in zona de contact a periei cu colectorul este constanta, Jm. Comutatia de rezistenta este grabita la inceputul procesului si intarziata la sfarsitul acestuia; se apreciaza ca fiind acceptabila daca valoarea densitatii de curent nu depaseste valoarea admisibila din punctul de vedere al efectului termic.
Comutatia optima ar fi aceea pentru care densitatea de curent pe peria 2, fig. 2.24 c), in finalul procesului de comutatie este nula, adica:
![]()
ceea ce conform expresiei generale a curentului i conduce la conditia:
![]()
Prin urmare, comutatia optima are loc in conditiile in care suma tensiunilor electromotoare induse in sectie este egala si de semn contrar cu caderea de tensiune produsa de curentul Ia in circuitul sectiei.
2. Efectul tensiunilor electromotoare induse in sectia aflata in comutatie
a) Tensiunea electromotoare de autoinductie, avand expresia:
![]()
unde Ls este inductivitatea sectiei, se opune variatiei curentului in sectia aflata in comutatie,
intarziind procesul de comutatie. Valoarea medie a acestei tensiuni este:

Deoarece
, rezulta:
![]()
unde n este turatia, iar K numarul de lamele la colector. Inductivitatea unei sectii cu ws spire are expresia:
,
unde li
este lungimea ideala a masinii,
, fig. 2.27, permeanta asociata campului magnetic
in crestatura, lf permeanta
asociata campului magnetic in zona capetelor de bobina, lf
lungimea capetelor de bobina, iar lcd permeanta
asociata campului magnetic ce se inchide intre doi dinti
alaturati.
Cum ws = N/2K, unde N este numarul total de conductoare al infasurarii, rezulta urmatoarele relatii de proportionalitate:
![]()
Rezulta ca o valoare redusa a tensiunii electromotoare de autoinductie presupune un numar redus de spire pe sectie, eventual ws = 1, un numar mare K de lamele la colector,
Fig. 2.27 crestaturi deschise, care au valori reduse ale permeantei lcd si
crestaturi de latime relativ mare, pentru ca permeanta lc sa aiba valori reduse.
Daca infasurarea are mai multe sectii pe crestatura, u > 1, numarul de lamele la colector creste, K = uZ, si ca urmare tensiunea electromotoare de autoinductie scade.
Atunci mai multe sectii comuta in acelasi timp si Ms este inductivitatea mutuala a sectiei considerate in raport cu acestea, atunci valoarea medie a tensiunii electromotoare de autoinductie are expresia:
![]()
Scurtarea pasului infasurarii face ca inductivitatea mutuala Ms sa scada, avand ca efect reducerea tensiunii electromotoare de autoinductie.
b) Tensiunea electromotoare indusa prin miscarea sectiei in comutatie in campul magnetic de reactie transversala, uert, are indiferent de regimul de functionare al masinii sensul pe care-l avea curentul in indus inainte de a intra in procesul de comutatie, fig. 2.28; prin urmare aceasta tensiune se opune comutatiei curentului.

![]()
Fig. 2.28 Fig. 2.29
Opunandu-se comutatiei curentului, ambele tensiuni induse, ueL, si uert, au ca efect o comutatie neliniara, fig. 2.29. Prezenta lor inrautateste comutatia, in sensul ca cresterea densitatii de curent la muchia posterioara a periei in raport cu sensul de miscare poate conduce la aparitia unor scantei la colector.
c) Tensiunea electromotoare indusa de campul inductor ca urmare a decalarii periilor din axa neutra a polilor inductori, cu unghiul a
![]()
depinde de sensul
decalarii. Astfel, in regimul de generator, fig. 2.30, se observa
ca decalarea periilor in sensul de rotatie determina inducerea
unei tensiuni electromotoare de sens opus aceleia indusa de campul
magnetic de reactie transversala. Prin urmare, aceasta tensiune
electromotoare compenseaza efectul nedorit al tensiunii electromotoare de
autoinductie ueL si al tensiunii electromotoare
indusa de campul de reactie transversala, respectiv
imbunatateste comutatia. Acelasi efect pozitiv il
are decalarea periilor in sens invers sensului de rotatie in regimul de
motor al masinii.
Fig. 2.30
3. Mijloace de imbunatatire a comutatiei
O comutatie satisfacatoare, fara scantei, presupune ca tensiunea electromotoare rezultanta in sectie sa nu depaseasca 1 . 2V, valoare comparabila cu caderea de tensiune la contactul perie-colector. Aceasta conditie nu poate fi realizata intotdeauna numai prin mijloace constructive, care sa asigure reducerea tensiunii electromotoare de autoinductie si a tensiunii electromotoare datorate reactiei transversale.
Principalele cai de asigurare a unei comutatii bune, indiferent de regimul de sarcina sunt :
a) inducerea unei tensiuni electromotoare egala si de sens contrar cu
rezultanta ueL + uert;
b) compensarea campului de reactie transversala a indusului;
c) majorarea rezistentei circuitului de comutatie;
Metodele practice pentru ameliorarea comutatiei sunt urmatoarele:
a1) decalarea periilor in sensul de rotatie la generatoarele de curent continuu si in sens invers la motoarele de curent continuu; dezavantajul acestei metode este acela ca compensarea se poate asigura la o valoare bine definita a curentului indus, de exemplu la curentul nominal;
a2) utilizarea polilor de
comutatie plasati in axa neutra a polilor inductori, ale
caror bobine sunt parcurse de curentul indus. Bobinele se conecteaza
astfel incat polii de comutatie sa produca un camp magnetic de
sens invers campului de reactie transversala, fig. 2.31. Polii de
comutatie nesaturati pot asigura compensarea totala a tensiunii
electromotoare ueL si uert , indiferent de valoarea
IA a curentului in indus;
b1) compensarea campului de reactie transversala a indusului, metoda care presupune echiparea masinii cu infasurari de compensare;
b2) reducerea campului de reactie transversala a indusului, de exemplu prin crestarea longitudinala a miezului polilor inductori.
Majorarea rezistentei circuitului sectiei in comutatie, avand ca efect limitarea curentului in sectia scurtcircuitata de perie, are in vedere materialul si constructia periilor. Masinile de tensiune joasa utilizeaza perii moi din grafit, care realizeaza un contact de rezistenta relativ mica cu colectorul. In schimb, cele de tensiune ridicata folosesc perii tari, din electrografit, sau
Fig. 2.31 compozite cupru - grafit, caracterizate de o cadere de
tensiune pe perechea de perii mai mare, de 2..2,5 V. Cresterea rezistentei echivalente a periilor in raport cu curentul de scurtcircuit poate fi obtinuta utilizand anizotropii electrice fie de material fie constructive, astfel ca rezistenta echivalenta a periei in directie tangentiala sa fie sporita in raport cu rezistenta in directie normala pe colector.
4. Verificarea experimentala a comutatiei si reglajul campului magnetic
al polilor auxiliari
Functionarea corecta a unei masini electrice din punct de vedere al procesului de comutatie impune asigurarea unei anumite rezerve in sensul functionarii fara scantei la colector in cazul unor variatii rapide ale curentului de sarcina, respectiv in cazul unor suprasarcini in limite admisibile. Verificarea experimentala a comutatiei prezentata in continuare are ca scop determinarea zonei de comutatie fara scantei in raport cu solenatia polilor auxiliari.
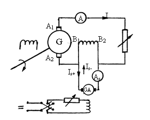
Experimentul consta in antrenarea masinii ca generator la turatia nominala, cu periile pozitionate corect, in axa neutra, sarcina variind de la gol pana la regimul de suprasarcina admisibil Im. Infasurarea B1-B2 a polilor auxiliari, fig. 2.32, este alimentata suplimentar de la o sursa reglabila GA, ce poate injecta in aceasta curentul Is , de valoare reglabila si cu sensul dorit.
Pentru valori succesiv crescatoare ale curentului de sarcina IA al masinii se regleaza curentul Is intr-un sens, respectiv in sens opus pana la valorile Is+, Is- la care apar primele scantei la colector. In caz ca curba medie, (Is+ + Is-)/2 , fig. 2.33 a), coincide cu axa absciselor, comutatia masinii este buna. Masina are o rezerva de comutatie cu atat mai mare cu cat aria domeniului marginit de curbele Is+(IA), Is-(IA) este mai mare. In cazul ca polii de comutatie produc un camp magnetic mai slab decat cel optim, curba (Is+ + Is-)/2 = f(IA) se situeaza deasupra axei
sunt prea "tari" aceasta curba se afla sub axa
abscisei, fig. 2.33 c). In primul caz este
necesar sa se
sporeasca numarul de spire al polilor de comutatie sau sa
se reduca intrefierul echivalent al polilor de comutatie; in cel
de-al doilea se procedeaza invers.
a) b) c)
Fig. 2.33
2.6. ECUATIILE DE FUNCTIONARE IN REGIM PERMANET. BILANTUL
PUTERILOR SI RANDAMETUL MASINILOR DE CURENT CONTINUU
2.6.1. Ecuatiile de functionare
Functionarea masinii de curent continuu cu excitatie independenta ca generator in regim permanet este definita de urmatoarele ecuatii, asociate schemei electrice din figura 2.34:
, unde DUp este
caderea de tensiune la perii
, unde n este turatia exprimata in
[rot/min]
![]()
![]()
![]()
Fig. 2.34 Fig.
2.35
Dependenta F (Ie , IA) este caracteristica magnetica a masinii, ce exprima dependenta in general nelineara a fluxului magnetic rezultant pe un pas polar in functie de curentul de excitatie si de curentul IA in infasurarea indusului.
In cazul functionarii ca motor in regim permanent, fig. 2.35, ecuatiile sunt:
![]()
![]()
![]()
![]()
2.6.2. Pierderi in functionarea masinii de curent continuu
Se diferentiaza urmatoarele categorii de pierderi in functionarea unei masini de curent continuu:
a) Pierderile de frecare mecanica si cele de ventilatie, Pm,fv, produse de frecarile tuturor partilor in miscare, frecarile in lagare, frecarile dintre perii si colector si mai ales cele asociate ventilatiei masinii prin ventilatorul montat pe ax. Componenta datorata frecarilor mecanice este proportionala cu turatia, iar cea datorata ventilatiei cu patratul turatiei. Aceste pierderi nu depind de regimul de sarcina al masinii, respectiv de parametrii electrici, curenti, tensiuni;
![]()
b) Pierderile in circuitul magnetic, PFe sunt datorate
variatiei in timp a campului magnetic. Ambele categorii de pierderi , prin
histerezis si prin curenti turbionari, depind local de patratul
inductiei magnetice, respectiv global de patratul tensiunii
electromotoare induse
. Pierderile prin histerezis depind de frecventa
campului magnetic, iar cele prin curenti turbionari de patratul
acestei frecvente, asa incat pierderile specifice pot fi exprimate
sub forma:
![]()
Frecventa campul magnetic in miezul magnetic al rotorului este f = pn/60, pierderile principale in miez fiind datorate magnetizarii rotitoare a acestuia.
Pierderi suplimentare in miez se produc datorita pulsatiei campului magnetic din intrefier. Datorita crestarii armaturii rotorului, inductia magnetica oscileaza intre o valoare maxima, corespunzatoare axei dintelui si una minima, corespunzatoare axei crestaturii, frecventa acestor oscilatii fiind f2 = Z2 n , unde Z2 este numarul de crestaturi ale rotorului. Aceasta componenta oscilatorie determina pierderi suplimentare importante in piesele polare, atunci cand acestea nu sunt realizate din tole. Frecventa f2 avand valori ridicate, patrunderea acestui camp in piesele polare este redusa, de unde denumirea de pierderi de suprafata asociate campului pulsatoriu.
In conditiile functionarii cu tensiune la borne constanta, pierderile magnetice pot fi considerate ca independente de regimul de sarcina.
c) Pierderile la contactul perii-colector se evalueaza cu expresia:
![]()
unde DUp I (0,4.2,4) V reprezinta caderea de tensiune pe o pereche de perii, marime care depinde de natura periilor si de caracteristicile contactului.
d) Pierderile principale in infasurarile parcurse de curentul rotoric IA - infasurarea indusului , infasurarea de compensare si infasurarea polilor auxiliari - au expresia:
![]()
unde RA este rezistenta ansamblului acestor infasurari.
e) Pierderi suplimentare in infasurari sunt cele
datorate fenomenului refularii curentului si cele datorate
prezentei unor armonici in curba curentului de alimentare, cum este cazul
motoarelor alimentate prin convertoare statice.
In cazul comutatiei liniare, curentul in indus variaza ca in figura 2.36, frecventa acestuia fiind f = 1/T = pn/60. Descompunerea in serie pune in evidenta o succesiune de armonici In n = 1,3,5..; pierderile suplimentare in infasurari au expresia:
![]()
unde kr n este factorul de majorare a rezistentei infasurarii, corespunzator armonicii n. Evaluarea
Fig. 2.36 acestui factor face apel la modelarea campului in
crestatura, portiunea din circuitul infasurarii unde efectul este predominant.
f) Pierderile in excitatie, respectiv puterea consumata pentru asigurarea campului magnetic inductor, au expresia:
![]()
2.6.3. Bilantul puterilor
In cazul functionarii ca generator, masina primeste puterea mecanica P1 = M1 W, de la motorul de antrenare si puterea electrica, Pex = Uex Ie de la sursa de alimentare a excitatiei, atunci cand masina are excitatie independenta. In cazul generatorului autoexcitat, aceasta putere este inclusa in puterea preluata de la masina de antrenare.
Diagrama din figura 2.37 evidentiaza modul de repartizare a puterii consumate, P1+Pex, cu componentele:
- Pex, pierderile in excitatie;
- Pm,fv, pierderile de frecare mecanica si de ventilatie;
- PFe, pierderile in circuitul magnetic;
- Pp, pierderile in contactul perii colector;
- Pj, pierderile Joule in infasurari.
Marimea :
![]()
este puterea electromagnetica, avand expresiile:

![]()
Fig. 2.37
In cazul functionarii ca motor masina primeste puterea electrica, P1 = Ub IA, absorbita din reteaua de alimentare a indusului si puterea electrica Pex = UexIe, de la sursa de alimentare a excitatiei. Daca motorul este autoexcitat aceasta putere este inclusa in prima componenta, a carei expresie devine P1 = UbI = Ub(IA + I e) la motorul derivatie, respectiv P1 = Ub IA la motorul serie, unde IA s Ie.
Diagrama din figura 2.38 evidentiaza bilantul puterilor in regimul de motor. Marimea:
![]()
este puterea electromagnetica, avand expresiile :
![]()
in cazul motorului cu excitatie independenta.

PFe
![]()
![]()
Fig. 2.38
Pj Pex Pm,fr
Exprimand puterea
totala consumata, inclusiv de excitatie, in raport cu puterea
utila P2 sub forma:
,
unde
sunt pierderile
totale, randamentul are expresiile:

Evident ca acest parametru important depinde de regimul de sarcina al masinii, respectiv de valoarea puterii utile P2; h = 0 la functionarea in gol pentru, cand P2 = 0.
Randamentul nominal este acela pentru care masina fiind alimentata cu tensiunile nominale si avand turatia nominala dezvolta puterea nominala, P2 = P2n. Valorile uzuale sunt 75%.85% pentru masini in gama puterilor nominale 1.10 kW si 90%.94% pentru masini de putere mare, 150.2000 kW.
2.6.4. Determinarea experimentala a pierderilor si a randamentului
Evaluarea pe cale experimentala a pierderilor si a randamentului masinilor de curent continuu se efectueaza prin mai multe directe:
- metode directe: - metoda motor-generator;
- metoda franei;
- metoda masinii tarate;
- metode indirecte: - metoda functionarii in opozitie;
- metoda separarii pierderilor;
In cazul ca experimentarile impun functionarea masinii incercate in regimuri diferite de cel de destinatie (de exemplu este destinata a fi generator, iar in cadrul experimentarii functioneaza ca motor), evaluarea randamentului si pierderilor impun asigurarea conditiile nominale de turatia, inductie magnetica, respectiv tensiune electromotoare, curentii in infasurari, etc.
a) Metoda motor - generator presupune
existenta a doua masini identice, care se cupleaza mecanic;
una va functiona ca motor, fiind alimentata de la o sursa de
curent continuu, fig. 2.39, cu tensiunea la borne Ub = Ubn
iar cea de-a doua va functiona ca generator, debitand pe rezistenta
de sarcina Rs.
Schema mai contine reostatul de pornire Rp, reostatul de excitatie Re1, prin intermediul caruia se regleaza turatia la valoarea nominala si reostatul de excitatie Re2 pentru reglajul starii de magnetizare nominale al masinii generator.
Masurand puterea absorbita de motor P1M si puterea debitata de generator P2G , pierderile totale intr-o masina sunt :
![]()
iar randamentul este
.
b) Metoda franei presupune functionarea masinii de incercat ca motor, incarcat in sarcina cu orice instalatie care indeplineste rolul functional de frana. Se masoara puterea electrica P1M absorbita, turatiei n si cuplului Mr dezvoltat de la ax. Puterea utila fiind:
,
randamentul masinii incercate pentru regimul de exploatare ca motor rezulta:
![]()
Daca masina de incercat este destinata sa functioneze ca generator, atunci in determinarea randamentului ei prin aceasta metoda, in care ea functioneaza ca motor, se au in vedere urmatoarele:
pentru a nu schimba sensul campului magnetic de reactie a indusului, masina va avea un sens invers de rotatie in raport cu sensul sau normal de functionare ca generator;
pentru a avea fluxul magnetic inductor specific regimului de generator, masina se alimenteaza cu tensiunea la borne Ub = Ubn + 2 (RAIA + DUp), unde Ubn este tensiunea nominala a generatorului;
pentru a putea asigura curentul nominal de excitatie Ien specific regimului de generator, excitatia se alimenteaza de la o sursa separata.
Daca hM este randamentul determinat
al masinii functionand ca motor pentru un regim de sarcina
caracterizat de curentul in indus IA, atuncii pierderile
corespunzatoare sunt
, ceea ce inseamna ca pentru acelasi regim de
sarcina, dar functionand ca generator randamentul are expresia:
![]()
c) Metoda masinii tarate consta in cuplarea masinii de incercat cu o masina tarata, respectiv careia i se cunoaste randamentul in functie de gradul de incarcare in sarcina hT (P2T), sau hT (P1T), P1T , P2T fiind puterile absorbita, respectiv debitata ale masinii tarate.
Randamentul motorului de incercat este:
![]()
unde P2T este puterea debitata de generatorul tarat, iar P1M este puterea absorbita de motorul incercat.
Randamentul generatorului incercat este:

unde P2G este puterea debitata de generatorul de incercat, iar P1T este puterea absorbita de motorul tarat.
d) Metoda opozitiei presupune de asemenea in existenta a doua masini identice, care sunt cuplate mecanic si au circuitele celor doua indusuri conectate in paralel. Succesiunea operatiilor este urmatoarea:
se porneste una din masini ca motor in gol, cu comutatorul Kp, fig. 2.40, deschis;
cu ajutorul reostatului propriu Re1, se fixeaza turatia la valoarea nominala;
se regleaza
curentul de excitatie al celei de a doua masini pana cand
tensiunile la bornele indusurilor celor doua masini devin egale
si de aceeasi polaritate, ceea ce inseamna indicatie
nula a voltmetrului V1;
apoi cele doua indusuri se pun in paralel prin inchiderea
intrerupatorului Kp.
Determinarea valorii randamentului corespunzator curentului nominal In in indus presupune reglajul curentilor IAM, IAG , fig. 2.40, prin reducerea curentului de excitatie al motorului si cresterea curentului de excitatie al generatorului, astfel ca pierderile totale in infasurari sa fie egale cu suma pierderilor nominale, adica:
Fig.
2.40 ![]()
RA este rezistenta circuitului indusului.
Pentru ca suma pierderilor magnetice ale masinilor cuplate in opozitie sa fie egala cu suma pierderilor in regimul nominal de functionare, se regleaza tensiunea la bornele grupului in functie de regimul in care urmeaza sa fie utilizate masinile, respectiv la valorile:
, pentru functionare ca generatoare si
, pentru functionare ca motoare
Puterea UI absorbita de cele doua masini in opozitie din retea este, cu exceptia puterii de excitatie, dublul pierderilor de putere totale intr-o masina. Prin urmare, randamentul nominal se evalueaza cu relatia:
![]()
e) Metoda separarii pierderilor consta in efectuarea unei serii de incercari asupra masinii de studiat avand ca scop:
determinarea pierderilor de frecare mecanice si de ventilatie si de ventilatie ;
determinarea pierderilor magnetice;
determinarea pierderilor Joule in infasurari;
Aceste incercari nu presupun incarcarea masinii in sarcina.
Determinarea pierderilor Joule in infasurari presupune masurarea rezistentelor respectivelor infasurari la temperatura conventionala de lucru, dependenta de clasa de izolatie a masinii.

![]()
Pierderile magnetice si cele
mecanice si de ventilatie se determina prin prelucrarea
rezultatelor unei incercari de mers in gol a masinii ca motor la
turatia nominala. Prin extrapolarea curbei puterii P0
absorbite de circuitul indusului in functie de tensiunea de alimentare U pana la valoarea U = 0,
pentru care pierderile magnetice sunt nule, fig. 2.41, se determina
pierderile mecanice si de ventilatie Pm,fv. Aceste
pierderi rezulta mai corect prin extrapolarea dependentei P0 (U2), care este o
dreapta.
Pentru valoarea Ub a tensiunii, fig. 2.41, P0 - Pm,fv este suma dintre pierderile magnetice PFe si pierderile Joule in infasurarile parcurse de curentul de mers in gol I0.
Daca
se doreste separarea in continuare a pierderilor magnetice PFe, in cele doua componente, prin histerezis
si prin curenti turbionari, atunci se efectueaza doua
incercari la doua turatii diferite n1 si n2
cu mentinerea neschimbata a inductiei magnetice, respectiv a
marimii
. Deoarece:
Fig. 2.41
si ![]()
pot fi calculati coeficientii a si b, respectiv separate pierderile prin histerezis, PFeH = a n si pierderile prin curenti turbionari, PFef = b n2.
|
Politica de confidentialitate |
| Copyright ©
2025 - Toate drepturile rezervate. Toate documentele au caracter informativ cu scop educational. |
Personaje din literatura |
| Baltagul – caracterizarea personajelor |
| Caracterizare Alexandru Lapusneanul |
| Caracterizarea lui Gavilescu |
| Caracterizarea personajelor negative din basmul |
Tehnica si mecanica |
| Cuplaje - definitii. notatii. exemple. repere istorice. |
| Actionare macara |
| Reprezentarea si cotarea filetelor |
Geografie |
| Turismul pe terra |
| Vulcanii Și mediul |
| Padurile pe terra si industrializarea lemnului |
| Termeni si conditii |
| Contact |
| Creeaza si tu |