Incercarile de functionare in gol si in scurtcircuit - transformator
Pentru determinarea experimentala a pierderilor de putere activa intr-un transformator se executa incercarile de functionare in gol si in scurtcircuit. Din aceste incercari se determina si parametrii necesari pentru stabilirea schemei echi-valente a transformatorului.
Pierderile de putere activa in transformator sunt de doua forme: pierderi in fierul magnetic pFe si pierderi in cuprul infasurarilor pCu. Si a doua forma de pier-deri se datoreaza transformarii energiei electrice in caldura. Pierderile in fier, reprezinta suma pierderilor prin curenti turbionari si histerezis magnetic, si la frec-venta data f sunt proportionale cu patratul fluxului magnetic.
Pierderile in cupru pCu, reprezinta suma pierderilor in cuprul infasurarii pri-mare pCu1 si in cuprul infasurarii secundare pCu2, si sunt proportionale cu patratul curentilor ce trec prin infasurari. Pentru determinarea pe cale experimentala a celor doua forme de pierderi, este necesar a se indeplini urmatoarele conditii:
a) la efectuarea incercarilor transformatorul nu trebuie sa debiteze putere consumatorilor, adica puterea absorbita de infasurarea lui primara, tre-buie sa echilibreze numai pierderile din transformator;
b) montajul experimental este astfel incat una din cele doua forme de pier-deri sa fie de valoare mica, incat aceasta se poate neglija.
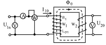
La incercarea de functionare in gol,
infasurarea secundara a transformato-rului este deschisa
si nu cedeaza putere la consumatori. Puterea consumata
acopera numai pierderile din transformator. Deoarece I2=0, pierderile din infasurarea se-cundara
sunt nule. In acest caz, pierderile in regimul de functionare de gol p10 sunt determinate de
pierderile in fier pFe
si de pierderile in cuprul infasurarii primare pCu10, adica puterea
absorbita la functionarea in gol
unde
.
Deoarece curentul la functionarea in gol
I10 este foarte mic,
, de unde
, adica in regimul de functionare in gol, se
pot determina pe cale experimentala, pierderile in fier. In acest
scop se realizeaza schema din fig.2.25.

Fig.2.25 Schema de montaj pentru incercarea la functionarea in gol
Pentru 8-10 valori ale tensiunii de alimentare aplicata in primar in domeniul U1=(0U1n) se citesc marimile I10, P10, Q10, U20, si se calculeaza:
raportul de transformare
- pentru transformatoarele coboritoare de tensiune (2.31)
respectiv
-pentru transformatoarele ridicatoare de tensiune (2.32)
(in ambele cazuri k>1).
curentul de functionare in gol raportat
(2.33)
ca raport intre curentul nominal la functionarea in gol si curentul nominal al infasurarii primare la functionarea in sarcina I1n, unde:
(
-puterea aparenta a circuitului primar) (2.34)
unde: curentul nominal la functionarea in gol I10n, este acel curent ce trece prin infasurarea primara a transformatorului functionand in gol, primarul fiind alimentat cu tensiunea nominala U1n.
factorul de putere la functionarea in gol ce se determina cu relatia:
(2.35)
Se observa ca acesta depinde de gradul de
saturatie al trasformatorului, deoarece cresterea gradului de
saturatie determina cresterea curentului
absorbit la
functio-narea in gol si in consecinta factorul de putere
scade, transformatorul absorbind o insemnata putere reactiva.
parametrii circuitului de magnetizare din
schema echivalenta a trans-formatorului ce
functioneaza in gol, se deduc considerind ca
respectiv,
. Deci, la functionarea in gol, schema echivalenta
este reprezentata de un circuit R0 - X0
in paralel (fig.2.26), astfel incat obtinem:
impedanta de magnetizare
(2.36)
componenta activa si reactiva a curentului de functionare in gol
respectiv
[A] (2.37)
rezistenta corespunzatoare pierderilor in fier
(2.38)
reactanta de magnetizare
sau
(2.39)
In fig.2.26 ce reprezinta schema echivalenta a transformatorului la functiona-rea in gol semnificatia notatiilor este urmatoarea:
- rezistenta de faza a
infasurarii primare;
- curentul de faza prin
infasurarea primara la functionarea in gol;
- reactanta de dispersie a
infasurarii primare la functionarea in gol;
- parametrii circuitului de magnetizare.
Fig.2.26 Schema echivalenta a transformatorului electric
monofazat la functionarea in gol
In urma efectuarii
masuratorilor si calculelor necesare se traseaza dependentele:
a caror
aliura se prezinta in figura 2.27.
![]()
![]()
![]()

Fig.2.27 Caracteristicile transformatorului electric monofazat
la functionare in gol
La incercarea de functionare
in scurtcircuit, bornele infasurarii secundare ale
transformatorului se leaga in scurtcircuit, incat U2=0. Prin urmare transformato-rul nu cedeaza putere
la consumatori. Daca in acest regim, infasurarii primare i
se aplica tensiunea nominala U1n,
prin infasurarile transformatorului vor trece curenti mari
si el se va distruge. Iata de ce se realizeaza asa numita
incercare artificiala de functionare in scurtcircuit, in care
infasurarii primare i se aplica tensiune redusa (nu
mai mare de 5÷15% din U1n),
incat curentii din infasurarile primara si
secundara sa nu depaseasca valorile lor nominale
.
Deoarece in acest
regim de functionare, tensiunea de alimentare este sensibil mai mica
decat U1n, fluxul
magnetic este mult mai mic. Din acest motiv, pierderile in fier sunt mult mai
mici si se pot neglija (
).
Iata de ce in regimul de
functionare in scurtcircuit se determina pierderile in cuprul
infasurarilor (
). In acest sens se realizeaza schema indicata in
fig.2.28.

Fig.2.28 Schema de montaj pentru realizarea incercarii
la functionarea in scurtcircuit a transformatorului
Pentru 8-10 valori ale tensiunii de alimentare aplicata in primar in domeniul U1k=(012%)U1n se citesc marimile I1k, P1k, Q1k si se calculeaza:
pierderile in cuprul infasurarilor prin efect Joule-Lentz ce reprezinta puterea absorbita de
transformator de la retea la incercarea de scurtcircuit de proba. Se
stie ca
si neglijand caderile de tensiune
rezulta
potrivit relatiei
Deci
incat
. La scurtcircuitul de proba
are valoare
redusa
si anume
, incat pierderile in fier se pot neglija fata de
pierderile din infasurari. Asadar, se poate considera
ca puterea absorbita de transformator de la retea la
scurcircuitul de proba, reprezinta chiar pier-derile in cupru prin efect
Joule-Lenz. Deci:
rezistenta
de scurtcircuit a transformatorului;
- rezistenta
secundarului transformatorului raportata la pri-marul transformatorului.
Pentru
se obtin pierderile de scurtcircuit
nominale
la
tempera-tura standard nominala
(750C pentru clasele de izolatie A, E, B, sau 1150C pentru
clasele de izolatie F, H, C)
potrivit relatiei
- pentru conductoare de cupru in care
este temperatura
transformatorului in momentul masurarii pierderilor
.
factorul de putere la functionarea in scurtcircuit se determina pe baza datelor experimentale:
(2.40)
componentele tensiunii de scurtcircuit se pot determina ca si tensiunea de scurtcircuit in valori absolute sau in procente;
componenta activa a tensiunii de scurtcircuit:
a) in valoare absoluta
[V] (2.41)
b) in procente
(2.42)
componenta reactiva a tensiunii de scurtcircuit
a) in valoare absoluta
[V] (2.43)
b) in procente
(2.44)
sau:
unde:
- tensiunea de
scurtcircuit, in valoare absoluta in volti;
- tensiunea
de scurtcircuit, in procente.
parametrii de scurtcircuit ai transformatorului potrivit schemei echivalente a transformatorului la functionarea in scurtcircuit (fig.2.29)
Impedanta
de scurtcircuit
(2.45)
Rezistenta de scurtcircuit:
sau
(2.46)
Reactanta de scurtcircuit:
sau
(2.47)
Fig.2.29 Schema echivalenta a transformatorului electric
monofazat la functionarea in scurtcircuitul de proba
In urma efectuarii
masuratorilor si calculelor necesare se traseaza dependentele:
a caror
aliura se prezinta in figura 2.30.
![]()
Fig.2.30 Caracteristicile transformatorului electric monofazat
la incercarea de functionare in scurtcircuit
|
Politica de confidentialitate |
| Copyright ©
2025 - Toate drepturile rezervate. Toate documentele au caracter informativ cu scop educational. |
Personaje din literatura |
| Baltagul – caracterizarea personajelor |
| Caracterizare Alexandru Lapusneanul |
| Caracterizarea lui Gavilescu |
| Caracterizarea personajelor negative din basmul |
Tehnica si mecanica |
| Cuplaje - definitii. notatii. exemple. repere istorice. |
| Actionare macara |
| Reprezentarea si cotarea filetelor |
Geografie |
| Turismul pe terra |
| Vulcanii Și mediul |
| Padurile pe terra si industrializarea lemnului |
| Termeni si conditii |
| Contact |
| Creeaza si tu |