Tranzistorul
bipolar este un dispozitiv semiconductor cu doua jonctiuni in
succesiune npn sau pnp. Cele trei zone se numesc emitor (E), baza
(B), colector (C).
Tranzistoarele pot fi "pnp" (zona din mijloc dopata cu elemente "donoare" de electroni, celelalte doua dopate cu elemente "acceptoare"), sau "npn" (dopat invers). Totusi, din cauza grosimii foarte mici a zonei centrale (baza), cele doua jonctiuni nu functioneaza independent si intre terminalele extreme (colector si emitor) poate aparea un curent, aceasta fiind si proprietatea cea mai importanta a tranzistorului, si aceea care permite folosirea lui pe post de amplificator.
|
|
|
|
Se numeste bipolar deoarece conductia este asigurata de doua tipuri de purtatori de sarcina, electroni si goluri.
Particularitati
constructive:
- E este mult mai impurificat decat B sau C;
- B este mult mai subtire decat E si C (de ordinul micronilor sau chiar zecimilor de microni).
In simbolurile grafice corespunzatoare celor doua structuri, npn si pnp (Fig. 2.1), sageata din simbol corespunde jonctiunii pn emitor-baza (varful sagetii merge intotdeauna de la zona p spre zona n) si arata si sensul normal pozitiv al curentului principal prin tranzistor.

Fig. 2.1 Structura si simbolurile grafice ale tranzistorului bipolar
Se pot defini trei curenti si trei tensiuni (Fig. 2.2), dar pentru descrierea functionarii nu sunt necesare toate aceste sase marimi. Tensiunile si curentii sunt legate prin relatiile:
uCB = uCE + uEB si iE = iB + iC

Fig. 2.2 Curentii si tensiunile tranzistorului bipolar
Deoarece tranzistorul amplifica in putere, adica transfera curentul din circuitul de intrare de rezistenta mica in circuitul de iesire de rezistenta mare, de aici denumirea TRANSfer reZISTOR adica transfer de rezistenta.
In
functie de modul in care sunt polarizate cele
doua jonctiuni,
un tranzistor bipolar se poate afla in urmatoarele
regimuri de functionare:
a) regimul activ normal, in care jonctiunea emitor-baza este polarizata direct iar jonctiunea colector-baza este polarizata invers. In acest regim se obtine cea mai mare amplificare;
b) regimul invers in care jonctiunile sunt polarizate invers fata de cazul anterior;
c) regimul de blocare in care ambele jonctiuni sunt polarizate invers. In acest caz tranzistorul este blocat (prin el nu circula curent);
d) regimul de saturatie in care cele doua jonctiuni sunt polarizate direct.
Curentii tranzistorului. Notand IE (
unde - coeficient de transfer al emitorului) acea parte
a curentului emitorului care trece prin jonctiunea colectorului, vom scrie
expresia pentru curentul colectorului in modul urmator:
IC = IE + ICB0
Curentul invers al colectorului. ICB0 este egal cu curentul ce trece prin jonctiunea colectorului, cand la colector se aplica tensiune inversa si cand curentul emitorului este egal cu zero.
Prin contactul bazei trece curentul IB, care este egal cu diferenta dintre curentul emitorului si colectorului:
IB = IE - IC
Din cele doua relatii avem:
IB = IE (1 - ) - ICB0
Daca vom deconecta circuitul emitorului (IE = 0 si IC = ICB0), atunci vom avea:
-IB = ICB0
In asa mod, prin contactul emitorului (circuitul emitor - baza) curge curentul de dirijare IE (de intrare), prin contactul colectorului (circuitul colector - baza) - curentul de dirijare IE (de iesire) si curentul invers al colectorului ICB0, iar prin contactul bazei - diferenta curentului emitorului si colectorului.
In tranzistoarele reale curentii IE si IC si cresterile lor IE si IC sunt aproximativ egale dupa valori.
Coeficientii de transfer a curentilor. Modificarea
curentului colectorului rezultata din modificarea curentului emitorului
este conditionata numai de electroni. Insa, curentul total al
emitorului este determinat atit de electroni cat si de goluri. Cu cat mai
multi electroni (in comparatie cu numarul golurilor) trec prin
jonctiunea emitorului si cu cat mai putini din acesti electroni
se recombina in baza, neajungand la jonctiunea colectorului, cu
atat mai bine tranzistorul transmite schimbarile curentului emitorului in
circuitul colectorului.
Coeficientul static de transfer al emitorului poate fi determinat dupa formula:
Coeficientul static de transfer al curentului bazei poate fi determinat dupa formula:
Caracteristicile
statice ale unui tranzistor bipolar sunt grafice ce reprezinta
dependenta dintre curentii ce trec prin bornele tranzistorului si
tensiunile ce se aplica la aceste borne.
Tranzistorului fiind un dispozitiv cu trei borne, in orice schema electrica el poate fi conectat in trei moduri diferite: conectare cu baza comuna (BC) (Fig. 2.3.a), conectare cu emitorul comun (EC) (Fig. 2.3.b) si cu colectorul comun (CC) (Fig. 3.3.c).

a - baza comuna; b - emitor comun; c - colector comun
Fig. 2.3 Moduri fundamentale de conectare ale tranzistorului
Fiecare
din schemele de conectare ale tranzistorului se caracterizeaza prin patru
familii de caracteristici:
Iies = f (Uies)
Uin = f (Iin)
Iies
= f (Iin)
Uin = f (Uies)
In cataloage de obicei sunt prezentate primele doua tipuri de caracteristici (de intrare si de iesire), caci sunt cele mai importante si utilizabile.
Indiferent
de tipul tranzistorului, in planul caracteristicilor de iesire
se disting trei regiuni de lucru :
- regiunea de saturatie care se afla in extremitatea stanga a caracteristicilor de iesire;
- regiunea de blocare care se afla sub caracteristica IB = 0;
- regiunea activa normala de lucru care se afla intre cele doua regiuni de blocare si saturatie.
Asigurarea
integritatii tranzistoarelor necesita considerarea unor
limitari impuse marimilor ce le determina regimul de lucru.
Valorile maxime absolute sunt valori care nu trebuie depasite in
timpul functionarii montajului, deoarece se pot produce defectarea
tranzistorului.
De regula in aceasta grupa apar:
tensiunile maxime intre terminale: VCB0, VCE0, VEB0;
curentul maxim de collector si de baza: ICM, IBM;
puterea maxima disipata: Ptot;
temperature maxima a jonctiunii: TjM.
O regula practica utila recomanda incarcarea tranzistorului la cel mult, 0,75 din valorile de catalog ale acestor parametri.
Tranzistoarele pot
fi folosite in echipamentele electronice cu componente discrete, in
amplificatoare de semnal (in domeniul audio, video, radio), amplificatoare de
instrumentatie, oscilatoare, modulatoare si demodulatoare, filtre,
surse de alimentare liniare sau in comutatie sau in circuite integrate,
tehnologia de astazi permitand integrarea intr-o singura
capsula a milioane de tranzistori.
Competenta: Identifica componentele electronice analogice
Verifica functionalitatea componentelor electronice analogice
Obiectivul/obiective vizate:
Dupa parcurgerea acestei activitati vei fi capabil sa:
colectezi datele numerice corespunzatoare activitatii planificate;
selectezi datele obtinute din masuratori sau alte surse;
inregistrezi datele;
ridici caracteristicile staticile ale unui tranzistor bipolar;
formulezi concluzii pe baza unei analize critice.
Durata: 50 min.
Tipul
activitatii: experimentul
Sugestii: elevii
se pot organiza in grupe de 3 - 4
elevi
Sarcina de lucru:
Reprezentati grafic caracteristicile de intrare si de iesire pentru un tranzistor bipolar.
Mod de lucru:
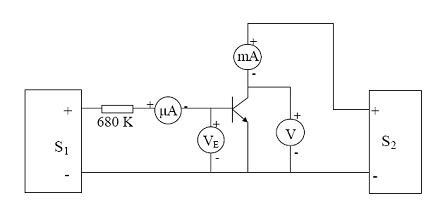
Ridicarea caracteristicilor de intrare ale tranzistorului in conexiune EC

Fig. 1. Montaj pentru ridicarea caracteristicilor de intrare ale tranzistorului in conexiune EC
Tab. 1. Datele experimentale pentru caracteristicile de intrare
|
UCE [v] |
IB [μA] |
||||||||
|
|
UBE [v] |
||||||||
|
UBE [v] |
|||||||||
|
UBE [v] |
Ridicarea caracteristicilor de iesire ale tranzistorului in conexiune EC

Fig. 2. Montaj pentru ridicarea caracteristicilor de iesire ale tranzistorului in conexiune EC
Tab.2. Datele experimentale pentru caracteristicile de iesire ale tranzistorului in conexiune EC
|
IB [μA] |
UCE [v] |
||||||||||||
|
IC [mA] |
|
||||||||||||
|
IC [mA] |
|||||||||||||
|
IC [mA] |
|||||||||||||
|
IC [mA] |
|||||||||||||
|
IC [mA] |
Reprezentati grafic pe aceeasi foaie familia de caracteristici de intrare ale tranzistorului;
Reprezentati grafic pe aceeasi foaie familia de caracteristici de iesire ale tranzistorului.
Daca ati realizat cerinta, treceti la
activitatea urmatoare, in caz contrar consultati fisa de
documentare 2.1 si refaceti activitatea.
|
Politica de confidentialitate |
| Copyright ©
2025 - Toate drepturile rezervate. Toate documentele au caracter informativ cu scop educational. |
Personaje din literatura |
| Baltagul – caracterizarea personajelor |
| Caracterizare Alexandru Lapusneanul |
| Caracterizarea lui Gavilescu |
| Caracterizarea personajelor negative din basmul |
Tehnica si mecanica |
| Cuplaje - definitii. notatii. exemple. repere istorice. |
| Actionare macara |
| Reprezentarea si cotarea filetelor |
Geografie |
| Turismul pe terra |
| Vulcanii Și mediul |
| Padurile pe terra si industrializarea lemnului |
| Termeni si conditii |
| Contact |
| Creeaza si tu |