Lucrare de laborator
Scopul lucrarii:
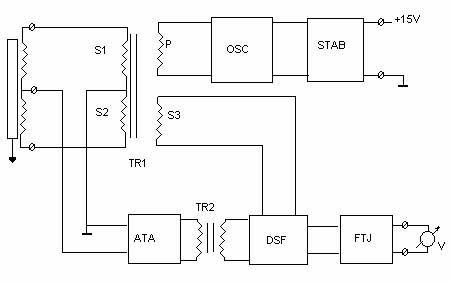
In aceasta lucrare se studiaza caracteristicile traductoarelor inductive diferentiale de tip PR 9314/20 si PR 9314/05 si functionarea convertoarelor de masurare a deplasarilor .
Exista doua sisteme de masurare, ambele avand ca marime de intrare deplasarea plan paralela a masutei, care se realizeaza prin deplasarea unui surub micrometric. Deplasarea totala este de 20 mm.
Schema bloc:
Desfasurarea lucrarii:
Se vor determina caracteristicile xME(x), L1(x), L2(x), unde xME este deplasarea masurata electric cu voltmetru la iesirea convertorului PR 9309, L1 si L2 inductivitatile bobinei traductorului studiat (PR 9314/05), iar x deplasarea masurata mecanic, cu surubul micrometric. In acest scop surubul micrometric se aduce la 0.00 si se dau deplasari din 2mm in 2mm pana la sfarsitul domeniului. Inductivitatile L1 si L2 se masoara cu o punte RLC.
|
x | |||||||||||
|
xME | |||||||||||
|
L1 | |||||||||||
|
L2 |
Se traseaza caracteristicile xME(x), L1(x), L2(x) si L1(x)-L2(x).

|
Politica de confidentialitate |
| Copyright ©
2025 - Toate drepturile rezervate. Toate documentele au caracter informativ cu scop educational. |
Personaje din literatura |
| Baltagul – caracterizarea personajelor |
| Caracterizare Alexandru Lapusneanul |
| Caracterizarea lui Gavilescu |
| Caracterizarea personajelor negative din basmul |
Tehnica si mecanica |
| Cuplaje - definitii. notatii. exemple. repere istorice. |
| Actionare macara |
| Reprezentarea si cotarea filetelor |
Geografie |
| Turismul pe terra |
| Vulcanii Și mediul |
| Padurile pe terra si industrializarea lemnului |
| Termeni si conditii |
| Contact |
| Creeaza si tu |