Dimensionarea si alegerea utilajelor si echipamentelor pentru izolarea termica a locuintei
1. Alegerea si dimensionarea corpurilor de incalzire statice
Corpul de incalzire se alege functie de preferintele beneficiarului, posibilitatile de amplasare, specificul incaperii si activitatii si nu in ultimul rand de parametrii termohidrodinamici ai agentului termic.
Calculul de dimensionare se face in conformitate cu prevederile generale din STAS 1797/2, corelate cu prevederile particulare ale normelor de fabricatie, instructiunilor de utilizare, prospectelor si agrementelor corpurilor de incalzire.
Marimea si numarul corpurilor de incalzire montate intr-o incapere se determina prin calcul astfel incat puterea termica "Φ' a acestora sa fie cel putin egala cu necesarul Q al incaperii conform SR 1907-1
In proiect vom promova in general radiatoarele din tabla de otel PLATTELLA in sistem bitubular.
Puterile termice ale corpurilor de incalzire sunt date de producator pentru temperaturile agentului 90-70°C functie de marimea corpurilor de incalzire.
In aceasta varianta "a cunoasterii puterii nominale Qn[w/corp] a fiecarei tipodimensiuni de corp de incalzire' se alege corpul cu acea tipodimensiune ce corespunde relatiei:
[w/corp]
In care:
- Ct - coeficientul de corectie pentru diferite medii de temperatura altele decat cea nominala functie de exponentul n=1,3
|
Temperatura agentului |
Temperatura interioara [°C] |
|||
|
Termic | ||||
- Cr- coeficientul ce tine seama de modul de racordare. In cazul nostru avand in general racordarea "in linie' si Cr=1,0.
Cm - coeficientul ce tine seama de locul si modul de montare . In cazul proiectului este pe peretele exterior la fereastra cu pervaz la 150mm de la niplu. Se alege Cm=0,97
Ch- coeficientul de altitudine ; Ch = 1,0
- Cv-coeficientul pentru
culoarea corpului
Pentru produse livrate gata vopsite
, Cv=1,0
Deci in final:

in continuare se prezinta caracteristicile corpurilor de incalzire PLATTELLA prevazute in cadrul proiectului in obiectivul "Locuinta individuala'.
Centrala termica dispune de agent termic apa calda 95/75 °C
Tabel. Caracteristicile corpurilor de incalzire montate in incaperile vilei.
|
Denumirea incaperii Indicativ/functie |
Necesarul de caldura |
Ct |
Tip corp |
Caracteristici corp incalzire |
||
|
[W] |
L mm |
H mm |
||||
|
P03- Birou |
11k | |||||
|
P04-G.S** |
RgV | |||||
|
P05-Garaj ** |
Rg-0 | |||||
|
P06 - Vestibul |
11k | |||||
|
P07 - Bucatarie |
11k | |||||
|
P08 - Loc luat masa |
11k | |||||
|
E02 - Dormitor |
|
11k | ||||
|
E03-Baie ** |
Rgv | |||||
|
E04 - Dormitor |
11k | |||||
|
E05-Baie ** |
Rgv | |||||
|
M01 - Mansarda * |
11k | |||||
|
P01 - Camera zi * | ||||||
|
P02 - Hol * | ||||||
|
E01 - Supanta si hol * | ||||||
|
E06 - Dormitor |
11k | |||||
Nota
*Necesarul de caldura este acoperit prin sisteme mixte de incalzire
Camera de zi, supanta si holul prin pardoseli radiante
Mansarda prin pardoseli radiante si radiatoare PLATTELLA **Corpurile de incalzire sunt registre de tip IRIC.
In general radiatoarele se vor amplasa sub pervazul ferestrelor.
2. Dimensionarea din punct de vedere termic a pardoselilor radiante
a) Prevederi teoretice privind algoritmul de calcul
In prezentarea relatiilor de calcul si precizare a caracteristicilor pardoselilor radiante (cu instalatia de incalzire inglobata in pardoseala) s-a adoptat elementele sistemului de incalzire LAING QUALITHERM 2000, utilizand posibilitatile oferite de acestea.
Calculul necesarului de caldura al incaperilor
Necesarul de caldura se va calcula conform S.R 1907-1 tinand cont de conditiile specifice ale incalzirii prin pardoseala radianta.
In incaperile cu pardoseala radianta nu este nevoie de corectie de temperatura pentru sistemul termic.
Calculul de predimensionare a incalzirii prin pardoseala radianta
Scopul consta in adoptarea deciziilor globale referitoare la pardoseala radianta.
In functie de necesarul specific de caldura se decid camerele care vor fi incalzite astfel, care necesita si alt sistem de incalzire si ce caracteristici necesita sistemul adoptat.
La dimensionarea incalzirilor prin pardoseala radianta se
recomanda ca
valoarea rezistentei la transfer termic a pardoselilor camerelor a
suprafetelor utile
sa se ia :
Rpd=0,1 m2k/w
Prin adoptarea treptei de temperatura de dimensionare se poate determina temperatura maxima a ramurii tur.
Se recomanda:
Δta = tt - tr = 6°c
Daca:
, [°C] si daca
, , [°C]
Diagramele de dimensionare pentru sistemul LAING au fost determinate cu urmatorii parametri:
Densitatea de pozare T = 0,075..0,15..0,3 m
Grosimea stratului de sapa ss = 0,045m si conductivitatea termica a tubului
CD = 1,2 w/mk
Tubul de incalzire LAING
VPE O20 x 2,0 [mm] dt = 0,02 m
ct w/mk
Placa izolanta: tip LAING
QUALITHERM 2000
cz
= 0,04 w/mk
Cedarea caldurii in jos
In cazul unui planseu intermediar caldura cedata in jos este:
Qjs = Kjs * As * (tsm - tje) , [W]
Unde:
, [w/m2
°k]
Rsz =
- izolatie
Rsp
- planseu
Rst =
- tencuiala
In cazul planseelor turnate direct pe sol se va folosi pentru banda periferica de pana la 1,0m, caldura cedata este redata prin relatia:
Qjs = K'js * Ip * (tsm - tje) , [W]
Determinarea
ecartului de temperatura
pentru un circuit "n
oarecare, nedeterminat termic si hidraulic:
Daca
, [°C]
si daca
,[°C]
Dimensionarea din punct de vedere termic a incalzirii prin pardoseala radianta
Se determina campurile cu densitati de pozare diferite, calculate cu temperatura agentului termic determinate in partea precedenta.
Se va imparti suprafata unei incaperi in suprafata utila si suprafata periferica distribuirii functie de raportul suprafetelor puterea termica aferenta.
Pentru incaperea a n-a:
Qn=
, [w/m2]
Unde:
Asn,Apn, Aun - suprafata de incalzire totala, a celei periferice, respectiv a celei utile [m2];
qn, qpn, qun - puterea specifica a incaperii, a suprafetei periferice, respectiv a celei utile [w/m2]
b) Calculul caldurii cedate de pardoseala radianta
Cedarea de caldura spre incaperea incalzita a pardoselilor de tip LAING se determina conform normelor DIN 4725 utilizand metodologia firmei.
Algoritmul de dimensionare a pornit de la faptul ca o suprafata de pardoseala data, avand o temperatura impusa, in cazul proiectului "ts"max, va ceda acelasi flux termic in orice incapere avand temperatura interioara "t".
In schimb, pentru fiecare sistem de incalzire prin pardoseala radianta, exista un flux maxim admisibil "q"max.
Aceasta se calculeaza punand urmatoarele conditii: Pentru suprafetele utile si baie :
TSmax=29°C respectiv 33°C din care tSmax-ti=9 C si pentru suprafata periferica :
TSmax=35°C din care tSmax-ti=15°C
Fluxul termic la suprafata pardoselii este determinata de :
Densitatea de pozare a tubului - T(m)
Stratul acoperitor de sapa , ca strat distribuitor de caldura si de rezistenta cu
grosimea "sa" (m)
si conductivitate termica
cs(w/mK);
Diametrul exterior al tubului dt(m) si conductivitate termica a tubului
λ(w/ m K)
- Rezistenta
la transfer termic a pardoselii finite - Rpd(m2K/w)
Fluxul termic se calculeaza cu formula:
Kps x Δtm [w/m2]
Unde Kps este transmisivitatea termica a pardoselii
Calculele de proiectare a instalatiei de incalzire prin pardoseala a unei incaperi
Incaperile prevazute a fi dotate cu pardoseli radiante sunt prevazute in tabelul de mai jos.
|
Indicativ camera Si functionalitate |
Suprafata [m2] |
Nec. Caldura SR1907-1 [W] |
Suprafata pardoselii Radiante [m2] |
Nec specific De caldura [w/m2] |
|
P01 Camera de zi | ||||
|
P02 Hol | ||||
|
E01 Supanta si hol |
Rezistenta la transfer termic a pardoselilor finite:
Pardoseala de parchet de 2,0 cm - (extras din [])
R=0,075 m2k/w (a se vedea fig 5.1 din [])
Luand in considerare ca in camera de zi si pe hol se va asterne ulterior un covor se considera pentru siguranta R=0,1 m2k/w
a) Calculul de predimensionare
Se propun configuratiile prezentate in plansele anexate.
Avem tabelul de mai jos cu suprafetele radiante pe campuri
|
Indicativ camera |
Suprafata camp [m2] |
TOTAL |
|
||||
|
si functionalitate |
75mm |
150mm |
m2 |
|||
|
P01 Camera de zi |
|
||||||
|
P02 Hol |
|
||||||
|
E01 Supanta si hol |
|
||||||
Necesarul specific de caldura la camerele P01 si E01 sunt destul de mari ceea ce presupune eventualitatea incalzirii si prin alte mijloace - se va alege un pas mai mic.
S-a propus in tabelul anterior suprafete si pasi de retea de 75mm si 150mm.
Astfel pentru camera de zi cu qnec = 138 w, pentru R = 0,1 m2k/w rezulta din diagrama 5.8 [] o supratemperatura ΔtTm = 35°C pentru T = 75mm si ΔtTm = 42°C pentru T= 150mm.
Din conditia temperaturii maxime admise la suprafata pardoselii avem urmatoarele fluxuri maxime admise:
Avand relatia:
qmax =αi (tsmax - ti)
rezulta:
Pentru suprafete utile active: qmax = 8 9 = 72 w/m2
Pentru suprafete utile periferice: qmax = 6 * 15 = 90 w/m2
Utilizand diagrama 5.8 din [ ], admitand realizarea fluxului maxim rezulta:
si ![]()
In realitate trebuie
sa existe egalitatea intre
si
sau sa adoptam
retea in paralel.
Adoptam o singura retea si utilizand diagrama rezulta:
Pentru q150 = 72 w/m2 o diferenta ΔtTm = 22°C
Si pentru ΔtTm = 22°C un flux q75 = 91 w/m2.
Avand un circuit foarte lung se adopta ΔtT - (tSE - tSV) = 10°C si intrucat
, avem :

Dimensionarea din punct de vedere termic a incalzirii prin pardoseala radianta
Conform relatiei prezentate anterior suprafetele radiante cedeaza urmatoarele cantitati de caldura:
Camera de zi:

![]()
- Hol parter:
Qhp = 8 · 72 = 576 w <935 w
- Supanta si hol:
Qsh = 6 · 91 + 8 · 72 = 1122 W < 3160
Avand in vedere spatiul comun al camerei de zi cu spatiul subpantei vom proceda astfel:
- La etaj incalzirea subpantei si holului se considera numai prin pardoseala si
are Qpde = 1120 w si diferenta 3160 - 1120 = 2040 W se instaleaza la parter.
- La parter, holul are incalzire prin pardoseala cu Qpdph= 575 W diferenta de
935 - 575 = 360 W alocandu-se camerei de zi;
- La parter,camera de zi are incalzire prin pardoseala cu Qpczi=1380 w si un rest
de 3620 - 1380 = 2240 W prin radiator.
Raman de instalat receptori de incalzire pentru preluarea pierderilor neinstalate:
Qpne = 2040 + 360 + 2240 = 4640 W
Se prevede montarea de corpuri statice.
Conform configuratiei retelei incalzitoare a pardoselii mansardei suprafetele radiante sunt:
Suprafata cu retea mixta pasuri 75 si 150mm avand Sm1 = 6,25 m2 si
Sm2 = 11,25 m2 si
Suprafata echer cu pasul 150mm Se = 1,2 * 4,6 * + 2,3 * 1,5 = 9 m2.
Rezulta:
STM = Sm1 + Sm2 + Se = 6,25 + 11,25 + 9,0 = 26,5 m2 Cantitatea de caldura radiata in sus este:
*91+
In care s-au considerat:
q75 = 91 w/m2 si q150 = 72 W/m2
caldura radiata in sus de pardoseala este:
76 x 29,23 = 2200 W.
Mansarda avand Qnec = 4840 W ramane a fi instalat in radiatoare
4840 -2200 = 2640 W.
Caldura in jos se duce in procente:
50% - baie E05
20% - hol E01
15% - dormitor E02
15% - dormitor E04
Calculul caldurii cedate in jos
Aceasta caldura intereseaza pentru incaperile de la parter:
Pe de o parte caldura primita de la etaj;
Pe cealalta parte caldura pierduta in sol/subsol.
Conform relatiilor prezentate pentru planseul intermediar avem:

Si deci:
Pentru mansarda de sus in jos spre etaj:
QMsj = 0,78 x
29,23 x
385 W
Pentru parter de sus in jos spre parter:
QEsj = 0,78 x 14
x
= 240 W
- Pierduta prin pardoseala radianta a parterului spre sol, avem:

![]()

3. Alegerea utilajelor din centrala termica
a) Alegerea cazanului
Cazanul se prevede pentru prepararea agentului de incalzire 90°C-70°C, cu functionare pe combustibil - gaz metan.
Capacitatea cazanului trebuie sa acopere urmatoarele necesaruri de caldura:
incalzire locuinta - (radiatoare/registre,
pardoseli radiante)
25.400 W
apa calda de consum (necesarul pentru
locuinta)
20.000 W
TOTALUL NECESAR este:
47.400 W
In continuare se expliciteaza valorile considerate:
- incalzire locuinta: 25.400 W.
Caldura pentru apa calda de consum este data de
consumul de apa
(conform STAS 1474)
- Apa calda vila: Gav = 6 pers x 60l/pers.zi = 360l/zi
- Consumul de apa zilnic este de 360 l/zi in 10 ore/zi functionare, deci 36 l/h.
- Necesarul de caldura pentru incalzirea apei de la 13°C la 60°C este:
Qacm = G
x c x Δt
36 x 1 x (60 - 13)
17.000kcal/h
20.000 W
Din ofertele cunoscute adecvat pretentiilor beneficiarului si cerintelor functionale ale locuintei se propune: cazanul VAILLANT-VK cu bloc de elementi din fonta.
b) Calculul vasului de expansiune
Volumul total V0 al vasului de expansiune, volumul util Vu, volumul minim Vm in vasul de expansiune, volumul maxim admis VM in vasul de expansiune, in baza legii Boyle-Mariotte avem:
V0=Vu
sau V0=
Surplusul de volum Vu rezultat din dilatarea apei se determina tinand seama de valorile volumului specific al apei la 4°C (°V3 = 1,000 dm3/kg) si la 95°C(V = 1,0396 dm3/kg).
Rezulta: Vu = 0,04 V unde V este volumul apei continut in instalatie.
Volumul de apa V in instalatie se apreciaza a fi de 30 1/1000 kcal/h = 0,03 l/kcal/h.
Avem: Qinst = 60kw = 51600 kcal/h
Deci V = 51600 x 0,03 = 1548 I
Avem: 
Rezulta: 
Si deci: 
Se alege un vas de expansiune inchis cu membrana de 25,0 I.
c) Calculul pompei de circulatie a cazanului
Debitul de apa pentru Δt = 90-70°C si Qinst = 51600 kcal/h se apreciaza in baza relatiei:
![]()
Pierderea de presiune pe traseu se estimeaza astfel:
Pcaz
= 1,5 m col.
= 1,5
mbar.
PD-C
= 0,5 m col.
= 0,5 mbar.
Pcond
= 0,2 col.
= 0,2 mbar.
Total H
= 2,2 m col
.
Se alege o pompa tip GRUNDFOS, racord filet, tip VPS, P, = 50w
d) Alegerea boilerului din CT
Consumul zilnic al vilei este de 360l/zi. Pentru un schimb se apreciaza un consum de 80 I. Se alege un boiler de 120 I cu serpentina tip VAILLANT.
e) Butelie de egalizare a presiunii
Diametrul buteliei Db rezulta din relatia:
[mm]
In care:
Q - este debitul nominal de fluid [m3/h] iar
V - viteza fluidului in butelie [m/s]
Pentru v = 0,1 m/s diametrul buteliei este:
Db
= 60
[mm]
Firmele de specialitate prevad ca diametrul buteliei trebuie sa fie de 3 ori mai mare decat al conductei de racord de la cazane. Diametrul de racord la cazane este de 1'.
Puterea termica nominala a cazanului este de 60 kW (51.600 kcal/h).
Pentru![]()
Din relatia:
, rezulta:
![]()
Deci:
Db =60
=97mm
Se alege teava din otel de 100x3,5mm, care se incadreaza in recomandarile fabricantului.
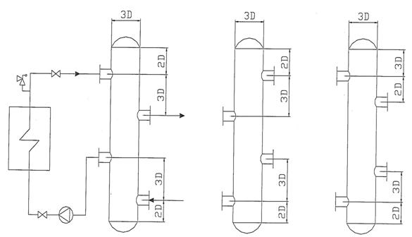
Literatura exemplifica variantele de racordare a buteliei de egalizare a presiunii la instalatia de incalzire, precum sunt redate in figura de mai jos:

a) Variante de butelii cu un singur circuit secundar:

b) varianta pentru mai multe circuite secundare
In proiect se aplica varianta "b' cu distribuitor-colector avand Dn70 mm si racordurile:
-la cazan Dn25;
-la instalatia de incalzire cu corpuri statice -Dn25 mm;
-la instalatia Laing (pentru incalzire prin pardoseala) -Dn 25mm;
-la boilerul de apa calda -Dn 16mm.
|
Politica de confidentialitate |
| Copyright ©
2026 - Toate drepturile rezervate. Toate documentele au caracter informativ cu scop educational. |
Personaje din literatura |
| Baltagul – caracterizarea personajelor |
| Caracterizare Alexandru Lapusneanul |
| Caracterizarea lui Gavilescu |
| Caracterizarea personajelor negative din basmul |
Tehnica si mecanica |
| Cuplaje - definitii. notatii. exemple. repere istorice. |
| Actionare macara |
| Reprezentarea si cotarea filetelor |
Geografie |
| Turismul pe terra |
| Vulcanii Și mediul |
| Padurile pe terra si industrializarea lemnului |
| Termeni si conditii |
| Contact |
| Creeaza si tu |