Aproximatia lui Kapp
Aceasta aproximatie consta in neglijarea totala a caderilor de tensiune primare si secundare, de asa maniera incat sa putem identifica modulele lui E1 cu U1 si respectiv E2 cu U2.
In aceasta ipoteza simplificatoare, schema echivalenta raportata la primar va fi cea din fig. 2.8., in ipoteza alimentarii cu o tensiune sinusoidala de valoare efectiva constanta si egala cu U1.
Fig. 2.8.
Pentru schema din fig. 2.8. vom prezenta incercarile de mers in gol si scurtcircuit, incercari care se fac la toate transformatoarele de catre fabricant
a. Incercarea de mers in gol
Incercarea de mers in gol este caracterizata
de , sau cu alte cuvinte bornele infasurarii
secundare nu sunt conectate la vreo impedanta de sarcina, curentul
Schema echivalenta in aproximatia lui Kapp la mersul transformatorului in gol, este prezentata in fig. 2.9 :
Fig 2.9.
In gol, deci puterea
activa masurata este doar cea disipata in Rfe
si deci :
, de unde :
; cunoscand U10,
I10 si P10 putem deduce factorul de putere cosφ0
la mersul in gol.
; dar
de unde
Din triunghiul puterilor, figura 2.10, puterea reactiva la mersul in gol se poate scrie :
Fig 2.10
=
, de unde :
In concluzie : incercarea la mersul in gol a transformatoarelor ( care se face la tensiunea nominala ) ne permite calcularea a doi parametri transversali ai schemei echivalente, Rfe si Xμ.
b. Incercarea de mers in scurtcircuit
Aceasta incercare se face la curent secundar nominal in transformator, deci la tensiune primara redusa U1sc ; aceasta cea de a doua situatie limita Zs = 0, adica bornele secundare ale transformatorului sunt scurtcircuitate.
Datorita faptului ca incercarea se realizeaza la tensiune redusa, pentru a nu pune in pericol infasurarile transformatorului, I10 poate fi neglijat, iar schema echivalenta de masura devine cea din fig 2.11 :
Fig. 2.11
Deci , in care m este raportul de transformare ; puterea
activa masurata reprezinta in acest caz pierderile de
putere prin efect Joule pe rezistenta serie
.
Vom avea : de unde :
Puterea reactiva Q1sc se va
consuma pe elementele reactive ale schemei, adica pe seria de
reactante inductive : . Folosind triunghiul puterilor, fig 2.10 :
Rezulta :
Deci incercarea de mers in scurtcircuit a transformatorului ne-a permis calculul celorlalte doua elemente ale schemei echivalente ( elementele longitudinale ) : Rsc si Xfsc.
Remarca : Elementele schemei echivalente se pot calcula si pentru schema raportata la secundar cu ajutorul acelorasi incercari.
Din electrotehnica se stie definitia puterii aparente S. In cazul transformatoarelor monofazate puterea aparenta nominala ( inscrisa si pe placuta acestora ) este : Sn =U20I2n.
pentru schema
echivalenta se situeaza complet in aproximatia lui Kapp
pentru putem neglija Rfe, dar trebuie sa tinem
seama totusi de aceasta la calculul randamentului
pentru putem neglija Xμ
c. Comportarea transformatorului monofazat in sarcina
De regula, pentru schema echivalenta in sarcina se utilizeaza schema raportata la primar, in aproximatia lui Kapp ( fig.2.12 ).
Distingem trei modalitati de caracterizare completa a sarcinii :
1.
I2, sau si φ2
2. P2 si Q2
3. impedanta Zs sau admitanta Ys
Fig. 2.12
1. Caracterizarea sarcinii prin I2 si φ2
Reamintim
ca incercarile de mers in gol si
scurtcircuit
ne-au permis sa determinam
elementele
schemei echivalente Rfe, Xμ, Rsc, Xfsc,
I10
Pe baza ecuatiilor scrise mai sus se poate trasa diagrama fazoriala, figura 2.13 :
Fig. 2.13
Din diagrama fazoriala se observa caderea de tensiune in sarcina, in valori efective :
, egala cu segmentul AB ; Deoarece cosφ2
are valori apropiate de unitate, cu alte cuvinte transformatoarele
functioneaza in sarcina la un factor de putere bun, putem
considera
.
De pe diagrama fazoriala se observa ca :
Folosind curentul I2, ecuatia de mai sus devine :
, de unde :
2. Caracterizarea sarcinii prin P2 si Q2
Reluand expresia caderii de tensiune secundare ΔU2, calculata la punctul precedent si multiplicandu-o cu U2 vom obtine :
Dar : si
, puterea activa, respectiv reactiva.
Rezulta :
3.Caracterizarea sarcinii prin impedanta sa Z sau admitanta Y
Reamintim dela electrotehnica triunghiul impedantelor/admitantelor, figura 2.14:
fig. 2.14
R- rezistenta
X- reactanta ( inductiva proprie unei bobine sau capacitiva proprie unui condensator )
Z- impedanta ( proprie unui element de circuit care include atat R cat si X ; in practica nici un element de circuit nu este pur inductiv sau pur rezistiv, dar daca una dintre proprietati predomina, el se poate considera ca atare cu o buna aproximatie )
Din triunghiul impedantelor : Z2
= R2 + X2 (
Pitagora ), respectiv etc
sau in complex :
R,X si Z se masoara in ohmi (Ω ) in SI
G- conductanta
B- susceptanta magnetica
Y- admitanta
G, B, Y se masoara in Ω-1 in SI
Similar : , precum si celelalte relatii rezultate din geometria
triunghiului.
Pentru cazul unei impedante de sarcina Zs, respectiv admitante de sarcina Ys conectate in secundarul unui transformator, avem :
si :
( in ultima relatie s-a inlocuit )
1.5 Cuplarea in paralel a transformatoarelor
a. In gol :
Pentru cuplarea in paralel a transformatoarelor este strict necesar ca sa nu existe curenti de circulatie intre transformatoarele cuplate. Existenta unor astfel de curenti antreneaza incalzirea excesiva a transformatoarelor.
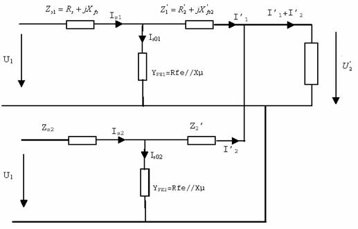
Punerea in paralel necesita E1 = E2, sau astfel spus, caderile de tensiune trebuie sa fie identice, fig 2.15.
Fig. 2.15
Deoarece la cuplarea in paralel U1 = U2
= Us, din conditia caderilor de tensiune identice, avem : de unde rezulta :
Conditia E1 = E2 se
poate traduce si prin : de unde
ceea ce conduce la : , respectiv :
Ultima relatie reprezinta primul criteriu de calcul ( la mersul in gol )pentru cuplarea transformatoarelor.
a. In sarcina
Vom impune conditia egalitatii tensiunii de iesire pentru ambele transformatoare (fig 2.16 ):
Fig 2.16
Avem :
de unde :
si
dezvoltand :
, dar am vazut ca in gol :
de unde
Dar impedanta
masurata in scurtcircuit a transformatorului 1
impedanta
masurata in scurtcircuit a transformatorului 2
Deci
:
Ultima
expresie se poate scrie : cu
Am obtinut cel de-al doilea criteriu de calcul pentru cuplarea in paralel a transformatoarelor si anume : raportul puterilor trebuie sa fie in raportul impedantelor de scurtcircuit.
Politica de confidentialitate |
![]() |
Copyright ©
2025 - Toate drepturile rezervate. Toate documentele au caracter informativ cu scop educational. |
Personaje din literatura |
Baltagul – caracterizarea personajelor |
Caracterizare Alexandru Lapusneanul |
Caracterizarea lui Gavilescu |
Caracterizarea personajelor negative din basmul |
Tehnica si mecanica |
Cuplaje - definitii. notatii. exemple. repere istorice. |
Actionare macara |
Reprezentarea si cotarea filetelor |
Geografie |
Turismul pe terra |
Vulcanii Și mediul |
Padurile pe terra si industrializarea lemnului |
Termeni si conditii |
Contact |
Creeaza si tu |