Circuite redresoare
Cea mai populara aplicatia e diodelor este redresarea. Pe scurt, redresarea reprezinta transformarea curentului alternativ in curent continuu. Acest lucru implica folosirea unui dispozitiv ce permite trecerea electronilor doar intr-o singura directie, iar dioda realizeaza tocmai acest lucru.

Cel mai simplu circuit de redresare il reprezinta redresorul mono-alternanta. Acesta permite trecerea doar a unei jumatati a formei de unda de curent alternativ dinspre sursa inspre sarcina.
Pentru majoritatea aplicatiilor de putere insa, redresarea mono-alternanta nu este suficienta. Continutul armonic al undei de iesire este foarte mare si prin urmare dificil de filtrat. Mai mult, sursa de tensiune alternativa este "vazuta" de sarcina doar odata la fiecare jumatate de perioada, ceea ce inseamna ca mare parte din capacitatea sursei nu este folosita.

Redresarea mono-alternanta este totusi o modalitatea foarte usoara de reducere a puterii generate pe o sarcina rezistiva. Unele comutatoare cu rezistenta reglabila folosite la lampi, aplica intreaga tensiune de curent continuu pe filamentul "lampii" in pozitia "maxim", si doar o jumatate (folosind un redresor mono-alternanta) din tensiunea maxima disponibila pe cealalta pozitie, pentru o intensitate luminoasa mai scazuta.
Cand intrerupatorul este in pozitie mediu, lampa incandescenta primeste aproximativ jumatate din puterea disponibila la sursa de curent alternativ. Datorita faptului ca forma de unda mono-alternanta pulseaza mult mai rapid decat timpul necesar pentru incalzirea si racirea filamentului, lampa nu "clipeste", ci, filamentul ei pur si simplu opereaza la o temperatura mai mica decat temperatura normala de functionare.
Pentru redresarea si folosirea ambelor alternante a undelor sinusoidale, avem nevoie de o alta configuratie a circuitului redresor, si anume, un redresor dubla-alternanta.

Una dintre posibilitati este realizarea redresorului cu punct median, folosind un transformator cu priza mediana pe infasurarea secundara si doua diode.
Putem intelege mult mai bine functionarea acestui redresor daca luam pe rand fiecare jumatate de perioada (semi-perioada).

Sa consideram de exemplu prima jumatate a perioadei, cand polaritatea tensiunii de alimentare este pozitiva (+) sus si negativa (-) jos. In aceasta situatie, doar dioda de sus va conduce, iar dioda de jos este blocata. Sarcina "vede" prima jumatate a formei de unda sinusoidale, pozitiv sus si negativ jos. Doar partea de sus a infasurarii secundare a transformatorului conduce curent in acest caz.

In a doua parte a perioadei, polaritatea tensiunii alternative se inverseaza. In acest caz, cealalta dioda, cea de jos, si cealalta jumatate a secundarului transformatorului, vor conduce curent, iar celelalte portiuni ale circuitului ce au fost active la pasul precedent, nu vor conduce curent. Sarcina "vede" si in acest caz o jumatate de forma de unda sinusoidala, de aceeasi polaritate ca si in cazul precedent: pozitiv in partea de sus si negativ in partea de jos.

Polaritatea sarcinii poate fi inversata prin inversarea directiilor diodelor. Mai mult, diodele inversate pot fi conectate in paralel cu configuratia pozitiva deja existenta. Rezultatul este un redresor dubla-alternanta cu polaritate dubla. Modul de conectare al diodelor este acelasi ca si la redresorul in punte.
Un mare dezavantaj al acestei configuratii este necesitatea folosirii unui transformator cu priza mediana pe infasurarea secundara. Daca circuitul in cauza este un circuit de putere mare, marimea si costul unui astfel de transformator pot fi suficient de mari. Prin urmare, redresorul dublu alternanta cu punct median este folosit doar in aplicatiile de putere mica.

Probabil ca cel mai popular redresor este cel dubla-alternanta in punte. Aceste utilizeaza patru diode conectate in punte.

Directia curentului pentru semi-perioadele pozitive este prezentata in figura alaturata.

Directia curentului pentru semi-perioadele negative este prezentata in figura alaturata.
Indiferent de polaritatea intrarii, curentul prin sarcina are aceeasi directie de curgere. Cu alte cuvinte, o semi-perioada negativa la sursa este o semi-perioada pozitiva pe sarcina. Curgerea curentului are loc prin doua diode serie, pentru ambele polaritati. Astfel, caderea de tensiune pierduta dinspre sursa spre sarcina datorita diodelor este dubla (0,7 · 2 = 1,4 V pentru Si) fata de redresorul duba alternanta cu punct median. Acest dezavantaj reprezinta insa o problema doar pentru sursele cu o tensiune de alimentarea foarte scazuta.

Modul corect de asezare in punte al diodelor poate prezenta pentru incepatori unele dificultati. O reprezentare alternativa, dar echivalenta, a acestui circuit este mult mai usor de tinut minte si de inteles. Este exact acelasi circuit, doar ca toate diodele sunt pozitionate orizontal, si toate indica in aceeasi directie.

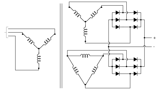
Un avantaj al acestei notatii este ca poate fi usor aplicata unei versiuni trifazate a redresorului.

sau oricarei configuratii polifazate.

In cazul redresarii unui circuit de curent alternativ polifazat, suprapunerea pulsurilor defazate produce o tensiune de curent continuu mult mai "neteda" (cu un continut mai mic de curent alternativ) decat cea produsa prin redresarea unei singure faze de curent alternativ. Acesta este un avantaj important in circuitele redresoare de putere, unde doar marimea fizica a componentelor necesare pentru realizarea filtrarii ar impune unele limite.
Indiferent de tipul redresarii - monofazata sau polifazata - cantitatea de tensiune alternativa suprapusa peste tensiunea de curent continuu la iesirea redresorului, poarta numele de tensiune de pulsatie, sau simplu pulsatie. In majoritatea cazurilor, din moment ce la iesire dorim o tensiune de curent continuu pura, pulsatia reprezinta o tensiune nedorita. Daca puterile implicate nu sunt foarte mari, se pot folosi retele de filtrare pentru reducerea cu succes a acestui efect.
Cateodata, metoda rectificarii (redresarii) este descrisa numarand "pulsurile" tensiunii de curent continuu pentru fiecare 360o electrice. Un redresor monofazat, mono-alternanta, este prin urmare un redresor cu un puls, deoarece produce un singur puls intr-o perioada completa (360o) a formei de unda alternative. Un redresor monofazat, dubla-alternanta (indiferent daca este cu punct median sau in punte), poate fi numit redresor cu doua pulsuri, deoarece produce doua pulsuri de tensiune continua intr-o perioada a tensiunii de curent alternativ. Un redresor trifazat, dubla-alternanta poate fi denumit redresor cu sase pulsuri.

Este posibila obtinerea unui numaru dublu de pulsuri fata de numarul fazelor cu ajutorului unui redresor. Folosind transformatoare, putem conecta in paralel un set de redresoare dubla-alternanta in punte astfel incat sa rezulte mai mult de 6 pulsuri de tensiune continua pentru cele trei faze ale curentului alternativ. Daca se introduce un defazaj de 30o intre primarul si secundarul transformatorului trifazat atunci infasurarile nu sunt de acelasi tip. Cu alte cuvinte, un transformator in configuratie Y-Δ (stea-triunghi) sau Δ-Y (triunghi-stea), va prezenta acest defazaj de 30o, dar nu si un transformator in configuratie Y-Y sau Δ Δ. Acest fenomen poate fi exploatat prin utilizarea unui transformator in configuratie Y-Y conectat la un redresor in punte, iar un alt transformator in configuratie Y-Δ conectat la un al doilea redresor in punte; cele doua punti redresoare le conectam apoi in paralel. Din moment de tensiunea de pulsatie dintre cele doua redresoare este defazata cu 30o, tensiunea de pulsatie rezultata prin superpozitia lor va fi mai mica decat tensiunea de pulsatie luata individual pentru cele doua redresoare: 12 pulsuri pentru o perioada (360o) in loc de 6.
|
Politica de confidentialitate |
| Copyright ©
2025 - Toate drepturile rezervate. Toate documentele au caracter informativ cu scop educational. |
Personaje din literatura |
| Baltagul – caracterizarea personajelor |
| Caracterizare Alexandru Lapusneanul |
| Caracterizarea lui Gavilescu |
| Caracterizarea personajelor negative din basmul |
Tehnica si mecanica |
| Cuplaje - definitii. notatii. exemple. repere istorice. |
| Actionare macara |
| Reprezentarea si cotarea filetelor |
Geografie |
| Turismul pe terra |
| Vulcanii Și mediul |
| Padurile pe terra si industrializarea lemnului |
| Termeni si conditii |
| Contact |
| Creeaza si tu |