Dioda Shockley
Primul dispozitiv din seria dispozitivele multijonctiune pe care il vom studia este o dioda cu patru straturi, cunoscuta sub numele de dioda PNPN, sau dioda Shockley, dupa cel care a inventat-o, William Shockley. Acest dispozitiv nu trebuie confundat cu dioda Schottky, dispozitivul metal-semiconductor cunoscut pentru viteza mare de comutatie.

O reprezentare bruta a diodei Shockely, reprezentare intalnita adesea in manuale, consta din patru straturi de material semiconductor P-N-P-N, unul peste altul.

Din pacate, aceasta reprezentare nu explica deloc modul de functionare al acestui dispozitiv. Sa consideram asadar o reprezentare alternativa a constructiei dispozitivului in figura alaturata.

Sub aceasta reprezentare, dispozitivul pare a fi un set de tranzistori bipolari interconectati, unul de tip PNP iar celalalt de tip NPN. Utilizand simbolurile standard si respectand concentratiile doparilor, dioda Shockley arata conform figurii alaturate.

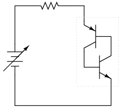
Sa conectam un astfel de dispozitiv la o sursa variabila de tensiune pentru a observa comportamentul acestuia.
Desigur, fara nicio tensiune aplicata, nu va exista niciun curent. O crestere initiala a tensiunii nu va duce la aparitia niciunui curent datorita faptului ca ambii tranzistori se vor afla in stare blocata. Pentru a intelege motivul unui astfel de comportament, trebuie sa intelegem ce anume este necesar pentru trecerea unui tranzistor in faza de conductie, si anume, existenta unui curent prin jonctiunea baza-emitor. Dar, dupa cum putem observa din diagrama, curentul de baza prin tranzistorul de jos este controlat de catre tranzistorul de sus, iar curentul de baza al tranzistorului de sus este controlat de catre tranzistorul de jos. Cu alte cuvinte, niciunul dintre tranzistori nu poate intra in starea de conductie pana cand celalalt nu se afla si el in starea de conductie.
Prin urmare, cum poate o dioda Shockley sa conduca curent, daca tranzistorii sai constituenti se afla tot timpul in stare blocata? Raspunsul este dat de comportamentul tranzistorilor reali, spre deosebire de tranzistorii ideali. Un tranzistor bipolar real nu va conduce niciodata curent prin colector fara existenta unui curent de baza, indiferent de valoarea tensiunii aplicate intre colector si emitor. Tranzistorii reali pe de alta parte, poseda limite finite ale valorilor tensiunii colector-emitor pe care acestia le pot sustine inainte de a intra in starea de conductie. Cu alte cuvinte, peste o anumita valoare a tensiunii colector-emitor, tranzistorul va intra in starea de conductie, indiferent de curentul de baza. Daca doi tranzistori sunt conectati in acest mod pentru formarea unei diode Shockley, fiecare dintre ei va conduce daca se va aplica o tensiune suficient de mare prin intermediul bateriei dintre anod si catod. Odata ce unul dintre tranzistori intra in starea de conductie, acesta va duce la aparitia unui curent de baza prin celalalt tranzistor, ducand la functionarea normala a acelui tranzistor, ceea ce duce la aparitia unui curent de baza prin tranzistorul initial. Rezultatul final este ca ambii tranzistori se vor satura, mentinandu-se unul pe celalalt in conductie.
Prin urmare, putem forta intrarea in conductie a unei diode Shockley prin aplicarea unei tensiuni suficient de mari intre anod si catod. Dupa cum am vazut, acest lucru va duce inevitabil la pornirea unuia dintre tranzistori, ceea ce duce la randul sau si la pornirea celuilalt tranzistor si "agatarea" ambilor tranzistori in starea de conductie, acolo unde vor si ramane. Dar cum putem opri cei doi tranzistori acum? Chiar daca tensiunea aplicata este redusa cu mult sub punctul necesar intrarii in conductie a diodei, aceasta va ramane in starea de conductie datorita faptului ca prin ambii tranzistori exista acum un curent de baza suficient pentru mentinerea conductiei controlate. Raspunsul este reducerea tensiunii aplicate sub un nivel mult mai mic, astfel incat valoarea curentului sa fie mai mica decat valoarea necesara polarizarii directe a tranzistorilor, punct in care unul dintre tranzistori va intra in starea de blocare, ducand la oprirea curentului prin baza celuilalt tranzistor si intrarea ambilor in starea de blocare initiala.

Daca trecem aceasta serie de evenimente pe un grafic curent-tensiune, histerezisul este evident. Initial, observam circuitul atunci cand sursa de tensiune de c.c. (bateria) este de zero volti.

Urmatorul pas este cresterea treptata a tensiunii de c.c. aplicate. Curentul prin circuit este zero sau foarte apropiat de aceasta valoare, datorita faptului ca limita de intrare in conductie a tranzistorului nu a fost inca atinsa pentru niciunul din cele doua dispozitive.

Atunci cand limita de strapungere a unuia dintre tranzistori este atinsa, acest lucru va duce la aparitia unui curent prin colector chiar si fara existenta unui curent de baza prin acesta. In mod normal, un astfel de scenariu ar distruge un tranzistor bipolar cu jonctiune, dar jonctiunile PNP ale unei diode Shockley sunt proiectate sa suporte acest tip de abuz, intr-un mod similar diodelor Zener, ce suporta tensiuni de strapungere inverse fara a se distruge. De dragul exemplificarii, vom presupune ca tranzistorul inferior este cel care va intra prima data in conductie, ducand la aparitia unui curent de baza prin tranzistorul superior.

Dupa ce tranzistorul de sus primeste un curent de baza, si acesta va intra in conductie. Acest fapt duce la intrarea in conductie normala (existenta curentului de baza) si a tranzistorului de jos, ambii tranzistori ramanand in starea de conductie. Curentul prin circuit trece rapid la valoarea maxima.
Reactia pozitiva este evidenta in aceasta situatie. Atunci cand are loc strapungerea unuia dintre tranzistori, acest lucru duce la existenta unui curent prin intreaga structura. Acest curent poate fi considerat semnalul de iesire al dispozitivului. Odata ce s-a stabilit un curent de iesire, acesta tinde sa mentina ambii tranzistori in saturatie, asigurand continuitatea unui curent de iesire substantial. Cu alte cuvinte, curentul de iesire este reintrodus la intrare (curentul de baza al tranzistorului) pentru mentinerea ambilor tranzistori in starea de conductie.

Cu ambii tranzistori mentinuti intr-o stare de saturatie prin prezenta unui curent de baza substantial, fiecare va continua sa conduca chiar si atunci cand tensiunea aplicata este redusa mult sub nivelul de strapungere initial. Efectul reactiei pozitive este de mentinere a ambilor tranzistori intr-o stare de saturatie in ciuda pierderii semnalului de intrare initial (tensiunea necesara strapungerii unuia dintre tranzistori).

Daca tensiunea sursei de alimentare in c.c. scade la o valoare mult prea mica, circuitul va atinge eventual un punct in care curentul nu va fi suficient pentru mentinerea ambilor tranzistori in starea de conductie. Pe masura ce curentul de colector al unuia dintre tranzistori scade tot mai mult, va duce la scaderea curentului de baza prin celalalt tranzistor, fapt ce duce la reducerea curentului de baza prin primul tranzistor. Acest cerc vicios continua rapid pana in momentul in care ambii tranzistori intra in starea de blocare.
Din nou putem observa efectele reactiei pozitive: faptul ca ciclul cauza-efect dintre cei doi tranzistori este "vicios" (o descrestere a curentului prin unul dintre ei duce la descresterea curentului prin celalalt, ceea ce duce la randul sau la o noua descrestere a curentului prin primul tranzistor) indica o relatie pozitiva dintre iesire (curent controlat) si intrare (curent de control prin baza tranzistorilor).

Curba graficului rezultata este un exemplu clasic de histereza: pe masura ce semnalul de intrare (tensiune) creste si descreste, iesirea (curent) nu urmareste aceeasi cale la cresterea si descresterea acesteia.
Pe scurt, dioda Shockley tinde sa ramana in stare de conductie odata ce a fost pornita si in stare blocata o data ce a fost oprita. Nu exista un mod de operare intre aceste doua extreme si nu exista o zona activa de functionare precum in cazul tranzistoarelor bipolare de exemplu: acesta este un dispozitiv pur oprit-pornit, asemenea tuturor dispozitivelor semiconductoare multijonctiune.
|
Politica de confidentialitate |
| Copyright ©
2025 - Toate drepturile rezervate. Toate documentele au caracter informativ cu scop educational. |
Personaje din literatura |
| Baltagul – caracterizarea personajelor |
| Caracterizare Alexandru Lapusneanul |
| Caracterizarea lui Gavilescu |
| Caracterizarea personajelor negative din basmul |
Tehnica si mecanica |
| Cuplaje - definitii. notatii. exemple. repere istorice. |
| Actionare macara |
| Reprezentarea si cotarea filetelor |
Geografie |
| Turismul pe terra |
| Vulcanii Și mediul |
| Padurile pe terra si industrializarea lemnului |
| Termeni si conditii |
| Contact |
| Creeaza si tu |