Reactia negativa prin divizor de tensiune
Daca adaugam un divizor de tensiune la reactia negativa, astfel incat doar o fractiune din tensiunea de iesire este reintrodusa la intrarea inversoare, si nu intreaga valoare, tensiunea de iesire va fi un multiplu al tensiunii de intrare. Din nou, pentru simplitate, conexiunile alimentarii in c.c. a AO au fost omise. Toate tensiunile au ca si referinta punctul de masa (0 V).

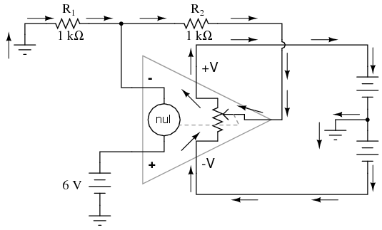
Daca R1 si R2 sunt egale, iar tensiunea de intrare este de 6 V, AO va genera o cadere de tensiune necesara pentru mentinerea unei tensiuni de 6 V pe R1 (astfel incat tensiunea la intrarea inversoare sa fie egala cu 6 V, iar diferenta de tensiune dintre cele doua intrari sa fie egala cu zero). Cu un raport al divizorului de tensiune R1--R2 de 2:1, acest lucru va necesita o tensiune de 12 V la iesirea AO.
O alta metoda de analiza a acestui circuit consta in calcularea amplitudinii si directiei curentului prin R1, cunoscand tensiunea pe fiecare parte (si prin urmare pe R1), si rezistenta rezistorului R1. Din moment ce partea stanga a rezistorului R1 este conectata la masa (0 V), iar partea dreapta are un potential de 6 V (datorita reactiei negative ce mentine tensiunea acelui punct egala cu Vintrare), putem vedea ca avem 6 V la bornele lui R1. Acest lucru inseamna un curent de 6 mA prin R1, de la stanga la dreapta. Deoarece stim ca ambele intrari ale AO au impedante foarte mari, putem afirma ca, curentul prin acestea este zero, si nu se comporta precum un divizor de curent in punctul de conectare cu divizorul de tensiune. Cu alte cuvinte, putem considera ca R1 si R2 sunt conectate in serie: toti electronii ce trec prin R1 ajung in R2. Cunoscand curentul prin R2 si rezistenta lui R2, putem calcula caderea de tensiune la bornele acestui rezistor (6 V) si polaritatea acestuia. Calculand tensiunea totala dintre punctul de masa (0 V) la dreapta rezistorului R2, ajungem la o valoarea de 12 V.

Daca ne uitam pe desenul precedent, ne putem intreba "unde anume se duce curentul de 6 mA". Figura de mai sus nu prezinta intregul drum, dar in realitate, acest curent vine de la sursa de putere de c.c., trece prin masa, R1, R2, prin iesirea AO si inapoi la borna pozitiva a sursei. Utilizand modelul AO - potentiometru/detector de nul, calea curentului arata astfel.
Sursa de semnal de 6 V nu trebuie sa furnizeze niciun curent in circuit: aceasta doar comanda amplificatorului operational echilibrul de tensiune dintre cele doua intrari, iar ca urmare a acestui fapt, AO produce la iesire o tensiune de doua ori mai mare decat tensiunea de semnal datorita reactiei divizate a celor doi rezistori de 1 kΩ

Putem modifica factorul de amplificare in tensiune al acestui circuit, prin simpla modificare a valorilor celor doi rezistori. Amplificarea poate fi calculata cu formula alaturata.
Se poate observa ca amplificarea unui astfel de amplificator nu poate sa scada sub valoarea 1. Daca ar fi sa coboram valoarea lui R2 la zero ohmi, circuitul rezultat ar fi identic cu repetorul de tensiune, unde iesirea este conectata direct la intrarea inversoare. Aceasta amplificare poate fi marita mult peste 1, prin cresterea valorii rezistorului R2 fata de R1.
Polaritatea tensiunii de iesire este aceeasi cu cea a tensiunii de intrare. O tensiune pozitiva de intrare inseamna o tensiune pozitiva de iesire, si invers (fata de masa). Din acest motiv, acest circuit poarta numele de amplificator ne-inversor.

Sa reluam circuitul de mai sus, dar de data aceasta sa aplicam tensiunea de intrare in alta parte.
Prin conectarea la masa a intrarii ne-inversoare, reactia negativa de la iesire va incerca sa mentina tensiunea intrarii inversoare la 0 V. Din acest motiv, intrarea inversoare, in acest circuit, poarta numele de masa virtuala (avand un potential de 0 V, dar nefiind conectata direct la masa). Tensiunea de intrare este aplicata de aceasta data din stanga divizorului de tensiune R1--R2 (= 1 kΩ). Prin urmare, tensiune de iesire trebuie sa ia valoarea de -6 V pentru echilibrarea punctului de mijloc la potentialul masei (0 V). Folosind metodele amplificatorului ne-inversor, putem analiza functionarea circuitului prin determinarea amplitudinilor si directiilor curentilor.
![]()
Din nou, putem modifica amplificarea in tensiune a circuitului prin modificarea valorilor rezistorilor R1 si R2. Amplificarea poate fi calculata cu formula alaturata.
De aceasta data, amplificarea in tensiune a circuitului poate fi sub 1, depinzand doar de raportul valorilor celor doi rezistori. Polaritatea iesirii este tot timpul opusa polaritatii tensiunii de intrare. O tensiune de intrare pozitiva inseamna o tensiune de iesire negativa, si invers (fata de masa). Din acest motiv, acest circuit este cunoscut sub numele de amplificator inversor. Semnul "-" din formula de mai sus scoate in evidenta aceasta inversare a polaritatilor.
Astfel de circuite studiate mai sus sunt folosite pentru efectuarea operatiilor matematice de inmultire si impartire in circuitele analogice ale calculatoarelor.
|
Politica de confidentialitate |
| Copyright ©
2025 - Toate drepturile rezervate. Toate documentele au caracter informativ cu scop educational. |
Personaje din literatura |
| Baltagul – caracterizarea personajelor |
| Caracterizare Alexandru Lapusneanul |
| Caracterizarea lui Gavilescu |
| Caracterizarea personajelor negative din basmul |
Tehnica si mecanica |
| Cuplaje - definitii. notatii. exemple. repere istorice. |
| Actionare macara |
| Reprezentarea si cotarea filetelor |
Geografie |
| Turismul pe terra |
| Vulcanii Și mediul |
| Padurile pe terra si industrializarea lemnului |
| Termeni si conditii |
| Contact |
| Creeaza si tu |