In lucrare sunt studiate diferite configuratii de circuite stabilizatoare de tensiune continua, analizandu-se functionarea elementelor constituente.

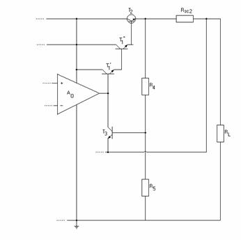
Un circuit stabilizator de tensiune are in structura sa urmatoarele parti componente principale:
Deci stabilizatorul este, de fapt, format din doua parti:
circuitul de stabilizare propriuzis,
circuitul de limitare a curentului la iesire.
Exista doua configuratii de circuite stabilizatoare:
pentru tensiuni de iesire mai mici decat tensiunea de referinta,

pentru tensiuni de iesire mai mari decat tensiunea de referinta.

Pentru limitarea curentului de iesire se folosesc cu preponderenta doua metode:
limitarea la o valoare fixa a curentului de iesire (prin deschiderea unui tranzistor din circuitul de protectie atunci cand curentul de iesire depaseste aceasta valoare),

limitare prin intoarcere a curentului de iesire (curentul prin circuitul de protectie micsoreaza curentul ce intra in circuitul de reglaj serie).

Macheta folosita permite interconectarea celor doua etaje (stabilizator si limitator) in oricare din cele patru situatii posibile. Aceasta macheta este alimenta de la o sursa de tensiune continua. Caracteristica de transfer a referintei de tensiune este prezentata in figura urmatoare:

Din cele patru configuratii posibile se studiaza doar doua:

Se ridica caracteristica de transfer
(
) pentru doua valori ale rezistentei de
sarcina:
|
| ||||||||||
|
|
| |||||||||
|
| ||||||||||

Se fixeaza referinta de tensiune
(
,
) si se
ridica caracteristica de iesire
prin modificarea
sarcinii pe care lucreaza stabilizatorul. Pentru fiecare sarcina se
masoara potentialul in emitorul tranzistorului T2 :
|
|
| |||||||
|
| ||||||||
|
| ||||||||
|
|
| |||||||
|
|
Caracteristica de iesire:


Se ridica caracteristica de transfer (
) pentru doua valori ale rezistentei de
sarcina:
|
| |||||||||||
|
|
| ||||||||||
|
| |||||||||||
Se fixeaza referinta de tensiune (
) si se ridica caracteristica de iesire
prin modificarea
sarcinii pe care lucreaza stabilizatorul. Pentru fiecare sarcina se
masoara potentialul in emitorul tranzistorului T2 :
|
|
| ||||||
|
| |||||||
|
| |||||||
|
| |||||||
|
|
Se traseaza grafic caracteristica de iesire:

|
Politica de confidentialitate |
| Copyright ©
2026 - Toate drepturile rezervate. Toate documentele au caracter informativ cu scop educational. |
Personaje din literatura |
| Baltagul – caracterizarea personajelor |
| Caracterizare Alexandru Lapusneanul |
| Caracterizarea lui Gavilescu |
| Caracterizarea personajelor negative din basmul |
Tehnica si mecanica |
| Cuplaje - definitii. notatii. exemple. repere istorice. |
| Actionare macara |
| Reprezentarea si cotarea filetelor |
Geografie |
| Turismul pe terra |
| Vulcanii Și mediul |
| Padurile pe terra si industrializarea lemnului |
| Termeni si conditii |
| Contact |
| Creeaza si tu |