Studiul bobinelor cu miez feromagnetic
1. SCOPUL LUCRARII
Lucrarea are ca scop studiul bobinelor cu miez feromagnetic, determinarea caracteristicilor statice si a celor dinamice.
2. NOTIUNI TEORETICE
Corpurile se clasifica in functie de modul de magnetizare in: diamagnetice, paramagnetice, feromagnetice si ferimagnetice. Corpurile ferimagnetice sunt caracterizate de susceptibilitati magnetice si permeabilitati relative foarte mari si dependente de intensitatea campului magnetic.
In constructia masinilor si aparatelor electrice, pentru realizarea unpr inductii magnetice mari, acestea se realizeaza cu miezuri din materiale feromagnetice sau ferimagnetice. Studiul bobinelor cu miez feromagnetic este important, deoarece acestea reprezinta principalele elemente neliniare ale circuitelor. In aceste bobine apar doua tipuri de efecte:
efecte
deformante datorita neliniaritatii
ceea ce conduce la deformarea curentului i, desi
tensiunea aplicata la bornele ei este sinusoidala;
pierderi datorate miezului lor feromagnetic.
Se considera o bobina cu miez feromagnetic, care are infasurarea
cu N1 spire si rezistenta R1 masurata
in curent continuu. Curentul i1(t) care strabate bobina produce
un flux magnetic
:
(1)
unde
= fluxul util corespunzator liniilor de camp ale inductiei
magnetice
= fluxul de dispersie corespunzator liniilor de camp,
care se inchid prin aer.
Fluxul de dispersie este dat de relatia:
(2)
unde Ld = inductivitatea de dispersie.
Fluxul util al bobinei
este dependent
neliniar de curentul de magnetizare i1, relatia reprezentand
caracteristica magnetica a bobinei.
Caracteristicile magnetice ale unei bobine depind de tipul materialului din care este confectionat miezul bobinei, de starile magnetic anterioare si de regimul de magnetizare utilizat. Regimul de magnetizare este regimul in care are loc procesul de magnetizare: camp alternativ simetric, magnetizare prin impulsurisau sub actiunea simultana a doua campuri unul continuu si celalalt altermativ (magnetizare mixta).
Prntru o bobina fara miez de fier caracteristica
este o dreapta a
carei panta este inductivitatea utila Lu a bobinei.
Pentru o bobina cu mieyz de fier caracteristica este o curba numita
ciclu de magnetizare.
![]()
![]()
Fig. 1. Studiul unei bobine cu miez feromagnetic
La frecvente joase relatia
reprezinta relatia
dintre inductia magnetice B si intensitatea campului magnetic H, adica
ciclul de histerezis al materialului magnetic (figura 2): B = f(H).

Fig. 2. Ciclul de histerezis pentru materiale magnetice B = f(H)
Se poate arata ca la o alta scara curba de histerezis
reprezinta curba
.
Aplicand legea circuitului magnetic in lungul curbei Γ (figura 3) in regim stationar se obtine:
(3)
(4)
Fluxul util al bobinei se calculeaza cu relatia:
(5)
(6)
In regim variabil intensitatea H a campului magnetic in miez este determinata de curentul i al bobinei cat si de curentii turbionari indusi in miezul feromagnetic, datorita variatiei in timp a fluxului magnetic:
(7)
unde
- solenatia
datorata curentilor turbionari
(8)
k - constanta ce depinde de sectiunea, lungimea si rezistivitatea miezului.
Rezulta urmatoarea relatie:
(9)
In regim variabil, datorita curentilor
turbionari ciclul de magnetizare este mai lat decat in regim stationar.
Cand
trece prin valorile de
maxim si minim:
(adica
) rezulta
, prin urmare magnetizarea miezului este produsa numai
de curentul i al bobinei, curentii turbionari indusi fiind 0, deci
varfurile ciclului raman neschimbate.

Fig. 3.
2.3.1. Determinarea caracteristicilor statice
Caracteristicile statice sunt determinate in regim de curent continuu, punandu-se in evidenta:
a) curba fundamentala de magnetizare a materialului B = f(H) pentru o variatie a intensitatii campului magnetic de la o valoare 0 pana la o valoare maxima Hmax;
b) determinarea ciclului de histerezis;
c) masurarea pierderilor magnetice specifice.
Pentru determinarea caracteristicilor de magnetizare este necesar sa se realizeze initial demagnetizarea, proces care se poate obtine curent continuu, prin comutarea sensului curentului in infasurarea partii de magnetizare concomitent cu reducerea intensitatii acestuia la 0 in curent alternativ, amplitudinea scazand la 0.
Se realizeaza circuitul din figura 4 pentru determinarea curentului de magnetizare si a ciclului de histerezis.
Trasarea curbei de magnetizare
Cu ajutorul reostatului R1 se stabileste un curent corespunzatorintensitatii H1 a campului magnetic (figura 4), k1 fiind inchis, iar k2 deschis. Se realizeaza pregatirea magnetica a miezului prin conutarea de zece ori a curentului de magnetizare prin comutatorul k1.

Fig. 4. Schema de principiu pentru determinarea caracteristicilor statice
ale unei bobine cu miez feromagnetic
Se inverseaza brusc sensul curentului de magnetizare si se constata deviatia galvanometrului balistic (dupa ce s-a inchis k2).
(10)
Valoarea inductiei este data de relatia:
(11)
Intensitatea campului magnetic este proportionala cu intensitatea curentului de magnetizare:
(12)
Pentru a obtine alte puncte de pe curba se mareste curentul de magnetizare, se realizeaza o noua pregatire magnetica, urmata de masurarea inductiei magnetice si a intensitatii campului magnetic.

Fig. 5. Curba de magnetizare si ciclul static de histerezis
Trasarea ciclului de histerezis
Se determina initial Hmax si Bmax
corespunzatoare varfului ciclului. Pentru s determina un alt punct de pe
caracteristica se determina inductia diferenta
.
Pentru aceasta se stabileste valoare curentului corespunzator lui H2 , deschizand k2 si regland din reostatul R2, iar pozitia reostatului R1 nu se modifica, dupa care se inchide comutatorul k2.
Deschiderea conutatorului k2 determina o modificare a curentului in circuitul de magnetizare corespunzatoare variatiei intensitatii campului magnetic de la Hmax la H2 ceea ce duce la modificarea inductiei de la Bmax la B2. Aceasta variatie este:
(13)
de unde rezulta
.
Pentru determinarea punctelor corespunzatoare unor valori negative ale intensitatii campului magnetic se modifica sensul curentului prin infasurarea de magnetizare.
2.3.2. Determinarea caracteristicilor dinamice
Pentru determinarea caracteristicilor dinamice de magnetizare se folosesc urmatoarele metode:
metoda ampermetrului si voltmetrului;
metoda osciloscopului catodic;
metoda wattmetrului pentru determinarea pierderilor in fier.
Metoda ampermetrului si voltnetrului
Schema de principiu este prezentata in figura 6.

Fig. 6. Schema de principiu pentru determinarea caracteristicii
dinamice de magnetizare
In schema sunt utilizate un ampermetru pentru detectarea indirecta a intensitatii campului magnetic si un voltmetru pentru determinarea indirecta a inductiei magnetice.
Pentru o valoare a curentului de magnetizare rezulta intensitatea campului magnetic:
, iar
(14)
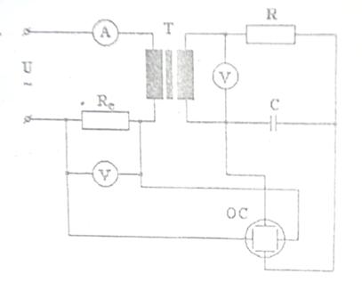
Metoda osciloscopului catodic
Ciclul de histerezis B(H) constituie o caracteristica fundamentala materialelor magnetice, care poate furniza informatii cu privire la inductia magnetica de saturatie, inductia magnetica remanenta, pierderile in histerezis (care sunt proportionale cu aria determinata de ciclu).

Fig. Schema de principiu pentru vizualizarea ciclului de histerezis
Vizualizarea cu osciloscopul catodic a ciclului de histerezis permite urmarirea ciclului de histerezis intr-un domeniu de frecventa mare 50 Hz - 100 kHz.
Schema de principiu pentru vizualizarea ciclului de histerezis este prezentata in figura
In secundarul transformatorului monofazat T apare o tensiune data de relatia:
(15)
unde A este aria sectiunii transversale a miezului.
Integrand aceasta tensiune cu un circuit integrator rezulta ca obtinem o tensiune:
(16)
Deci tensiunea de la iesirea circuitului integrator RC este direct proportionala cu valoarea instantanee a inductiei magnetice.
Pe de alta parte in circuitul primar tensiunea de la bornele rezistentei R este direct proportionala cu intensitatea curentului I, deci cu H.
Pentru a nu deforma inductia in miez este necesar ca valoarea rezistentei Re sa fie mica, deci caderea de tensiune pe rezistenta u1(t) este mica ca urmare este necesara o amplitudine suplimentara a tensiunii ce se aplica pe osciloscop.
Cele doua marimi:
si
se aplica la placile
de deflexie orizontala, respectiv la placile de deflexie verticala
a osciloscopului rezultand imaginea circuitului de histerezis.
Pe ecranul osciloscopului catodic obtinem B = f(H). La modificarea tensiunii de alimentare se modifica curentul de magnetizare, deci se pot obtine diverse cicluri dinamice.
Notand cu
, aria ciclului de histerezis parcurs, rezulta ca
densitatea de volum a pierderilor prin histerezis este:
, (17)
unde f este frecvesta de magnetizare a miezului.
Pierderile in histerezis sunt:
(18)
unde N1 reprezinta numarul de spire din primarul transformatorului
N2 reprezinta numarul de spire din secundarul transformatorului
[V/mm]
Ux este valoarea efectiva a tensiunii aplicate placilor de deflexie orizontala
nx este devierea spotului pe verticala
[V/mm]
Uy este valoarea efectiva a tensiunii aplicate placilor de deflexie verticala
ny este devierea spotului pe verticala
Metoda wattmetrului pentru determinarea pierderilor in fier
Masurarea pierderilor in fier (numite si pierderi magnetice de remagnetizare) se face de obicei la frecventa de 50 Hz. Pierderile in fier sunt pierderile prin histerezis si pierderile prin curenti turbionari.
Ca dispozitiv de magnetizare se poate utiliza o bobina cu miez feromagnetic, considerata a fi primarul unui transformator monofazat.
Pentru punerea in evidenta a pierderilor in fier se realizeaza montajul prezentat in figura 8. Indicatia wattmetrului indica pierderile in fier.

Fig. 8. Schema de principiu pentru determinarea pierderilor in fier
Pentru o bobina cu miez feromagnetic
Atunci cand este necesara separarea pierderilor prin histerezis pierderile prin curenti turbionari se realizeaza doua determinari de frecvente diferite f1 , f2 si aceeasi inductie maxima. Metoda se bazeaza pe faptul ca pierderiile prin histerezis sunt proportionale cu frecventaf, iar pierderile prin curenti turbionari sunt proportionale cu patratul frecventei.
Relatia de determinare a pierderilor in fier este:
![]()
(19)
unde
- pierderile in fier
- pierderile prin
histerezis
- pierderi prin curenti
turbionari
a, b - constante
3. MONTAJUL SI APARATURA NECESARA
3.1 Determinarea caracteristicilor statice ale bobinei cu miex feromagnetic
Se realizeaza montajul experimental din figura 9:

Fig. 9. Schema de montaj pentru determinarea caracteristicilor statice ale unei
bobine cu miez feromagnetic
unde E - sursa de tensiune continua
R1 , R2 - reostate de 30 Ω, 5 A
A1 , A2 - ampermetre de curent alternativ
k1 , k2 - comutatoare
GB - galvanometru balistic
3.2. Determinarea caracteristicilor dinamice prin utilizarea ampermetrului si voltmetrului
Se realizeaza montajul experimental din figura 10:

Fig. 10. Schema de montaj pentru determinarea caracteristicii
dinamice de magnetizare
unde ATR - autotransformator reglabil
A - ampermetru de curent alternativ
V - voltmetru de curent alternativ
3.3 Determinarea caracteristicilor dinamice prin intermediul osciloscopului
Se realizeaza urmatorul montaj experimental:

Fig. 11. Montajul experimental pentru vizualizarea ciclului de histerezis
al unui transformator monofazat
unde W - wattmetru electrodinamic
ATR - autotransformator reglabil
Tr - transformator de incercat
A - ampermetru de curent alternativ
V1 , V2 - voltmetre de curent alternativ
Osc - osciloscop catodic
Se realizeaza etalonarea pe placile de deflexie pe orizontala si verticala. Se aplica o tensiune cunoscuta, de la un generator de semnal pe canalul x al osciloscopului si se noteaza aceasta cu Ux. Se masoara devierea spotului pe orizontala si se calculeaza kx.
Se aplica o tensiune cunoscuta, de la un generator de semnal, pe canalul y al osciloscopului si se noteaza aceasta cu Uy. Se masoara devierea spotului pe orizontala si se calculeaza ky.
Cu reglajele astfel efectuate se aplica pe canalul x tensiunea obtinuta pe rezistenta Re si pe canalul y al osciloscopului tensiunea dupa circuitul de integrare.
Se deseneaza si se masoara parametrii ciclului de histertezis si se citesc indicatiile aparatelor.
3.4. Determinarea caracteristicilor dinamice prin utilizarea wattmetrului
Se realizeaza urmatorul montaj experimental:

Fig. 12. Schema de principiu pentru determinarea pierderilor in fier
pentru o bobina cu miez feromagnetic
unde ATR - autotransformator reglabil
V - voltmetru de curent alternativ
A - ampermetru de curent alternativ
W - wattmetru de curent alternativ
TR - transformator monofazat cu
;
.
Se stabileste in circuitul primar un curent de 0,5-8% din curentul nominal.
4. DESFASURAREA LUCRARII
Se realizeaza montajul din figura 9 pentru determinarea caracteristicii de magnetizare. Se realizeaza demagnetizarea circuitului magnetic. Se inchid comutatoarele k1 , k3 si se modifica curentul prin ampermetrul A1 din reostatul R1. Se inverseaza brusc sensul curentului de magnetizare, se inchide comutatorul k2 si se citeste deviatia galvanometrului balistic. Rezultatele se trec in tabelul 1.
Tabelul 1
|
Nr. crt. |
I1 |
|
|
|
|
| ||||
Se traseaza curba fundamentala de magnetizare B = B(H) pentru rezultatele obtinute.
Se realizeaza montajul din figura 9 pentru determinarea ciclului de histerezis in regim stationar. Se determina initial H1max coreslunzatoare varfului ciclic, modificand valoarea curentului de magnetizare cu ajutorul reostatului R1. Se deschide k2 si se citeste indicatia galvanometrului balistic. Rezultatele se trec in tabelul 2.
Tabelul 2
|
Nr. |
I1m ax |
ax |
|
|
I1 |
|
|
|
Se traseaza ciclul de histerezis functie de rezultatele obtinute.
Se realizeaza montajul din figura 10. Se modifica cursorul autotransformatorului ATR tenciunea de alimentare, modificand curentul de magnetizare. Rezultatele se trec in tabelul 3.
Tabelul 3
|
Nr. crt. |
I1 |
U2 |
|
|
Setraseaza ciclul de histerezis B = B(H) functie de rezultatele obtinute.
Se realizeaza etalonarea pe placile de deflexie orizontala si verticala.
Se fixeaza cursorul ATR reglabil ppe o pozitie astfel incat valoarea voltmetrului V1 = 50 V. Se realizeaza montajul din figura 11 se vizualizeaza si se deseneaza caracteristica de histerezis, iar datele se trec in tabelul 4.
Tabelul 4
|
Nr. crt. |
U1 |
I |
P |
Aciclu |
Bmax |
Hmax |
PFe |
P′Fe |
|
Se repeta punctul 4.5 pentru V1 - 60 V , V1 , 70V, utilizand un divizor de tensiune pentru vizualizarea pe osciloscop.
Se inlocuieste autotransformatorul ATR cu un generator de semnal GS cu frecventa reglabila si se fixeaza o tensiune de 10 V. Pe ecranul osciloscopului apare un ciclu de histerezis dinamic. Se vizualizraza ciclul de histerezis pentru frecventele 100 Hz, 500 Hz, 1Khz. Se calculeaza pentru fiecare caz pierderile PFe si se noteaza inductia magnetica remanenta, campul magnetic coercitiv.
Se realizeaza montajul din figura 11 si se regleaza din autotransformatorul reglabil o tensiune nominala. Se citesc cu ajutorul wattmetrului pierderile in fier.
Se simuleaza in Ppice circuitul din figura 10 si se vizualizeaza ciclul de histerezis, modifivand frecventa tensiunii de alimentare.
|
Politica de confidentialitate |
| Copyright ©
2025 - Toate drepturile rezervate. Toate documentele au caracter informativ cu scop educational. |
Personaje din literatura |
| Baltagul – caracterizarea personajelor |
| Caracterizare Alexandru Lapusneanul |
| Caracterizarea lui Gavilescu |
| Caracterizarea personajelor negative din basmul |
Tehnica si mecanica |
| Cuplaje - definitii. notatii. exemple. repere istorice. |
| Actionare macara |
| Reprezentarea si cotarea filetelor |
Geografie |
| Turismul pe terra |
| Vulcanii Și mediul |
| Padurile pe terra si industrializarea lemnului |
| Termeni si conditii |
| Contact |
| Creeaza si tu |