Tipuri de infasurari; atutotransformatorul

Nu este neaparat necesar ca transformatoarele sa fie realizate din doar doua seturi de infasurari. Sa consideram circuitul alaturat.
In acest caz, toate infasurarile impart acelasi miez feromagnetic, fiind cuplate magnetic intre ele. Relatia dintre numarul spirelor infasurarilor si raportul de transformare al tensiunilor considerat la transformatoarele cu doua infasurari, este valabila si in acest (infasurari multipl)e. Este posibila proiectarea unui transformator precum cel din figura de mai sus (o infasurare primara si doua infasurari secundare) in care, o infasurare secundara sa fie ridicatoare de tensiune iar cealalta coboratoare. Toate circuitele sunt separate electric in acest caz.

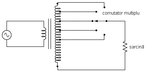
Daca in schimb, nu avem neaparata nevoie de o separare electrica a circuitelor, un efect similar poate fi obtinut si prin utilizarea prizelor in diferite puncte ale infasurarii secundare, precum in figura alaturata.
O priza reprezinta o conexiune facuta intr-un anumit punct de pe secundarul transformatorului. Relatia dintre numarul de spire al infasurarii si tensiunea obtinuta in secundar este valabila si in acest caz, pentru toate prizele transformatorului.

Acest lucru poate fi exploatat pentru obtinerea unui domeniu mult mai larg de raporturi de transformare.

Trecand mai departe, putem construi un "transformator variabil", caz in care vom avea un contact variabil ce se deplaseaza pe infasurarea secundara expusa a transformatorului, fiind posibila conectarea acestuia in oricare punct (priza variabila).
Utilizarea acestor contacte variabile nu este practica in proiectarea transformatoarelor industriale de putere mare, dar sunt totusi folosite pentru ajustarea tensiunilor. In sistemele de putere, aceste ajustari de tensiune trebuie facute periodic pentru a veni in intampinarea variatiei sarcinilor de-a lungul timpului. In mod normal, aceste tipuri de transformatoare nu sunt proiectate pentru a opera sub curenti sa sarcina, prin urmare, "reglarea" lor se realizeaza doar atunci cand transformatorul nu este alimentat.
Daca neglijam in totalitate separarea electrica dintre infasurari, putem construi un transformator folosind doar o singura infasurare; dispozitivul astfel creat poarta numele de autotransformator.




Autotransformatoarele sunt folosite in principal in aplicatiile unde este nevoie de o reducere sau amplificare mica a tensiunii pe sarcina. Ca si alternativa, se poate folosi un transformator normal construit special pentru aplicatia in cauza, sau se poate folosi un autotransformator coborator de tensiune cu infasurarea secundara conectata in serie, fie pentru amplificarea tensiunii sau pentru reducerea ei (anti-serie).
Principalul avantaj al unui autotransformator precum cel de mai sus, este folosirea unei singure infasurari pentru realizarea amplificarii sau reducerii tensiunii, fiind mult mai usor de construit si mai ieftin decat un transformator normal.

Ca si in cazul transformatoarelor normale, se pot realiza prize si pe infasurarile autotransformatoarelor pentru obtinerea variatiei raporturilor de transformare. Mai mult decat atat, acestea pot fi realizate cu un contact variabil, caz in care transformatoarele poarta numele de Variac.
|
Politica de confidentialitate |
| Copyright ©
2025 - Toate drepturile rezervate. Toate documentele au caracter informativ cu scop educational. |
Personaje din literatura |
| Baltagul – caracterizarea personajelor |
| Caracterizare Alexandru Lapusneanul |
| Caracterizarea lui Gavilescu |
| Caracterizarea personajelor negative din basmul |
Tehnica si mecanica |
| Cuplaje - definitii. notatii. exemple. repere istorice. |
| Actionare macara |
| Reprezentarea si cotarea filetelor |
Geografie |
| Turismul pe terra |
| Vulcanii Și mediul |
| Padurile pe terra si industrializarea lemnului |
| Termeni si conditii |
| Contact |
| Creeaza si tu |