Invertoare cu comutatie fortata
Invertoarele cu comutatie fortata -din punct de vedere al conversiei energiei
electrice -realizeaza functia de baza de transformare a curentului continuu in
curent alternativ.La aceste invertoare comutatia este relizata fortat,comutatia
fiind asigurata prin constructie proprie sau datorita sarcinii;ele permit la iesire o
frecventa oarecare ,in general variabila.
Invertoarele cu comutatie de la sarcina cu circuit oscilant sunt incluse in acest
capitol in primul rand din cauza fenomenelor asemanatoare invertoarelor cu
comutatie interna ,realizate cu comutatoare statice.La invertoarele cu circuit
oscilant energia reactiva necesara comutatiei este furnizata de capacitatea
sarcinii care poate exista in mod natural in sarcina ,sau poate fi un condensator,
respectiv o baterie de condensatoare introduse de constructor.


Fig. 1.a. Covertor cu comutatie de la retea

Fig. 1.b. Convertor cu comutatie fortata

Fig. 1.c. Covertor cu comutatie de la sarcina
Invertoarele cu comutatie interna sunt cu comutatie fortata realizate cu
circuite auxiliare de stingere de la condensator sau cu dispozitive
semiconductoare cu posibilitate de blocare din comanda (tranzistoare de putere,
respectiv tiristoare cu revenire pe poarta).
Invertoarele cu comutatie de la sarcina cuprind invertoare cu circuit oscilant ,
care realizeaza comutatia cu energia reactiva a sarcinii ,sau invertoare cu
comutatie de la o masina sincrona supraexcitata.Acestea din urma -din punct de
vedere functional si constructiv -apartin categoriei convertoarelor cu comutatie
de la retea si pot avea si regim de redresor obisnuit.
Invertoarele cu comutatie interna prezinta importanta in primul rand pentru
producerea unei tensiuni sau curent alternativ sau frecventa variabila. Acestea
se compun dintr-un invertor cu redresor si un transformator.
Clasificarea invertoarelor se face dupa urmatoarele criterii:
a) -numar de faze ,monofazate,trifazate si polifazate;
b) -sursa de alimentare :reglabila sau neglijabila;
c) -caracterul circuitului de alimentare:sursa de tensiune sau sursa de curent
(tensiunea are forma dreptunghiulara iar curentul depinde de sarcina);
d) -modul de stingere:stingere de la condensator(de grup,pe faza,autonoma,
adica in ordinea fazelor si independenta);
e) -forma undei de iesire:dreptunghiulara in trepte ,modulara sau nemodulata
f) -durata semiundei de iesire:800;1200 sau variabila.
1 Invertoare monofazate
1.1 Invertoare monofazate cu stingere autonoma
Au o constructie foarte simpla si prezinta siguranta in functionare.
Schema se compune dintr-un transformator cu punct median ,in secundar
fiind conectata sarcina ,doua tiristoare T1 si T2 care intra in conductie in mod
alternativ si conecteaza la rand cate un semiprimar al transformatorului la
sursa Ud;un condensator C de stingere pentru cele doua tiristoare;doua diode
D1 si D2 de fuga pentru curentii inversi ,care permit scurgerea curentului
reactiv spre retea ; doua diode D1S si D2S de separare,care impiedica
descarcarea nedorita a condensatorului atunci cand sarcina este cu t.e.m.
alternativa.
Daca sarcina este pasiva (RL)nu sunt necesare diodele de separare.Schema
mai contine si inductivitatea LK de comutatie ,care separa tiristoarele T1 si T2
de diodele D1 si D2 iar cu condensatorul C formeaza un circuit oscilant.

Fig. 2. Invertor monofazat cu stingere autonoma (schema in paralel)
Functionarea invertorului monofazat cu stingere autonoma
Analiza procesului de functionare a invertorului se va face urmarind pe fig.
3 etapele:
a)-comutatia curentului pe T1 si T2;
b)-inversarea polaritatii tensiunii condensatorului;
c)-inversarea curentului sursei;
d)-inversarea curentului de sarcina.
Se considera starea initiala cand conduce tiristorul T1 si se da impuls de
comanda pe tiristorul T2,iar condensatorul se incarca cu polaritatea indicata in
fig. 3.a.
Datorita tensiunii condensatorului ,in circuitul celor doua tiristoare apare
curentul de comutatie iK care realizeaza intrarea in conductie a tiristorului T2,
iar pe T1 il blocheaza.
Curentul id al sursei se va inchide acum prin T2 dar va circula tot prin
semisecundarul stang al transformatorului ,astfel circuland si prin
condensatorul C pe care il va incarca cu polaritate inversata(fig. 3.b).
Priza intermediara din partea stanga a primarului determina curentul de
circulatie al diodei D1 , curentul iD1,a carei aparitie se datoreaza energiei
inmagazinate in inductivitatea dintre prizele marginale.
Acest curent ajuta la inversarea polaritatii condensatorului ,care se va
incarca cu ceva peste 2Ud datorita curentului iD1.Daca nu ar exista
inductivitatea de comutatie Lk condensatorul C s-ar descarca prin dioda D1 si
tiristorul T2.
Cand tensiunea condensatorului atinge 2Ud curentul sursei se comuta pe
dioda D2 si in sursa se va inversa;de aceea se spune ca aceste invertoare
comuta pe partea de curent continuu.

Fig. 3. Fazele de functionare ale invertorului paralel cu sarcina pasiva
1.2 Invertoare monofazate cu stingere independenta
Partea de forta are o constructie identica cu schema unui variator de
tensiune continua de patru cadrane.
Exista doua variante :schema in punte care contine petru comutatoare statice
(T1,T2,T3 si T4) cu cele patru diode de fuga corespunzatoare montate ca in
figura 4 si schema cu doua surse(sau cu o sursa cu punct median),care se
compune doar din doua comutatoare statice(T1 si T2) si doua diode de fuga ca
in figura 5.In figura este indicat si modul de comanda pentru invertor.

Fig. 4. Invertorului monofazat in punte cu stingere independenta (schema in punte)
La schema in punte,comutatoarele statice T1 si T3 respectiv T2 si T4 se
comanda deodata si in mod alternativ.
Impulsurile de amorsare a T1 si T2 corespund cu impulsurile de blocare
pentru T3 si T4.

Fig. 5. Invertorul monofazat in punte cu stingere independenta (schema cu sursa cu punct median)
2 Invertoare polifazate cu comutatie fortata
2.1 Invertoare trifazate in punte
Un invertor multifazat se obtine prin montarea mai multor invertoare
monofazate care vor fi comandate cu defazaj corespunzator pe faze.La
invertoarele trifazate cele trei invertoare monofazate sunt conectate cu defazaj
de 2../3.
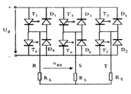
In figura 6 se reprezinta schema principala a unui invertor trifazat in
punte,unde cu CS s-au notat comutatoarele statice cu tiristoarele si diodele de
curent reactiv invers necesare .La tensiune continua Ud constanta ,
amplitudinea tensiunii dreptunghiulare pe partea alternativa va fi constanta
(daca nu se foloseste reglajul prin unghi de comanda sau prin impulsuri).

Fig. 6. Invertorul trifazat in punte si forma tensiunii de iesire
2.2 Variante de invertoare clasificate in functie de modul de
Stingere
2.2.1 Invertoare cu stingere autonoma(cu stingere in ordinea fazelor
sau intre faze)
Asemanator invertoarelor paralele monofazate ,pe atingere se utilizeaza
condensatoare legate intre doua faze,iar stingerea unui tiristor in conductie este
realizata prin aprinderea urmatorului tiristor.
In figura 7a si b sunt reprezentate doua variante de invertoare cu stingere
automata.In figura 7 a se arata un invertor de tensiune care se alimenteaza de
la o sursa cu caracter de generator de tensiune realizat de condensatorul de
filtraj C.
La iesire ,forma tensiunii este dreptunghiulara , iar curentul este determinat de
sarcina.Daca sarcina este inductiva ,forma tensiunii depinde de forma
curentului deoarece poate sa apara si in cazul cand curentul la aprinderea unei
faze noi circula prin dioda de curent invers(D1D6) in schema exista si diode de
separare (Ds1Ds6)care impiedica descarcarea condensatorilor de stingere in
momente diferite.Durata de conductie a tiristoarelor este de 1200.Secventa de
comanda a tiristoarelor este indicata de ordinea lor de numerotare.

Fig. 7.a. Invertor trifazat cu stingere automata de tensiune
Se presupune ca la un moment dat sunt in conductie doua tiristoare pe o
durata de 600 de exemplu T1 si T2 apoi T2 si T3 si asa mai departe.Stingerea
tiristorului T1 are loc prin aprinderea lui T3 care negativeaza anodul tiristorului
T1 aplicand tensiunea condensatorului C13.

Fig. 7.b. Invertor cu stingere automata care se alimenteaza de la sursa cu caracter de generator de curent realizat prin inductivitatea de valoare mare L in circuitul de cc ??????
Dioda Ds1 protejaza tiristorul T1 la supratensiunea datorita intreruperii
curentului in circuitul de iesire R,iar dioda D1 permite trecerea curentului
invers de natura inductiva.Inductivitatile L1,L2 si L3 cu punct median sunt
inductivitati de comutatie.
In figura 7 b s-a reprezentat un invertor cu stingere automata care se
alimenteaza de la o sursa cu caracter de generator de curent realizat prin
inductivitatea de valoare mare L in circuitul de curent continuu,care poate
asigura forma dreptunghiulara a curentilor la iesirea din invertor.Functionarea
este asemanatoare invertorului descris anterior .In aceasta schema lipsesc
diodele de curent invers deoarece curentul nu este determinat de sarcina ci este
impus de sursa.
2.2.2 Invertoare cu stingere de grup
Un astfel de invertor este reprezentat in figura 7 c unde fiecare ramura a
puntii este stinsa de la un condensator comun C4 .Tiristoarele T1,T3 si T5 din
ramura superioara a puntii pot fi stinse prin tiristoarele de stingere T7 si T In
acest moment condensatorul de stingere se descarca prin diodele D4,D6 si D2 din
ramura inferioara a puntii si stinge tiristorul de conductie.

Fig. 7.c. Invertor trifazat cu stingere de grup
Im mod asemanator se procedeaza pentru tiristoarele de stingere T9 si T10.
Deoarece polaritatea condensatorului se inverseaza dupa fiecare proces de
stingere ramurile superioare si inferioare ale invertorului vor fi stinse in mod
alternativ.
Condensatorul de comutatie C7 este legat in paralel cu sursa de alimentare Ud
din acest motiv intre acest condensator si sursa trebuie montate inductivitatile de
comutatie Lk deoarece in momentul stingerii polaritatea ramurilor de curent
continuu ale invertorului se inverseaza pentru un timp scurt.Socurile de curent
produse in momentul unei stingeri in inductantele de comutatie prin intermediul
diodelor D7 si D8 se produc curenti care vor fi debitati spre sursa de curent
continuu.Aceste inductante produc supratensiuni pe partea de invertor ,care sunt
cu atat mai mici cu cat este mai mare raportul de transformare.Solicitarea de
tensiune a diodelor D7 si D8 creste insa cu marirea acestui raport.
2.3.2 Invertoare cu stingere pe faza
In figura 7 d s-a reprezentat un invertor cu trei condensatoare de stingere
(Ck) care sting alternativ tiristoarele dintr-o ramura superioara si inferioara
puntii.Fiecare condensator lucreaza pe o faza a invertorului.

Fig. 7.d. Invertor trifazat cu stingere independenta
Inceputul stingerii tiristorului T1 este determinata de aprinderea tiristorului T7.
Inductivitatea de comutatie Lk legata in serie cu condensatorul Ck impiedica
descarcarea directa a condensatorului prin dioda de curent invers D1.
Inductivitatea Lk serie limiteaza curentul de stingere semisinusoidal.Valoarea
maxima a curentului semisinusoidal trebuie sa fie mai mare decat cel mai mare
curent de sarcina care trebuie sa fie stins.Si la acest montaj dupa o stingere se
inverseaza polaritatea condensatorului astfel stingerea va fi in mod alternativ pe
ramurile superioare , respectiv inferioare ale invertorului.
Inductivitatea de comutatie serie produce pe condensator o tensiune mai mare
decat tensiunea sursei Ud astfel solicitarea la tensiune a tiristoarelor este mai
mare.
2.2.4 Invertoare cu stingere independenta
In figura 7.e se reprezinta un invertor la care fiecare ramura a puntii are un
circuit propriu de stingere.
Fiecare faza contine un chopper cu tact contrar din aceasta schema conduc
cate doua tiristoare,de exemplu T11 si T12 apoi T13 si T14.
Pentru intreruperea curentului se aprinde unul din tiristoarele blocate .Atunci
condensatorul se descarca prin tiristorul aprins in paralel si intrerupe curentul acestuia.

Fig. 7.e. Invertor trifazat cu circuit propriu de stingere
Si in acest montaj ramurile cun tiristoare si ramurile cu diode de curent invers
in antiparalel sunt separate prin intermediul unor inductivitati de comutatie Lk
cu punct median.
In momentul stingerii diodele de curent invers sunt solicitate in sens invers
pentru un timp scurt la tensiunea dubla a sursei ,deoarece tensiunea
condensatorului se conecteaza pentru moment in serie cu sursa.
De exemplu la stingerea tiristorului T11, in momentul aprinderii lui T13 in
primul moment dioda D4 preia tensiunea Ud+Uc=2Ud.
In figura 7.e in locul comutatorului static CS cu tact contrar se poate utiliza
si alt tip de exemplu o schema de reincarcare.
Aceste tipuri de invertoare cu stingere independenta nu prezinta nici o conditie
in ceea ce priveste aprinderea sau stingerea ramurilor sale :acest lucru permite
in afara posibilitatii de variere a frecventei si modificarea tensiunii de iesire ,de
exemplu comanda prin modularea prin impulsuri ca la variatoarele de tensiune
continua.
3 Analiza procesului de stingere in schemele cu invertoare
3.1 Procesul de stingere in circuite cu bobine cu punct median
Se va studia procesul stingerii in schemele unde tiristoarele si diodele de curent
invers sunt separate prin bobine cu punct median.

Fig. Invertor trifazat cu circuit propriu de stingere
Se va presupune ca , curentul de sarcina circula prin tiristoarele T11 si T12, prin
faza R si prin perechea exterioara de tiristoare din CS2 in faza T.
Curentul va fi stins prin aprinderea tiristorului T13.In procesul de aprindere
iau parte diodele D1 respectiv D4.Circuitul in care are loc stingerea este desenat
in figura 9.a.

Fig. 9.a. Circuitul de stingere
Fazele R si T ale sarcinii sunt reprezentate de o singura impedanta rezultanta
ceea ce este permis deoarece CS2 conduce in tot timpul procesului de stingere.
La calculul procesului de stingere se va tine seama de conditiile initiale la
momentul t=t1 cand este aprins tiristorul T13.Se presupune pentru simplificare ,
ca pe partea sarcinii inductivitatea este destul de mare pentru a mentine constant
curentul de sarcina adica:
is=Is=ct
Se presupune ca in momentul t1 tensiunea condensatorului are valoarea
initiala:
uc(t1)=-UC1
Se poate scrie relatia dintre curentul de sarcina IS,curentul condensatorului iC
si curentul diodei de curent invers iD1:
ic=Is+iD1
Condensatorul si inductivitatea de comutatie Lk formeaza un circuit oscilant ,
iar curentul condensatorului se adauga curentului de sarcina.
Cu conditia de sus is=Is=ct , curentul condensatorului se va modifica dupa


In figura 9.b s-a prezentat variatia in timp a curentilor si a tensiunilor.

Fig. 9.b. Procesul de stingere
In timp ce tensiunea condensatorului e negativa , pe tiristorul T11 care trebuie
stins ,va fi aplicata o tensiune inversa de blocare.Timpul de polarizare inversa
poate fi
obtinut din relatia de mai sus prin anularea acesteia: 

3.2. Procesul stingerii in circuite cu bobina de comutatie serie
Se va studia procesul stingerii in schemele unde inductivitatea Lk si
condensatorul Ck sunt legate in serie.
O astfel de schema a fost realizata in figura 7.d . Acest tip de invertoare sunt
cu stingere pe faza.Se va presupune ca sunt in conductie tiristoarele T1 si T2, iar
tiristorul T1 va fi stins cu tiristorul T7 prin aprinderea acestuia in momentul t1.
Astfel o parte din curentul de stingere va circula prin dioda de curent invers D1.
Dupa terminarea comutatiei si reincarcarii condensatorului curentul de
sarcina va fi preluat de dioda D4.
Figura 10.a reprezinta circuitul de comutatie simplificat ,unde fazele R si T
ale sarcinii sunt reprezentate de o singura impedanta rezultanta, ca si in cazul
cursului anterior.

Fig. 10.a. Circuitul de stingere
Conditiile initiale sunt:
UC(t1)=-UC1
unde: iS=IS=ct.
adica se presupune ca inductivitatea L este suficient de mare pentru a mentine
curentul de sarcina la valoare constanta.
Si aici este
valabila relatia: 
Figura 10.b reprezinta variatia in timp a curentilor si tensiunilor in timpul
procesului de stin

Fig. 10.b. Variatia in timp a curentilor si tensiunilor in timpul procesului de stingere
Pentru calculul duratei de polarizare inversa Δt cu tiristorul T1 se observa ca
dioda D1 este legata paralel cu T1 si ca aceasta va fi polarizata invers doar de
tensiunea de conductie(1,5V) si a diodei D1 pe durata cat conduce dioda.
Variatia tensiunii inverse depinde in mare masura de inductivitatea L a
circuitului in paralel cu tiristorul si de configuratia spatiala a acestuia.
Pentru calculul lui Δt se va considera ca in momentul t3 tensiunea de
polarizare inversa isi schimba semnul,deci cand curentul de stingere atinge
valoarea sa maxima.
Conform
relatiilor anterioare rezulta: 

4 Comportarea invertorului de tensiune
In cele mai multe aplicatii este necesara pe langa modificarea frecventei si
reglarea tensiunii de iesire a invertorului.Exista mai multe posibilitati si anume:
. Reglare pe partea de curent continuu;
. Reglare in interiorul invertorului;
. Reglare pe partea de curent alternativ.
La prima se modifica tensiunea circuitului intermediar de curent continuu
daca alimentarea se face de la redresor,conform figurii 11 unde este prezentat
un convertor de frecventa cu circuit intermediar de curent cintinuu.

Fig. 11. Schema de principiu a convertorului de frecventa cu circuit intermediar de curent continuu
Metoda a doua poate fi realizata prin comanda unghiului de aprindere sau
prin modularea prin impulsuri.
A treia metoda se realizeaza cu ajutorul unui autotransformator sau prin
legatura in serie a mai multor invertoare care sunt comandate cu dublaj
corespunzator.
In continuare se va trata posibilitatea de reglare a tensiunii din interiorul
invertorului.
4.1 Modificarea tensiunii de alimentare prin reglarea unghiului de aprindere
al invertoarelor
Daca tensiunea circuitului intermediar Ud este constanta reglarea tensiunii de
iesire a invertorului trebuie realizata de invertor.Tensiunea dreptunghiulara de
iesire poate fi modificata in ramura corespunzatoare a invertorului prin
micsorarea duratei de aprindere ,respectiv prin intarzierea aprinderii.
Astfel se micsoreaza valoarea medie a tensiunii de iesire desi amplitudinea
undei dreptunghiulare este constanta.
La micsorarea accentuata a tensiunii armonicele superioare cresc in raport cu
fundamentala.
In figura 12 se arata schema unui invertor monofazat in punte.Se presupune
ca perechile de tiristoare T1,T2 respectiv T3 si T4 sunt aprinse simultan in functie
de frecventa de iesire pe o durata de 1800 astfel tensiunea alternativa de iesire
este:
URS=UR0-US0

Fig. 12. Invertor monofazat in punte
In figura 13.a se vede ca forma acestei tensiuni este dreptunghiulara . In
figura 13.b comanda tiristorului T2 fata de T1 ,respectiv a lui T4 fata de T3 este
facuta de un defazaj de unghi .. , iar durata tensiunii alternative pe sarcina va fi
redusa la 1800-.. .Marind unghiul .. scade durata impulsului de tensiune si la
j=1800 dispar complet.
Datorita efectului armonicilor superioare la valorile mari ale unghiului ..
aceasta metoda de reglare a tensiunii poate fi utilizata intr-un domeniu limitat.

Fig. 13. Forma tensiunii pe sarcina pentru diferite perioade de conductie a tiristoarelor
In figura 14.a se prezinta reglajul tensiunii unui invertor trifazat resupunand
ca tiristoarele T1T6 sunt conectate fiecare pe o durata de 1800 in ordinea
corespunzatoare
numerotatiilor , tensiunea de iesire va avea forma din figura 14.b. 

a)

b)
Fig. 14. Reglajul tensiunii la invertorul trifazat in punte
Tensiunea de linie URS aplicata sarcinii ,care este conform relatiei de mai sus ,
pentru o durata de constructie a tiristoarelor de 1800,va fi compusa din impulsuri
de durata de 1200.Celelalte doua tensiuni de linie sunt asemanatoare:
uST=uS0-uT0 ; uTR=uT0-uR0
Pentru cele trei tensiuni de linie se poate scrie totdeauna relatia:
uRS+uST+uTR=0
Daca sarcina este simetrica tensiunile pe faza se obtin din tensiunile de linie
dupa formulele:
uR= ..
..(uRS-uTR)=uR0.. ..
..(uR0+uS0+uT0)
uS= ..
..(uST-uRS)=uS0.. ..
..(uR0+uS0+uT0)
uT= ..
..(uTR-uST)=uT0.. ..
..(uR0+uS0+uT0)
In figura 14.b s-a reprezentat tensiunea fazei R,adica UR care are forma in
trepte ,cu valorile Ud/3 respectiv 2Ud/3.
Si la invertoarele trifazate tensiunea de iesire poate fi reglata prin modificarea
duratei de conductie a tiristoarelor.
Daca in ramurile invertorului durata de conductie a tiristoarelor este mai mica
de 1800,potentialul ramurii respective nu poate fi determinat univoc,deoarece pe
durata cand ambele tiristoare sunt blocate acesta depinde de curentul de faza si
de directia curentului.
Daca sarcina este pur-ohmica nu sunt probleme deoarece in diodele de curenti
inversi D1D6 nu circula curent.Insa sarcina este inductiva,prin diode pot exista
in anumite momente curenti care ingreuneaza studiul variatiei tensiunii.
4.2 Modelarea prin impulsuri a tensiunii de iesire
Pentru reglarea tensiunii de iesire la invertoare se mai utilizeaza metoda de
modulare prin impulsuri intalnita si la variatoarele de tensiune continua.
Principiul acestei metode consta din conectarea si deconectarea de mai multe
ori a unei ramuri a invertorului pe durata unei singure semiperioade,
corespunzatoare frecventei de iesire.
Astfel valoarea medie a tensiunii de iesire poate fi variata in mod continuu.
In figura 15.a se poate urmarii modul de functionare intr-un astfel de regim
de invertor.In cazul in care se presupune ca sunt in conductie CS1 si CS2
tensiunea continua Ud este aplicata fazelor R si T ale sarcinii ,deci circuitul
intermediar se va inchide prin sarcina prin intermediul lui CS1 si CS2.Tensiunea
continua este aplicata fazelor R si T ale sarcinii ,deci circuitul intermediar se va
inchide prin sarcina prin intermediul lui CS1 si CS2.
Daca se deconecteaza CS2 si daca sarcina are caracter inductiv curentul de
sarcina va parcurge in continuare prin CS1 si dioda de curent invers D5 , in timp
ce intre fazele R si T ale sarcinii tensiunea este nula.
Aceasta etapa de functionare este reprezentata in figura 15.b.
Daca se deconecteaza CS1 curentul de sarcina va circula asemanator prin CS2
si D4 (fig 15.c).
Daca se deconecteaza si al doilea comutator static , curentul de sarcina va
trebui sa circule prin diodele D4 si D5 si va avea sens contrar tensiunii continue
Ud' adica va avea loc debitarea de energie spre sursa.
In acest timp pe fazele R si T apare tensiunea inversa -Ud' etapa care este
prezentata in figura 15.d.
Conform celor aratate,pe sarcina pot exista trei situatii de tensiune, si anume:
alimentarea sarcinii cu tensiunea +Ud' ,regimul liber U=0 si debitarea de energie
spre sursa la -Ud .Daca conduc doua comutatoare(tensiunea pe sarcina este
pozitiva)are loc transfer de energie de la sursa de curent continuu spre partea de
curent alternativ a sarcinii.
Daca conduce un comutator si o dioda (tensiunea sarcinii este 0)nu are loc
schimb de energie intre sursa si sarcina.

Fig. 16. Variatia tensiunii prin modificarea momentului de aplicarea impulsurilor de comanda ale tiristoarelor
In sfarsit , daca conduc doua diode de curent invers(tensiunea pe sarcina este
negativa) are loc transfer de energie spre sursa de alimentare de curent
continuu.

Fig. 17. Invertor trifazat de curent cu circuit intermediar de curent continuu
Pe perioada T/2 corespnzatoare frecventei de iesire,tensiuea are valoarea +U
respectiv -Ud .
Valoarea medie a tensiunii alternative prin impulsuri pe o semiperioada T/2
poate fi modificata prin varierea raportului de conectare si deconectare
λ=T1/(T2+T1).
Aceste solutii prezentate se numesc pe scurt invertoare de tensiune .Cele mai
multe din aceste variante pot functiona in regim de transfer de energie in sens
invers:astfel este rezolvata functionarea in regim de generator a unui motor
asincron.
Este posibila de asemenea inversarea sensului de rotatie a motorului ,insa in
ambele cazuri redresorul de retea trebuie construit cu tiristoare in antiparalel.
5 Comportarea invertorului de curent
O alta varianta a convertoarelor de frecventa cu circuit intermediar de curent
continuu este aceea la care circuitul intermediar are caracter de sursa de curent.
Un astfel de invertor a fost prezentat in schemele unde stingerea s-a facut cu
condensator intre fazele sarcinii care combinat cu un redresor comandat va
determina un convertor de frecventa cu circuit intermediar cu caracter de sursa
de curent.
Astfel de convertoare sunt utilizate preponderent la alimentarea cu tensiune de
frecventa variabila a motoarelor asincrone(de obicei cu rotorul in scurtcircuit).
Configuratia din figura 17 prezinta un invertor care contine relativ putine
elemente pasive.Circuitul intermediar de curent continuu este alimentat de la un
redresor trifazat in punte simetric comandat.Circuitul intermediar este cuplat la
invertor prin intermediul unei bobine de soc cu inductivitate destul de mare.
Invertorul este de asemenea simetric trifazat in punte ,cu condensatoarele de
stingere conectate cu tiristoarele de comutatie fortata.
Aceste condensatoare ,pentru descarcarea nedorita sunt separate la iesirea
invertorului prin diode.La iesirea invertorului este conectat motorul asincron cu
rotorul in scurtcircuit care urmeaza a fi reglat.
Dupa cum se vede , in aceasta schema nu figureaza condensatorul de valoare
mare,necesar la invertoarele de tensiune si nu sunt necesare diodele de fuga.
Datorita condensatorului de filtraj si existentei bobinei de soc cu inductivitate
relativ mare, tensiunea pe partea de curent continuu a invertorului este
determinata de motor,in timp ce curentul din circuitul intermediar este mentinut
la o valoare practic constanta in demersul unui tact de catre bobina de soc.
Invertorul conecteaza acest curent aproximativ constant de la o faza a
motorului la faza urmatoare,intr-un ritm determinat de frecventa impulsurilor
de aprindere de sase ori pe perioada.
Astfel de curenti de faza au o forma aproximativ dreptunghiulara ,iar
tensiunea la borne variaza aproximativ sinusoidal daca facem abstractie de
varfurile de tensiune de autoinductie.
Aceste supratensiuni se suprapun pe sinusoida de sase ori intr-o perioada si
apar pe inductivitatea tranzitorie a motorului datorita comutatiei circuitului.

Fig. 17. Invertor trifazat de curent cu circuit intermediar de curent continuu
Aceasta variatie aproximativ sinusoidala a tensiunii de iesire in urma reactiei
motorului fapt ce a condus la denumirea de convertor cu unda cvasisinusoidala.
Comutatia curentului de pe o faza a motorului pe alta nu poate fi prea rapida
deoarece apar tensiuni foarte mari de autoinductie.Comutatia lenta necesita
condensatoare de stingere cu capacitate relativ mare ,insa acest neajuns este
echilibrat de faptul ca nu este necesar condensatorul de filtraj.Comutatia lenta
de curent mai este favorabila si din punct de vedere al armonicelor.
Din cauza varfurilor de tensiune de autoinductie ,care apar in urma comutatiei
frecventa maxima limita practic,nu este determinata de parametrii dinamici ai
tiristoarelor ,ci de solicitarile maxime admisibile de tensiune.Din acest motiv un
alt avantaj fata de invertoarele de tensiune este ca nu sunt necesare tiristoare
rapide.
Deoarece tensiunea continua a invertorului este formata in mod liber de
tensiunile motorului.In acest caz,daca viteza motorului depaseste viteza sincrona
a motorului determinata de frecventa de lucru ,atunci se inverseaza polaritatea
tensiunii continue.
Daca in acelasi timp circuitele de reglaj aplica redresorului de retea o
comanda corespunzatoare unui regim de invertor ,atunci in mod automat apare
franarea cu recuperare in regim de generator a motorului asincron.
Deci ,invertorul de curent prin natura lui este capabil de a functiona in regim
de generator .Astfel se poate obtine o actionare reglabila in patru cadrane fara a
fi necesare doua redresoare de retea ca in varianta invertoarelor de tensiune.
Acest lucru reprezinta evident un avantaj important fata de invertoarele de
tensiune .Pe langa caracterul de noutate si avantajele mai sus amintite au
contribuit la raspandirea foarte larga in ultimul timp a actionarilor prin aceste
invertoare.


|
Politica de confidentialitate |
| Copyright ©
2025 - Toate drepturile rezervate. Toate documentele au caracter informativ cu scop educational. |
Personaje din literatura |
| Baltagul – caracterizarea personajelor |
| Caracterizare Alexandru Lapusneanul |
| Caracterizarea lui Gavilescu |
| Caracterizarea personajelor negative din basmul |
Tehnica si mecanica |
| Cuplaje - definitii. notatii. exemple. repere istorice. |
| Actionare macara |
| Reprezentarea si cotarea filetelor |
Geografie |
| Turismul pe terra |
| Vulcanii Și mediul |
| Padurile pe terra si industrializarea lemnului |
| Termeni si conditii |
| Contact |
| Creeaza si tu |