MASurarea puterii SI energiei in circuite trifazate f.c.n.
TEOREMA LUI BLONDEL
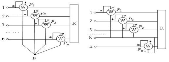
Puterea totala intr-un circuit cu n faze poate fi masurata cu ajutorul a n watmetre conectate astfel incat bobinele de curent sa fie parcurse de curentii de linie iar bobinele de tensiune sa fie conectate intre conductoarele respective si un punct N de potential oarecare.
![]()
![]()
![]()

TEOREMA LUI BLONDEL
Potentialul punctului de referintǎ N este arbitrar, de aceea se poate alege chiar pe una dintre fazele circuitului, de exemplu pe faza k, numitǎ fazǎ de referintǎ. Se gǎseste astfel, schema de mǎsurare a puterii active cu n - 1 wattmetre.
Metodele celor n si n - 1 aparate sunt valabile indiferent de gradul de nesimetrie al tensiunilor de alimentare ale circuitului si indiferent de gradul de dezechilibru al curentilor de linie.
Observatii
n Puterea este independenta (nu depinde) de punctul N;
n Puterea nu depinde de tipul sarcinii;
n Indicatia wattmetrelor monofazate nu are semnificatie fizica.
Mǎsurarea puterii active in circuite trifazate f.c.n.

Schema de mǎsurare a puterii active trifazate f.c.n. cu trafo de tensiune si curent

![]()
Mǎsurarea cu 3 wattmetre a puterii reactive in circuite trifazate f.c.n.

![]()
4. Mǎsurarea indirectǎ a puterii si energiei in circuite c.c.n.
Mǎsurarea indirectǎ a energiei active, cu TCA43, in circuite c.c.n.

Mǎsurarea indirectǎ a puterii si energiei in circuite f.c.n.
Mǎsurarea indirectǎ a energiei active, cu TCA32, in circuite f.c.n.

|
Politica de confidentialitate |
| Copyright ©
2025 - Toate drepturile rezervate. Toate documentele au caracter informativ cu scop educational. |
Personaje din literatura |
| Baltagul – caracterizarea personajelor |
| Caracterizare Alexandru Lapusneanul |
| Caracterizarea lui Gavilescu |
| Caracterizarea personajelor negative din basmul |
Tehnica si mecanica |
| Cuplaje - definitii. notatii. exemple. repere istorice. |
| Actionare macara |
| Reprezentarea si cotarea filetelor |
Geografie |
| Turismul pe terra |
| Vulcanii Și mediul |
| Padurile pe terra si industrializarea lemnului |
| Termeni si conditii |
| Contact |
| Creeaza si tu |