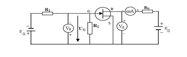
Pentru ridicarea
caracteristicilor statice ale TEC-J se utilizeaza montajul din figura 1,
care indica sursele de polarizre si aparatele folosite pentru
urmarirea valorilor tensiunilor si curentului din tranzistor.

Fig. 1. Montaj pentru ridicarea caracteristicilor statice
ale unui TEC-J cu canal n
Cu ajutorul montajului se poate determina valoarea curentului IDSS si se pot trasa, punct cu punct, caracteristicile de iesire si de tarnsfer.
Curentul IDSS
se determina legand grila la sursa, adica pentru UGS=0,
masurand curentul pentru cateva valori ale tensiunii de drena.
Pentru ridicarea caracteristicilor de iesire se alimenteaza montajul de la cele doua surse de
tensiune variabila, ED si EG. La diferite tensiuni UDS, se masoara curentii ID,
pastrand constanta, trecand rezultatele intr-un tabel. Operatiile se repeta pentru
inca 2-3 valori ale parametrului constant UGS. Se traseaza
apoi caracteristicile de iesire ID=f(UDS), cu UGS=
const., folosind datele din tabele.
Pentru ridicarea caracteristicilor de transfer
se fixeaza UDS si se
modifica UGS, masurand curentul ID, de fiecare
data, completand datele intr-un tabel. Se traseaza grafic, punct cu
punct, caracteristicile ID=f(UGS),
cu UDS= const , folosind datele inscrise in tabel. De pe grafic se
poate determina valoarea tensiunii de prag pentru care curentul se
anuleaza.
|
Politica de confidentialitate |
| Copyright ©
2025 - Toate drepturile rezervate. Toate documentele au caracter informativ cu scop educational. |
Personaje din literatura |
| Baltagul – caracterizarea personajelor |
| Caracterizare Alexandru Lapusneanul |
| Caracterizarea lui Gavilescu |
| Caracterizarea personajelor negative din basmul |
Tehnica si mecanica |
| Cuplaje - definitii. notatii. exemple. repere istorice. |
| Actionare macara |
| Reprezentarea si cotarea filetelor |
Geografie |
| Turismul pe terra |
| Vulcanii Și mediul |
| Padurile pe terra si industrializarea lemnului |
| Termeni si conditii |
| Contact |
| Creeaza si tu |