Cap I.Tema de proiect
Sa se proiecteze instalatiile electrice ale centralei de termoficare(CTE) si ale statiei de evacuare aferente acesteia,incadrate cu linie intrerupta in figura 1.
Fig 1.
Date initiale de proiectare
a) CTE este echipata cu doua grupuri de 60MW functionand cu carbune inferior;
b) liniile electrice LEA1, LEA2, LEA3, LEA4 prin care se evacueaza in sistem energia electrica produsa au tensiuni nominale Un=110kV, lungimile l1=l2=l3=l4=128 [km] si reactanta unitara xo=0,4 [Ω/km];
c) sistemul electroenergetic echivalent S, la nivelul barei de racord are tensiunea nominala Un=110 [kV] si puterea de scurtcircuit Sk=2520 [MVA];
d) circuitul apei de racire este de tip inchis,centrala fiind echipata cu turnuri de racire;
e) liniile electrice LEA1, LEA2, LEA3, LEA4 sunt dimensionate in varianta 4x33%.
f) Schema electrica de conexiuni este pevazuta cu grupuri de masura si decarcator.
Probleme de rezovat:
I) Stabilirea schemei electrice de conexiuni a circuitelor primare si a schemiei de alomentare a serviciilor proprii;
II) Alegerea transformatoarelor din schema;
III) Calculul curentilor de scurtcircuit necesari in vederea alegerii si verificarii echipamentelor electrice;
IV) Verificarea conditiilor de pornire si autopornire a motoarelor electrice de servicii proprii;
V) Alegerea si verifcarea intreruptoarelor,separatoarelor si barelor colectoare.
Cap II.Stabilirea schemei electrice de conexiuni a circuitelor proprii si a schemei de alimentare a serviciilor proprii.
Intrucat centrala este echipata cu grupuri generatoare de 60 MVA, la partea de tensiune a generatoarelor vom folosii schema bloc generator-transformator.
Centrala fiind interconectata in cadrul sistemului electroenergertic, racordarea ei la la sistem se realizeaza la nivelul de 110 kV printr-o statie de evacuare. Deoarece in statia de evacuare avem doua transformatoare (T1, T2) si patru linii electrice de plecare, se impune realizarea unei scheme cu bare colectoare la nivelul 110 kV si vom opta pentru o schema cu doua bare colectoare nesectionate. Regimulnormal de functionare este cu toate circuitele racordate la BC1, iar BC2 este bara de rezerva.
In cazul CET-urilor, pentru alimentarea serviciilor proprii generale (SPG), se prevad bare colectoare de SPG, pe care le vom alimenta prin doua transformatoare coboratoare de tensiune (TSPG), racordate la instalatia de conexiuni de 110 kV. Aceste bare servesc drept surse de rezerva si pornire pentru barele de SPB. Barele cde SPb vor fi alimentate prin cate un transformator de servicii proprii bloc(TSPB) si vor fi realizate cu bare colectoare nesectionate, iar barele de SPG se realizeaza cu sistem de bare colectoare sectionate, cupla longitudinala fiind normal deschisa si prevazuta cu AAR.
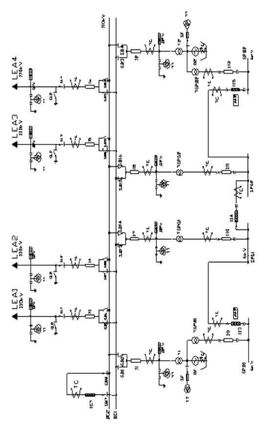
In figura 2 prezentam schema electrica de conexiuni a centralei si statiei de evacuare, in care indicam aparatajul de comutatie si grupurile de masura si descarcator.
Fig 2.
Cap III.Alegerea transformatoarelor din schema
A.Alegerea transformatoarelor de evacuare T1 si T2
- nivelul de tensiune superioara: Us=110kV;
- nivelul de tensiune inferioara corespunde tensiunii nominale a generatoarelor sincrone.
Din Anexa 1, tabelul A.1.1, pentru generatoarele de 60MW avem Un=10,5kV,deci Us=10,5kV.
- puterea maxima vehiculata prin transformator este egala cu puterea nominala a generatorului.Din Anexa 1, tabelul A.1.1. pentru generatoarele de 60MW avem Pn=60MW si cosφn=0,8.
![]()
STmax=75MVA
din Anexa 3, tabelulA.3.2, alegem transformatorul:
de tip TTUS-FS
Sn=80MVA
Uns=110kV
Uni=10,5kV
usc(n)%=11,5
B. Alegerea transformatoarelor de servicii prorpii bloc (TSPB1,TSPB2)
- nivelul de tensiune superioara este corespunzator cu nivelul de tensiune de la bornele generatorului, deci: Us=10,5kV;
- nivelul de tensiune inferioara : Ui=6kV;
2) - putrea maxima vehiculata prin transformator: intrucat se cunoastelista completa a receptoarelor de servicii proprii pentru centrala functionand cu carbune inferior si avand grupuri de 60MW(Anexa 2, tabelul A.2.3) consumul de durata al receptoarelor de SPB este:

Puterea maxima vehiculata prin TSPBeste:
STSPBmax=SSPBmax=17,893 MVA
3) - din Anexa 3, tabelul A.3.2. , alegem transformatorul:
tip TTU-NS
Sn=25 MVA
Uns=10 kV
Uni=6,3 kV
usc(n)%=8
C.Alegerea transformatoarelor de servicii prorii generale (TSPG1 si TSPG2)
1) - nivelul de tensiune superioara: Us=110kV;
- nivelul de tensiune inferioara: Ui=6kV;
2) - puteea maxima vehiculata prin transformator : consumul maxim de durata al receptoarelor de SPG este:
![]()
Puterea maxima vehiculta prin TSPG, dimensionate 2x100%, este:
STSPGmax=SSPGmax+SSPBmax=7,952+17,893=25,845 MVA
STSPGmax=25,845 MVA;
3) - din Anexa 3, tabelul A.3.2, alegem transformatorul:
tip TRDN
Sn=32 MVA
Uns=110kV
Uni=6,6kV
Usc(n)%=10,5
Cap IV.Calculul curentilor de scurtcircuit necesari in vederea alegerii si verificarii echipamentelor electrice
Pentru determinarea curentilor de scurtcircuit maximi prin ramurile schemei din figura 2. este necesar sa consideram urmatoarele scurtcircuite :
A) Scurtcircuit pe barele colectoare de 110kV;
B) Scurtcircuit pe barele SPG de 6kVs
C) Scurtcircuit pe barele SPB de 6kV.
Stabilim caracteristicile nominale, necesare in vederea calcului, pentru toate elementele din schema:
- pentru generatoarele sincron G1 siG2, conform tabelului A.1.1.avem:
Sn=75MVA
Uni=10,5kV
cosφn=0,8
x''*d(n)=0,15
x*d(n)=1,66
U*eEp(n)=2
- pemtru transformatoarele de evacuare T1 si T2 , avem:
Sn=80MVA
Uns=110kV
Uni=10,5kV
u%sc(n)=11,5
- pentru liniile electrice LEA1, LEA2, LEA3, LEA4, avem:
Un=110kv
l=128km
xo=0,4 Ω/km
- pentru sistemul electroenergetic echivalent S, avem:
Ubn=110kV
Sk=2520MVA
- pentru transformatoarele de servicii proprii bloc TSPB1 si TSPB2, avem:
Sn=25MVA
Uns=10kV
Uni=6,3kV
u%sc(n)=8
- pentru transformatoarele de servicii proprii generale TSPG1 si TSPG2, avem:
Sn=32MVA
Uns=110kV
Uni=6,6kV
u%sc(n)=10,5
- pentru receptoarele de servicii proprii ale unui bloc, avem:
Un=6kV
Sc=SSPBmax=17,893MVA
- pentru receptoarele de servicii proprii generale, racordate la o sectie de bara , avem:
Un=6kV
![]()
Impartim schema in zone de acelasi nivel de tensiune,prezentata in figura 3.

fig 3.
Stabilim sistemul marimilor de baza:
- se aleg: Sb=100MVA
UbII=10,5kV;
- se calculeaza :
![]()
![]()
Se calculeaza curentii de baza si impedantele de baza:
![]()
![]()
![]()



Calculam parametrii elementelor din schema, exprimati in unitati relative, pentru regimul de scurtcircuit supratranzitoriu si stabilizat:
- pentru generatoarele sincrone G1 si G2:
regim de scurtcircuit supratranzitoriu:
![]()

regim de scurtcircuit stabilizat
- generatorul "aproape" de locul scurtcircuitului :

- generatorul "departe" de locul scurtcircuitului:

- curentul de scurtcircuit stabilizat critic al generatorului este:

- pentru trasfornatoarele de evacuare T1 si T2
- pentru LEA1, LEA2, LEA3, LEA4:
![]()
- pentru sistemul electroenergetic S:
![]()

- pentru transformatoarele TSPB1 si TSPB2:

- pentru transformatoarele TSPG1 si TSPG2:

- pentru receptoarele de servicii proprii bloc ale unui bloc:
pentru regim supratranzitoriu:
![]()

pentru regim de scurtcircuit stabilizat:

- pentru receptoarele de servicii proprii generale, racordate la sectie de bare:
pentru regim de scurtcircuit supratranzitoriu:
![]()

pentru regim de scurtcircuit stabilizat:

A. Scurtcircuit pe barele de 110kV
Consideram ca scurtcircuitul se produce in punctul KA din figura 3. Vom determina valorile efective ale curentilor de scurtcircuit supratranzitoriu si stabilizat prin ramurile schemei.
A1. Calculul curentilor de scurtcircuit supratranzitoriu
Pe baza shemei di figura 3 realizam schema echivalenta de calcul prezentata in figura 4.

Fig 4.
Curentii prin ramurile schemei sunt:
- prin LEA1, LEA2, LEA3, LEA4 :
(X5, X6, X7, X8)- paralel

(X18, X9)- serie
![]()
![]()
![]()
- prin TSPG1 si TSPG2:
(X12, X16)- serie
![]()
![]()
- prin T1 si T2:
(X10, X14)- serie
![]()
(U14, X21) si (U1, X1) sunt in paralel


(X22, X3)- serie
![]()
![]()
Pentru determinare valorilor maxime ale curentilor de scurtcircuit supratranzitoriu prin echipamentelede la nivelul de 110kV, in figura 5 se stabilesc punctele de scurtcircuit.

Fig 5.
Calculam valorile maxime ale curentilor de scurtcircuit supratranzitoriu prin celulele de 110kV:
- pentru celulele de linie LEA1, LEA2, LEA3, LEA4 :
scurtcircuit in K5:
![]()
scurtcircuit in K6:
![]()
valoarea maxima :
![]()
valoarea maxima in unitati absolute:
![]()
- pentru celulele de bloc generator - transformator T1 si T2 :
scurtcircuit in K1:
![]()
scurtcircuit in K2:

valoarea maxima:
![]()
valoarea maxima in unitatiabsolute:
![]()
- pentru celulele de transformator TSPG1 si TSPG2 :
scurtcircuit in K3:
![]()
scurtcircuit in K4:

valoare maxima:
![]()
valoarea maxima in unutati absolute:
![]()
- pentru cupla transversala CT:
scurtcircuit in K7:

scurtcircuit in K8:
![]()
valoarea maxima:
![]()
valoarea maxima in unutati absolute:
![]()
- prin barele de 110 kV
valoarea maxima corespunde sumei tuturor curentilor:
![]()
puterea de scurtcircuit la nivelul barei de 110kV este:
![]()
A2. Calculul curntilor de scurtcircuit stabilizat
Schema echivalenta de calcul este prezentata in figura 6. Generatoarele sincrone G1 si G2 le presupunem aproape" de locul scurtcircuitului.

Fig 6.
Curentii prin ramurile schemei sunt :
prin LEA1, LEA2, LEA3, LEA4 :
Intrucat elementele din aceasta zona a schemei au comportare identica in cele doua regimuri de scurtcircuit , valorile curntilor raman neschimbate:
![]()
- prin TSPG1 si TSPG2:
Zona contine doar elemente pasive, racordate intre doua noduri de potential nul:
![]()
- prin T1 si T2 :
(X10 ,X14)- serie
![]()
(X18 , X4)- paralel

(X19, X1)- serie

Deoarece
, generatoarele sunt "aproape de locul
scurtcircuitului.


Folosind figura 5 se determinavalorile maxime ale curentului de scurtcircuit stabilizat prin celulele de 110kV:
- pentru celulele de linie LEA1, LEA2, LEA3, LEA4 :
![]()
![]()
![]()
- pentru celulele de bloc generator - transformator T1 si T2 :
![]()
![]()
![]()
- pentru celulele de transformator TSPG1 si TSPG2:
![]()
![]()
![]()
- pentru cupla transversala CT:
![]()
![]()
![]()
- prin barele colectoare de 110 kV:
![]()
A3. Calculul curentilor de soc si a curentilor echivalenti termici prin celulele de 110kV
Curentul de soc (isoc) se calculeza cu relatia:
![]()
![]()
Curentul echivalent termic de o secunda (Iet) se calculeza cu relatia:
Pentru durata scurtcircuitului vom accepta valoarea tsc=1,5s. Coeficientii se aleg din grafice .pentru factorul de soc avem valoarea Ksoc=1,8.
Rezultatele calculelor sunt prezentate in tabelul 1.
Tabelul 1.
|
Circuitul |
I [kA] |
I∞ [kA] |
isoc [kAmax] |
I /I∞ |
m |
n |
Iet [kA] |
|
Celule de linie LEA1,LEA2, LEA3, LEA4 | |||||||
|
Celule de bloc generator-transformator T1 si T2 | |||||||
|
Celulele de transformator TSPG1 si TSPG2 | |||||||
|
Celula de cupla transversala (CT) | |||||||
|
Barele colectoare de 110kV Sk=1341,300MVA |
|
B. Scurt circuit pe barele de SPG de 6 kV
Consideram ca scurtcircuitul se peoduce in punctul KB, ca in fig 3.
B1. Calculul curentilorde scurtcircuit supratranzitoriu
Schema echivalenta de calcul este prezentata in figura 7.

Fig 7.
Pentru determinarea curentilor de scurtcircuit vom reduce schema echivalenta din figura 7. cu ajutorul relatiilor de transfigurare.
- reactantele (X5, X6, X7, X8) - paralel

- reactantele (X18, X9) - serie
![]()
- reactantele(X10, X14) - serie
![]()
- ramurile (U10, X20) si (U1,X1)- paralel


- reactantele(X3, X21) - serie
![]()
- reactantele(X13, X17) - serie
![]()

Fig 8.
In fugura 8. se observa ca cele doua ramuri (U21, X22), impreuna cu (U17, X23) si (U9, X19) sunt in paralel:


- reactantele(X12, X24) - serie
![]()
Schema redusa este cea din figura 9.

Fig 9.
Curentii prin ramurile schemei sunt :
![]()
![]()
Pentru determinarea valorilor maxime ale curentilor de scurtcircuit supratranzitoriu prin celulele racordate la barele de SPG de 6 kV, in figura 10. se stabilesc punctele de scurtcircuit.

Fig 10.
Calculam valorile maxime ale curentilor de scurtcircuit supratranzitoriu prin celulele racordate la barele de SPG de 6 kV :
- celulele de transformator TSPG1 si TSPG2:
scurtcurcuit in K1:
![]()
scurtcurcuit in K2:
![]()
valoarea maxima :
![]()
- celula de cupla longitudinala (CL):
scurtcurcuit in K3:
![]()
scurtcurcuit in K4:
![]()
valoarea maxima:
![]()
- celulele pentru alimentarea de rezerva a SPB-urilor :
scurtcurcuit in K5:
![]()
scurtcurcuit in K6:
![]()
valoarea maxima :
![]()
- pentru barele colectoare de SPG de 6 kV:
![]()
![]()
Puterea de scurtcircuit la nivelul barelor de SPG de 6 kV este:
![]()
B2. Calculul curentilor de scurtcircuit stabilizat
Schema echivalenta de calcul este prezentata in figura 11. Generatoarele sincrone (G1,G2) se considera "aproape" de locul scurtcircuitului.

Fig 11.
Pentru determinarea curentilor prin ramurile schemei se vor scrie teoremele lui Kirchhoff, obtinandu-se un sistem de ecuatii, care prin rezolvare, va conduce la slutionarea problemei.Avem urmatoarele egalitati:
![]()
IT1=IT2
IG1=IG2
-ramura pasiva racordata intre doua
noduri de potential nul;

- din ecuatia (5) =>
![]()
- din ecuatia (6) =>
![]()
- din ecuatia (3) =>
![]()
- din ecuatia (2) =>
![]()
- inlocuim in ecuatia (4), obtinem:

- inlocuim in prima ecuatie si obtinem:

Curentul debitat de fiecare generator este:
![]()
Curentul
, deci generatoarele
sunt "aproape" de locul
scurtcircuitului.
Utilizand figura 10 stabilim valorile maxime ale curentului de scurtcircuit stabilizat prin celulele racordate la barele de SPG de 6 kV.
- celulele de transformator TSPG1 si TSPG2:
![]()
![]()
- celula de cupla longitudinala (CL):

- celulele pentru alimentarea de rezerva a SPB-urilor:

- pentru barele colectoare de SPG de 6 kV:

B3. Calculul curentilor de soc si al curentilor echivalenti termici prin celulele racordate la barele de SPG de 6 kV
Rezultatele calculului sunt prezentate in tabelul 2.
Tabelul 2.
|
Circuitul |
I [kA] |
I∞ [kA] |
isoc [kAmax] |
I I∞ |
m |
n |
Iet [kA] |
|
Celule de transformator TSPG1 si TSPG2 | |||||||
|
Celula de cupla longitudinala (CL) | |||||||
|
Celule pentru alimentarea de rezerva a SPB-urilor | |||||||
|
Barele colectoare de SPG de 6 kV SK=204,62 MVA |
C. Scurtcircuit pe barele de SPB de 6 kV
Consideram ca scurtcircuitul se produce in punctul KC , ca in fig 3.
C1. Calculul curentilor de scurtcircuit supratranzitoriu
Schema echivalenta de calcul este cea prezentata in figura 12.

Fig 12.
Metodologia de reducere a schemei este similara cala SPG, in plus se reduc ramurile:
- reactantele (X12,X16) - serie
![]()
- ramurile (U16, X26) si (U17,X23) - paralel


Schema echivalenta de calcul, intr-o prima faza a reducerii este perzentata in figura 13.

Fig 13.
- ramurile (U16, X26), (U17,X23), (U21, X22) - paralel


Schema in urma acestei reduceri este prezentata in figura 14.

Fig 14.
- reactantele (X28,X3) - serie
![]()
- ramurile (U1, X1) si (U28,X29) - paralel


- reactantele (X30,X10) - serie
![]()
Schema redusa pentru calculul lui I este prezntata in figura 15.

Fig 15.
Curentii prin ramurile schemei sunt :
![]()
![]()
Pentru determinarea valorilor maxime ale curentilor de scurtcircuit supratranzitoriu prin celulele racordate la barele de SPb de 6 kV, in figura 16 se stabilesc punctele de scurtcircuit.

Fig 16.
Calculam valorile maxime ale curentului de scurtcircuit supratranzitoriu prin celulele racordate la barele de SPB de 6 kV.
- celule de transformator TSPB1 si TSPB2 :
scurtcircuit in punctul K1 :
![]()
scurtcircuit in punctul K2 :
![]()
valoarea maxima :
![]()
- pentru barele colectoare de SPB de 6 kV
![]()
![]()
Puterea de scurtcircuit la nivelul barelor de SPB de 6 kV este :
![]()
C2. Calculul curentilor de scurtcircuit stabilizat
Schema echivalenta de calcul este prezentata in figura 17. Generatoarele (G1, G2) le consideram "aproape" de locul scurtcircuitulul.

Fig 17.
Avem urmatoarele egalitati:
![]()
ITSPG1=ITSPG2

- din ecuatia (3) =>
ITSPB2=IG2-IT2
- din ecuatia (4) =>
IT1=ITSPB1-IG1
- din ecuatia (9) =>

- din ecuatia (6) =>

- din ecuatia (7) =>

- din ecuatia (8)=>

- inlocuim in a doua ecuatie, obtinem:

- inlocuim in ecuatia (5) :


Curemtii
,
, deci generatoarele sunt "aproape" de locul
scurtcircuitului.
Pe baza figurii 16 se calculeaza valorile maxime ale curentilor de scurtcircuit stabilizat prin celulele racordate la barele de SPB de 6 kV.
- celule de transformator TSPB1, TSPB2 :

- prin barele de SPB de 6 kV :
![]()
C3. Calculul curentilor de soc si al curentilor echivalenti termici prin celulele racordate la barele de SPB de 6 kV
Rezultatele sunt prezentate in tabelul 3.
Tabelul 3.
|
Circuitul |
I" [kA] |
I∞ [kA] |
isoc [kAmax] |
I"/I∞ |
m |
n |
Iet [kA] |
|
Celule de transformator TSPB1, TSPB2 | |||||||
|
Barele colectoare de SPB de 6 kV SK(SPB)=269,929MVA |
Cap V. Verificare conditiilor de pornire si autopornire a motoarelor electrice din cadrul serviciilor proprii
A. Verificarea conditiilor de pornire.
Cel mai mare mtor din cadrul SPB, este maotorul care antreneaza pompa de alimentare, avand urmatoarele caracteristici :
Pn=3800 kW
In=41,77 A
nn=2975 rot/min
ηn=96,2 %
cosφn=0,91
iP=IP/In=6,3
Puterea absorbita in timpul pornirii acestui motor este :
![]()
Tensiunea de revenire pe bara SPB, exprimata in unitati relative, la pornirea celui mai mare motor se calculeaza cu relatia :

Se observa ca
, deci conditia de pornire este satisfacuta.
B. Verificarea conditiilor de autopornire
Puterea aparenta absorbita de motoare la autopornire se calculeaza cu relatia:
![]()
Pentru pauza de AAR acceptam valoarea tAAR=2 s, deci coeficientul de autopornire KAp=4,1.

Tensiunea de revenire pe bara SPB, exprimata in unitati relative, la autopornire este :

Se constata ca
, deci si
conditia de autopornire este satisfacuta.
Cap VI. Alegerea si verificare intreruptoarelor, separatoarelor si a barelor colectoare
In verea alegerii aparatelor electrice, in prima etapa, stabilim conditiile in care acestea functioneaza.
Conditii ambientale de functionare
Instalatiile electrice de joasa si medie tensiune se realizeaza la interior,iar cele de inalta tensiune la exterior.
Celelalte conditii ambientale (altitudine, temperatura, umiditate,precipitatii, viteza vantului,grad de poluare) le consideram in limitele normale pentru aparatele pe care le vom alege.
Frecventa nominala
In cdrul sistemului electroenergetic din Romania frecventa nominala este de 50 Hz.
Conditii de tensiune
Valorile tensiunii nominale (Un) si ale tensiunilor maxime de serviciu (Ums) ale retelelor in care se vor intercala aparatele electrice sunt indicate in tabelul 4.
Conditii referitoare la nivelul de izolatie ale aparatelor pa care le vom alege le consideram satisfacute.
Conditii privind curentii de trecere
a) Curentul nomunal al circuitului(Inc) in care se intercaleaza aparatul ce urmeaza a fi ales .Valorile calculate sunt prezentate in tabelul 4.
b) Curentul maxim de durata (Imd) al circuitului.
c) Curentii de scurtcircuit (I" si I∞) prin circuitele pe care se monteaza aparatele ce urmaza sa le alegem.
Curentii nominali ai circuitelor (Inc) se calculeaza astfel :
- pentru celulele de linie LEA1, LEA2, LEA3, LEA4 :
Cele patru celule de linie le dimensionam in varianta 4x33%.Puterea maxima vehiculata printr-o line este
![]()
- pentru celulele de transformator TSPG1 si TSPG2 :
![]()
- pentru celulele de bloc generator-transformator (110kV) :
![]()
- pentru cupla transversala CT :
Intrucat regimul normal de functionare al schemei este cu toate circuitele racordate la BC1, curentul nominal al CT va fi egal cu valoare celui mai mare curent nominal al circuitelor racordate la barele de 110 kV.
Inc=393 A
- barele colectoare de 110 kV :
Plasarea optima a circuitelor de-a lungul barelor este cea care conduce la o incarcare cat mai uniforma a tronsoanelor barelor.
Plasarea optima a circuitelor in lungul barelor, solutia optima este cea din fiura 18.

Fig 18.
Regimul cel mai solicitant pentru bare este cand linia LEA4 este scoasa din functiune; centrala functioneaza la puterea instalata.
In aceste conditii puterile vehiculate prin tronsoanele barelor sunt:
SAB=35,421MVA
SBC=57,107-35,421=21,686MVA
SEF=57,107-3,976=53,131MVA
SED=53,131-35,421=17,710MVA
SCD=17,710-3,976=13,734MVA
![]()
- pentru celulele de transformator TSPG1 si TSPG2 :
![]()
- pentru cupla longitudinala CL :
Puterea maxima vehiculata prin CL nu poate depasi putrea nominala a TSPG, deci:
![]()
- pentru barele de SPG de 6 kV:
Plasarea optima a circuitelor in lungul barelor de SPG si regimul cel ami solicitant rezulta din figura 19.

Fig 19.
Regimul cel mai solicitant pentru bare este atunci cand functioneaza doar TSPG1, prin care se alimenteaza atat receptoarele de SPG, cat si receptoarele blocului 2(SPB2). Puterile vehiculate prin tronsonul barei SPG este :
SAB=25,845-1,988=23,857MVA
SAC=1,988MVA
![]()
- pentru celulele alimentarilor de rezerva ale SPB-urilor :
![]()
- pentru celulele de transformator TSPB1 si TSPB2 (6kV):
![]()
- pentru barele de SPB de 6 kV :
Plasare optima a circuitelor in lungul barelor de SPB si regimul solicitant rezulta din figura 20.

Fig 20.
Regimul cel mai solicitant pentru bare este atunci cand alimentarea se asigura prin TSPB si receptoarele de SPB absorb puterea maxima (SSPBmax). Puterile vehiculate prin tronsoanele barei de SPB sunt :
SAB=8,946MVA
SAC=8,946MVA
![]()
Tabelul 4.
|
Circuitul in care se |
Conditii de functionare |
|||||||
|
instaleaza |
ambient |
frecventa |
tensiune |
curentii de trecere |
||||
|
aparatul |
fn [Hz] |
Un [kV] |
Ums [kV] |
Inc [A] |
Imd [A] |
I" [kA] |
I∞ [kA] |
|
|
Celule de linie LEA1, LEA2, LEA3, LEA4 |
exterior | |||||||
|
Celula de cupla transversala (CT) |
exterior | |||||||
|
Celule de transfornator TSPG1,TSPG2(110kV) |
exterior | |||||||
|
Celule de genrator-transformator T1, T2 (110kV) |
exterior | |||||||
|
Barele colectoare de 110kV |
exterior | |||||||
|
Celule de transformator TSPG1, TSPG2 (6kV) |
interior | |||||||
|
Celula de cupla longitudinala (CL) |
interior | |||||||
|
Barele colectoare de SPG de 6 kV |
interior | |||||||
|
Celule pentru alimentarea de rezerva a SPB |
interior | |||||||
|
Celule de transformator TSPB1, TSPB2 (6 kV) |
interior | |||||||
|
Barele colectoare de SPB de 6 kV |
interior | |||||||
A. Alegerea si verificarea intreruptoarelor
A1. Alegerea intreruptoarelor
Intreruptoarele pe care urmeaza sa le alegem sunt prezentate in figura 2.
Pe baza conditiilor de functionare si a metodologiei de alegere a intreruptoarelor se aleg intreruptoarele indicate in tabelul 5.
Tabelul 5.
|
Celula in se gaseste intreruptorul |
Intre-ruptor |
Tip |
Un [kV] |
Umax [kV] |
In [A] |
IPrn [kA] |
Ild [kAmax] |
Ilt [kA] |
tet [s] |
Disp. de act |
|
Celule de bloc generator-transformator |
I1, I2 |
IUP |
MR-4 |
|||||||
|
Celule de linie LEA1, LEA2, LEA3, LEA4 |
I3, I4, I5, I6 |
IUP |
MR-4 |
|||||||
|
Celula de cupla trans-versala CT |
ICT |
IUP |
MR-4 |
|||||||
|
Celule de transfor-mator TSPG1,TSPG2 (110kV) |
I7, I8 |
IUP |
MR-4 |
|||||||
|
Celule de transfor-mator TSPG1,TSPG2 (6 kV) |
I10,I11 |
MGG |
AE |
|||||||
|
Celula de cupla longi-tudinala CL |
I14 |
MGG |
AE |
|||||||
|
Celule de transfor-mator TSPB1, TSPB2 |
I9,I12 |
MGG |
AE |
|||||||
|
Celula pentru alimen-tarea de rezerva a SPB |
I13,I15 |
IO-debro-sabil |
MRI-3 |
A2. Verificarea intreruptoarelor
Valorile curentilor de soc si ale curentilor echivalenti termici de o secunda au fost calculati.Verificarea intreruptoarelor alese la stabilitate termica si electrodinamica se face in tabelul 6.
Conform valorilor din tabelul 6, toate intreruptoarele alese satisfac conditiile :
isoc ≤ Ild Iet ≤ Ilt
Tabelul 6.
|
Intreruptorul |
Stabilitate electriodinamica |
Stabilitate termica |
||
|
Isoc [kAmax] |
Ild [kA] |
Iet [kA] |
Ilt [kA] |
|
|
I1, I2 | ||||
|
I3, I4, I5, I6 | ||||
|
ICT | ||||
|
I7, I8 | ||||
|
I10, I11 | ||||
|
I14 | ||||
|
I9, I12 | ||||
|
I13, I15 | ||||
B. Alegerea si verificare separatoarelor.
B1. Alegerea separatoarelor
Separatoarele pe care le vom alege sunt cele indicate in figura 2. Alegerea separatoarelor se face in functie de conditiile de functionare.In tabelul 7 sunt puse in evidenta caracteristicile tehnice ale separatoarelor alese.
Tabelul 7
|
Celula in care se gaseste separatorul |
Separator |
Tip |
Un [kV] |
Umax [kV] |
In [A] |
Ild [kAmax] |
Ilt [kA] |
tlt [s] |
Disp. act |
|
Celula de bloc generator-transfor-mator (110kV) |
SB1÷SB4 |
SMEm |
ASE |
||||||
|
Celule de linie LEA1, |
SB5÷SB12 |
SMEm |
ASE |
||||||
|
LEA2, LEA3, LEA4 |
SL1÷SL4 |
STEPm |
ASE |
||||||
|
Celula de cupla trans-versala CT |
SB17, SB18 |
SMEm |
ASE |
||||||
|
Celule de transfor-mator TSPG1, TSPG2 (110kV) |
SB13÷SB16 |
SMEm |
ASE |
B2. Verificarea separatoarelor
Valorile curentilor de soc si ale curentilor echivalenti termici de o secunda, precum si curentii limita dinamici si termici sunt indicate in tabelul 8.
Separatoarele trebuie sa satisfaca conditiile :
isoc ≤ Ild Iet ≤ Ilt
Tabelul 8.
|
Separator |
Stabilitate electrodinamice |
Stabilitate termica |
||
|
isoc [kAmax] |
Ild [kAmax] |
Iet [kA] |
Ilt [kA] |
|
|
SB1÷SB4 | ||||
|
SB5÷SB12 | ||||
|
SL1÷SL4 | ||||
|
SB17, SB18 | ||||
|
SB13, SB14 | ||||
C. Alegerea si verificarea barelor colectoare.
C1. Alegerea barelor colectoare.
a) Barele colectoare de 110 kV le vom realiza din conductoare flexibele multifilare din otel-aluminiu (OL-Al).
Curentul maxim de durata pe bare este:
Imd=278A
Consideram ca temperatura maxima a aerului este +30oC si temperatura barelor de 70oC, alegem acel conductor care pentru care Ida ≥ Imd .
Curentul maxim de durata paote fi suportat de un singur conductor, se alege un conductor cu sectiunea de :
Stotal/Sotel=150/25mm2
Ida=420A
b) Barele colectoare de SPG de 6 kV le realizam din bare dreptunghiulare de aluminiu vopsite, asezate pe muchie :
Curentul maxim de durata pe bare este :
Imd=2295A
Consideram temperatura aerului +25oC si temperatura barelor 70oC, alegem o bara cu urmatoarele caracteristici :
h x b=120x15 [mm] ; S=1800mm2 ; Ida=2515A.
c) Barele colectoare de SPB de 6 kV le realizam din bare dreptunghiulare de aluminiu vopsite, asezate pe muchie .
Curentul maxim de durata pe bare este :
Imd=860A
Consideram temperatura aerului +25oC si temperatura barelor 70oC, alegem o bara cu urmatoarele caracteristici :
h x b=50x10 [mm] ; S=500mm2 ; Ida=940A.
C2. Verificarea barelor colectoare.
- Verificarea la stabilitate termica a barelor alese este prezentata in tabelul 9.
Tabelul 9.
|
Barele colectoare |
S [mm2] |
θi [oC] |
θsc [oC] |
jt [A/mm2] |
Iet [A] |
Iet/jt [mm2] |
|
BC de 110 kV | ||||||
|
BC de SPG de 6 kV | ||||||
|
BC de SPB de 6 kV |
Barele colectoare satisfac
conditia
.
- Verificare la efect corona se face pentru barele de 110 kV, realizate din conductoare multifilare din otel-aluminiu (m=0,82) si avand raza r =6,56[mm];
r =0,656 [cm].
Valoarea critica a intensitatii campului electric de la care apar descarcari corona este :
Media geometrica a distantelor dintre axele conductoarelor fasciculare este :
Intensitatea campului electric la suprafata conductorului fascicular este :
Se observa ca E < Ecor , deci barele alese prezinta stabilitate la efect corona.
Bibliogarfie
Bendea, G. - Partea electrica a centralelor electrice. Indrumator de proiectare, Litografia Universitatii din Oradea, 2000
Bendea, G. - Partea electrica a centralelor electrice.Curs, Editura Universitatii din Oradea, 2002
Buhus, P. - Partea electrica a centralelor electrice, Editura Didactica si Pedagogica, Bucuresti, 1983
Gheju, P., Dusa, V. - Partea electrica a centralelor si statiilor electrice. Indrumator de proiectare, Litografia I. P. Timisoara, 1973
Heinrich, I. - Partea electrica a centralelor si statiilor electrice, vol. I, II, Litografia I. P. Timisoara 1973
|
Politica de confidentialitate |
| Copyright ©
2026 - Toate drepturile rezervate. Toate documentele au caracter informativ cu scop educational. |
Personaje din literatura |
| Baltagul – caracterizarea personajelor |
| Caracterizare Alexandru Lapusneanul |
| Caracterizarea lui Gavilescu |
| Caracterizarea personajelor negative din basmul |
Tehnica si mecanica |
| Cuplaje - definitii. notatii. exemple. repere istorice. |
| Actionare macara |
| Reprezentarea si cotarea filetelor |
Geografie |
| Turismul pe terra |
| Vulcanii Și mediul |
| Padurile pe terra si industrializarea lemnului |
| Termeni si conditii |
| Contact |
| Creeaza si tu |