Deparafinarea uleiurilor cu cetone prin procedeul conventional
Rezultatele deparafinarii cu cetone de masa molara a cetonei deoarece aceasta influenteaza solubilitatea parafinei, dar si a uleiului deparafinat in solvent. Acetona in amestec cu benzenul a fost folosita initial ca solvent pentru deparafinare. Solubilitatea redusa a uleiului in acetona a impus un adaos mare de aromatice in amestecul de solventi. Din aceasta cauza in prezent s-a renuntat la acest procedeu.
Amestecul metil-etil-cetona (MEC) + toluen prezinta avantaje nete fata de alti solventi si, in consecinta, acest solvent este folosit in majoritatea instalatiilor de deparafinare cu solventi. Tendinta este de a se folosi cetone superioare, ca atare, sau amestecuri de solventi care contin cetone superioare. Metil-izobutil-cetona (MiBC) sau, in special, amestecul MEC+MiBC reprezinta variante atractive de solventi de deparafinare. Pretul ridicat al MiBC si dificultatile care apar la uscarea solventului au limitat, totusi, folosirea MiBC la deparafinarea uleiurilor.
Dintre parametrii de operare cu care se poate controla procesul de deparafinare se mentioneaza:
temperatura de deparafinare;
ratia de solvent;
compozitia solventului;
viteza de racire;
temperaturile si presiunile din coloanele pentru recuperarea solventului
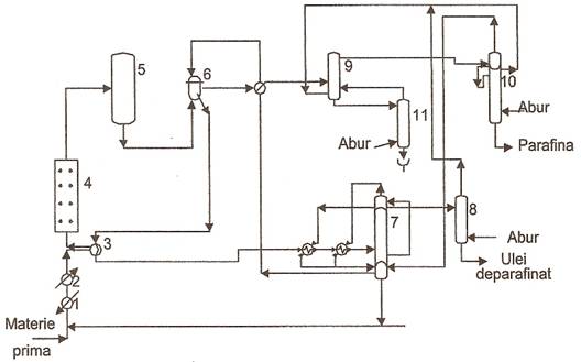
Schema tehnologica a instalatiei de deparafinare a uleiurilor cu MEC+T prin procedeul conventional este prezentata in figura 1.7., iar valorile uzuale ale principalilor parametri tehnologici sunt prezentati in literatura [1,2].
Figura 1.7. Schema tehnologica a instalatiei de deparafinare a uleiurilor cu MEC+T prin procedeul conventional(1-incalzitor cu abur, 2-racitor cu apa, 3,4-cristalizatoare cu racleti, 5-vas de alimentare filtru, 6-filtru rotativ, 7-evaporatoare pentru filtrat, 8-striper pentru ulei, 9-vas pentru solutia de parafina si decantarea apei, 10-evaporator si striper pentru parafina, 11-coloana pentru separarea apei din solvent).
|
Politica de confidentialitate |
| Copyright ©
2026 - Toate drepturile rezervate. Toate documentele au caracter informativ cu scop educational. |
Personaje din literatura |
| Baltagul – caracterizarea personajelor |
| Caracterizare Alexandru Lapusneanul |
| Caracterizarea lui Gavilescu |
| Caracterizarea personajelor negative din basmul |
Tehnica si mecanica |
| Cuplaje - definitii. notatii. exemple. repere istorice. |
| Actionare macara |
| Reprezentarea si cotarea filetelor |
Geografie |
| Turismul pe terra |
| Vulcanii Și mediul |
| Padurile pe terra si industrializarea lemnului |
| Termeni si conditii |
| Contact |
| Creeaza si tu |