Control inteligent de tip logica fuzzy


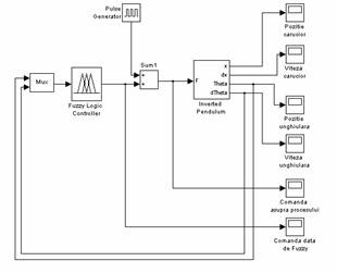
O prima schema de control :

Baza de reguli este prezentata mai jos :
IF (Theta is NL) then (F is NL) 5. IF (Theta is PS) then (F is PS)
IF (Theta is NM) then (F is NM) 6. IF (Theta is PM) then (F is PM)
IF (Theta is NS) then (F is NS) 7. IF (Theta is PL) then (F is PL)


IF (Theta is Z) then (F is Z)


Functiile
de apartenenta pentru pozitia unghiulara viteza unghiulara

Functiile de
apartenenta pentru marimea de comanda :
|
Angular Velocity dq/dt |
Angle (q |
|||||||
|
NL |
NM |
NS |
ZE |
PS |
PM |
PL |
||
|
NL |
NX |
NX |
NL |
NL |
NS |
ZN |
ZE |
|
|
NM |
NX |
NL |
NM |
NM |
ZN |
ZE |
ZP |
|
|
NS |
NL |
NM |
NS |
ZN |
ZE |
ZP |
PS |
|
|
ZE |
NM |
NS |
ZN |
ZE |
ZP |
PS |
PM |
|
|
PS |
NS |
ZN |
ZE |
ZP |
PS |
PM |
PL |
|
|
PM |
ZN |
ZE |
ZP |
PM |
PM |
PL |
PX |
|
|
PL |
ZE |
ZP |
PS |
PL |
PL |
PX |
PX |
|



Raspunsul in bucla
inchisa al sistemului cuplat


PID
M'=M+DM Fuzzy
M'=M+DM



|
Politica de confidentialitate |
| Copyright ©
2025 - Toate drepturile rezervate. Toate documentele au caracter informativ cu scop educational. |
Personaje din literatura |
| Baltagul – caracterizarea personajelor |
| Caracterizare Alexandru Lapusneanul |
| Caracterizarea lui Gavilescu |
| Caracterizarea personajelor negative din basmul |
Tehnica si mecanica |
| Cuplaje - definitii. notatii. exemple. repere istorice. |
| Actionare macara |
| Reprezentarea si cotarea filetelor |
Geografie |
| Turismul pe terra |
| Vulcanii Și mediul |
| Padurile pe terra si industrializarea lemnului |
| Termeni si conditii |
| Contact |
| Creeaza si tu |