| Aeronautica | Arheologie | Arhitectura | Auto | Comunicatii | Constructii |
| Criminalistica | Desen tehnic | Electronica electricitate | Tehnica mecanica |
SARCINA ELECTRICA |
| Sarcina electrica Sarcina electrica este o marime scalara, derivata in S.I., definita pe baza marimilor fizice fundamentale: intensitatea curentului electric si timp. Simbol: q sau Q U.m.: C (Coulomb) ... Citeste mai mult « 270 cuvinte, 1 pagini » |
Procesul teoretic si procesul real de comprimare in trepte |
![]() Procesul teoretic si procesul real de comprimare in trepte Compresia treptata a gazului, cu racire dupa fiecare treapta, apropie procesul compresiei de izoterma, fapt ce determina micsorarea puterii consumate de ... Citeste mai mult « 318 cuvinte, 1 pagini » |
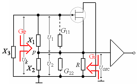
Oscilator in conexiune DC/CC |
![]() Oscilator in conexiune DC/CC Schema de principiu este prezentata in fig. 15. Fig. 15 Oscilator in conexiune DC Din figura rezulta ca amplitudinea oscilatiilor la iesire: ... Citeste mai mult « 1052 cuvinte, 3 pagini » |
Masina electrica speciala cu rol dublu de starter si generator pentru automobil si sistemul ei de comanda si control |
![]() Masina electrica speciala cu rol dublu de starter si generator pentru automobil si sistemul ei de comanda si control 1. INTRODUCERE Principalele masini electrice au fost descoperite cu peste 100 de ani in urma, iar structura lor ... Citeste mai mult « 12758 cuvinte, 26 pagini » |
Metodele de majorare a parametrilor stabilizatoarelor parametrice |
| Metodele de majorare a parametrilor stabilizatoarelor parametrice. Parametrii stabilizatorului pot fi majorati la utilizarea diodelor Zener cu rezistenta diferentiala si curentul minim de stabilizare reduse. Cu parere de rau acest lucru nu ... Citeste mai mult « 258 cuvinte, 1 pagini » |
Prezentare generala a amplificatoarelor electrice. Parametrii si caracteristici de baza. |
| Prezentare generala a amplificatoarelor electrice. Parametrii si caracteristici de baza. Cazul particular de dirijare a energiei, prin cheltuirea a unei mici parti a ei la dirijarea energiei de cateva ori mai mare de cat ea se numeste ... Citeste mai mult « 655 cuvinte, 2 pagini » |
Caracteristici generale pentru echipamente, accesorii si materiale pentru realizarea instalatiilor electrice |
| Caracteristici generale pentru echipamente, accesorii si materiale pentru realizarea instalatiilor electrice Pentru realizarea instalatiilor electrice de tarctiune aferente statiilor de pe Racordul 1 de metrou, este necesara ... Citeste mai mult « 3361 cuvinte, 7 pagini » |
OSCILATORUL ARMONIC CA AMPLIFICATOR CU REACTIE POZITIVA |
| OSCILATORUL ARMONIC CA AMPLIFICATOR CU REACTIE POZITIVA In studiul oscilatoarelor armonice exista diferite metode de abordare care sa ne permita determinarea conditiilor de oscilatie, a tensiunii de iesire si a variantelor ... Citeste mai mult « 365 cuvinte, 1 pagini » |
ARHITECTURA SISTEMELOR DE CONDUCERE IERARHIZATA |
| Arhitectura sistemelor de conducere ierarhizata 1 Cerinte si tendinte S-au analizat in subcapitolele anterioare cateva tipuri de structuri industriale din industria chimica si energetica. Din acest studiu ... Citeste mai mult « 2951 cuvinte, 6 pagini » |
SISTEME NECONVENTIONALE SPECIFICE DE REGLARE AUTOMATA |
| SISTEME NECONVENTIONALE SPECIFICE DE REGLARE AUTOMATA 1.1. Sisteme conventionale si sisteme neconventionale de reglare automata Prin sistem de reglare conventionala SRC, sau bucla simpla de reglare automata, se intelege un sistem de ... Citeste mai mult « 1579 cuvinte, 4 pagini » |
Traductoare cu marci tensiometrice semiconductoare |
| Traductoare cu marci tensiometrice semiconductoare Au o mare rezistenta (pana la 50%) a variatiilor sub actiunea unei temperaturi mari peste limita (10.20 de ori). Avantajele lor includ un factor senzitiv ... Citeste mai mult « 417 cuvinte, 1 pagini » |
Utilizarea distributiei Dirac pentru deducerea caracteristicilor spectrale |
| Utilizarea distributiei Dirac pentru deducerea caracteristicilor spectrale ... Citeste mai mult « 723 cuvinte, 2 pagini » |
SISTEMUL DE PROTECTII, COMANDA SI CONTORIZARE |
![]() SISTEMUL DE PROTECTII, COMANDA SI CONTORIZARE 1.1 MEMORIU TEHNIC Sistemul de comanda-comandasi protectii oferit pentru noua statie 400/220/110 kV Gutinaseste un sistem SCADA complet integrat realizat cu ... Citeste mai mult « 6912 cuvinte, 14 pagini » |
POTENTIALUL ELECTRIC |
| Potentialul electric In campul electric generat de un corp punctiform fix, incarcat cu sarcina Q, se plaseaza un corp de proba incarcat cu sarcina q. Energia potentiala a sistemului este data de relatia: ... Citeste mai mult « 303 cuvinte, 1 pagini » |
Parametrii de baza a stabilizatoarelor |
| Parametrii de baza a stabilizatoarelor Majoritatea circuitelor si aparatelor electronice necesita pentru a functiona surse de alimentare cu energie de curent continuu. Aceasta energie se obtine in mod obisnuit de la baterii sau de la retea ... Citeste mai mult « 339 cuvinte, 1 pagini » |
Circuite basculante bistabile de tip J-K Master-Slave |
| Circuite basculante bistabile de tip J-K Master-Slave Exista mai multe posibilitati de realizare a circuitului bistabil J-K Master-Slave .Schema din fig.21a. s-a obtinut din CBB de tip S-R Master-Slave la care s-au adaugat doua ... Citeste mai mult « 184 cuvinte, 1 pagini » |
Filtre active |
| Filtre active Circuitele ce prezinta caracteristici de tip filtru si contin componente active (putand asigura si amplificare) se numesc filtre active. Functia ... Citeste mai mult « 482 cuvinte, 1 pagini » |
GRUPAREA CONDENSATOARELOR |
![]() Gruparea condensatoarelor In retelele electrice, condensatoarele sunt conectate in diverse moduri. Condensatorul echivalent este condensatorul in care se inlocuieste o grupare de condensatoare cu unul ... Citeste mai mult « 349 cuvinte, 1 pagini » |
Diferentiator de curent |
| Diferentiator de curent O schema de diferentiator de curent realizat cu CCII este prezentata in figura 5.15. Figura 5.15 Curentul de intrare, circuland prn rezistenta R, produce tensiunea ... Citeste mai mult « 42 cuvinte, 1 pagini » |
Legea Joule Lentz (Legea transfomrarii energiei in conductoare) |
| Legea Joule Lentz (Legea transfomrarii energiei in conductoare) Puterea cedata de campul electromagnetic unei portiuni de conductor filiform strabatut de current electric este egala cu produsul intre current si tensiunea ... Citeste mai mult « 28 cuvinte, 1 pagini » |
|
Politica de confidentialitate |
| Copyright © 2025 - Toate drepturile rezervate. Toate documentele au caracter informativ cu scop educational. |
Personaje din literatura |
| Baltagul – caracterizarea personajelor |
| Caracterizare Alexandru Lapusneanul |
| Caracterizarea lui Gavilescu |
| Caracterizarea personajelor negative din basmul |
Tehnica si mecanica |
| Cuplaje - definitii. notatii. exemple. repere istorice. |
| Actionare macara |
| Reprezentarea si cotarea filetelor |
Geografie |
| Turismul pe terra |
| Vulcanii Și mediul |
| Padurile pe terra si industrializarea lemnului |
| Termeni si conditii |
| Contact |
| Creeaza si tu |